GM Service Manual Online
For 1990-2009 cars only
Makes
🢒
Chevrolet
🢒
2000
🢒
Corvette
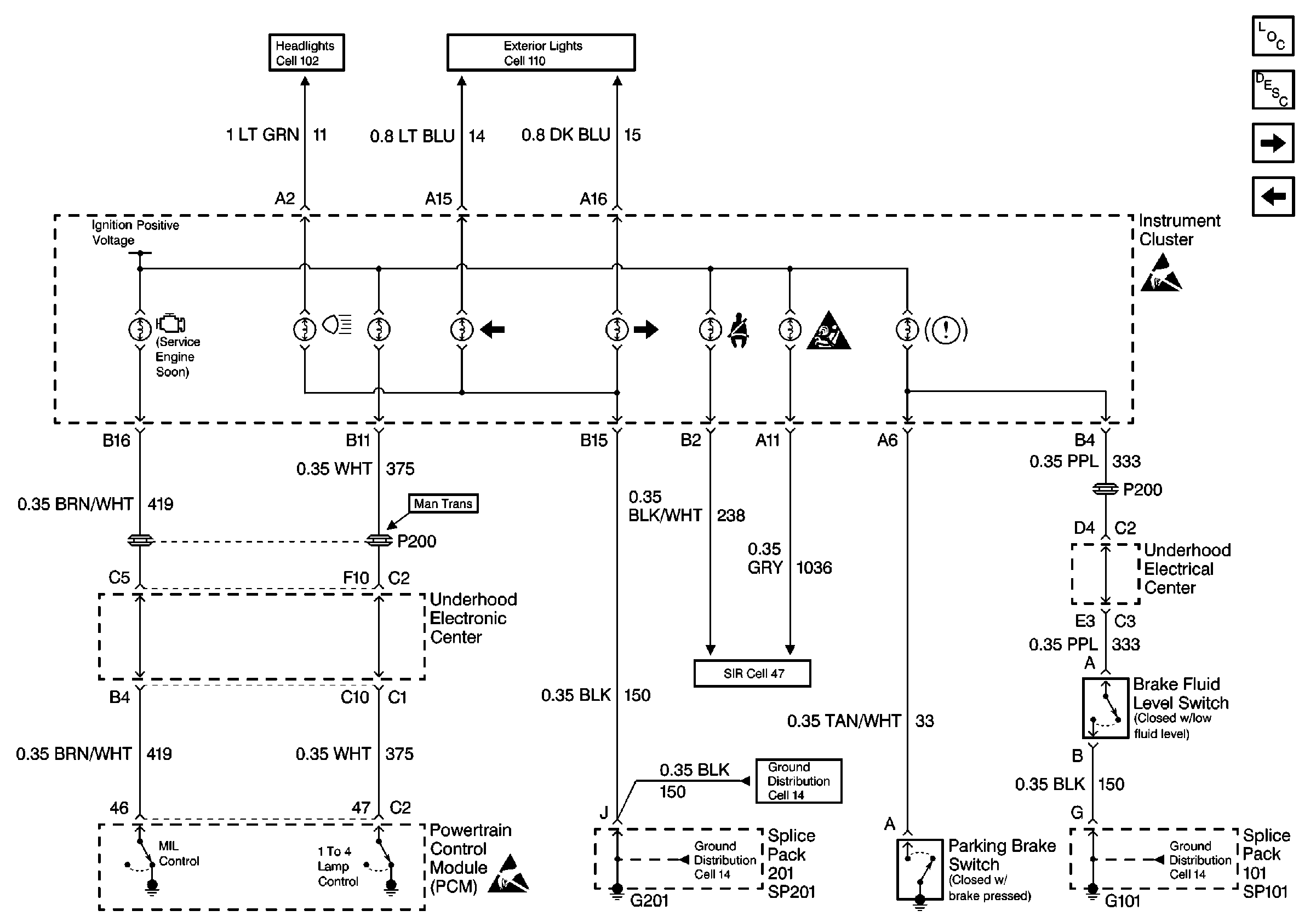
🢒 Cell 81: Indicators
Cell 81: Indicators
Cell 81: Indicators
Instrument Cluster Components
Indicator Description
Cell 81: Miscellaneous Switch Inputs
Cell 81: Power, Ground and DLC
Handling ESD Sensitive Parts Notice
Cell 14: SP101, SP100, G101, G102
Cell 110: DRL Control
Cell 102: Headlamp Switch and Ambient Light Sensor
Cell 47: LH Seat Belt Switch and DLC
Cell 14: SP201, SP203, G201
Cell 14: SP201, SP203, G201
Handling ESD Sensitive Parts Notice