GM Service Manual Online
For 1990-2009 cars only
Makes
🢒
Chevrolet
🢒
2000
🢒
Corvette
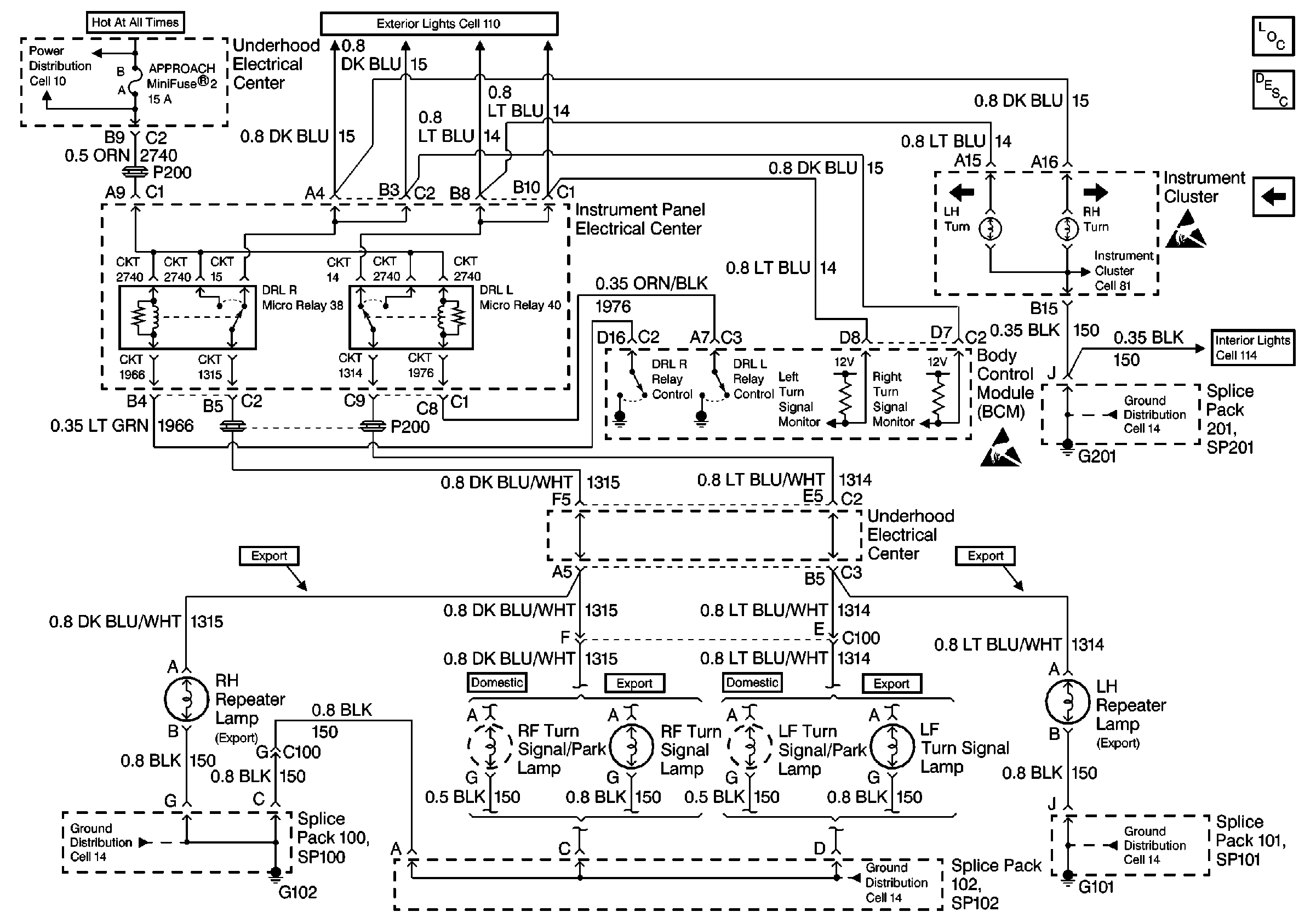
🢒 Cell 102: DRL Domestic and Export
Cell 102: DRL Domestic and Export
Cell 102: DRL Domestic and Export
Lighting Systems Components
Cell 102: High and Low Beams
Handling ESD Sensitive Parts Notice
Cell 114: CTSY LP Relay Control
Cell 14: SP201, SP203, G201
Handling ESD Sensitive Parts Notice
Cell 14: SP101, SP100, G101, G102
Cell 14: SP102, SP208, G104
Cell 14: SP101, SP100, G101, G102
Cell 10: U/H Fuses 49, 11, 6, 2, Relays 45, 36, 39, 38