GM Service Manual Online
For 1990-2009 cars only
Makes
🢒
Chevrolet
🢒
2000
🢒
Corvette
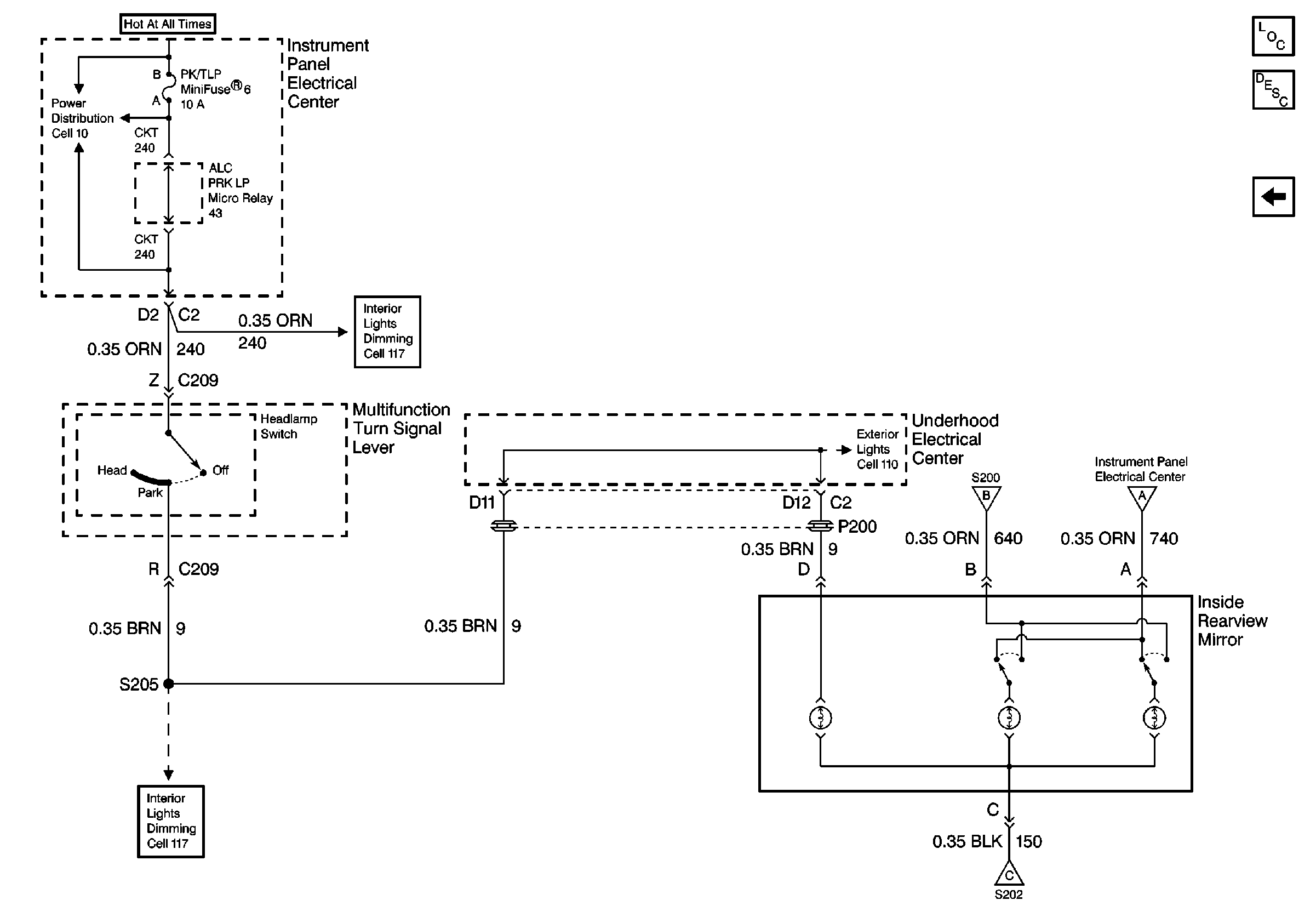
🢒 Cell 114: Inside Rearview Mirror
Cell 114: Inside Rearview Mirror
Cell 114: Inside Rearview Mirror
Lighting Systems Components
Interior Lights Circuit Description
Cell 114: MONITORED LD Relay Control
Cell 114: CTSY LP Relay Control
Cell 114: MONITORED LD Relay Control
Cell 114: MONITORED LD Relay Control
Cell 10: I/P Fuses 52, 6, Relays 43, 44, Circuit Breaker 54
Cell 117: ALC PRK LP Relay
Cell 117: ALC PRK LP Relay