GM Service Manual Online
For 1990-2009 cars only
Makes
🢒
Chevrolet
🢒
2000
🢒
Corvette
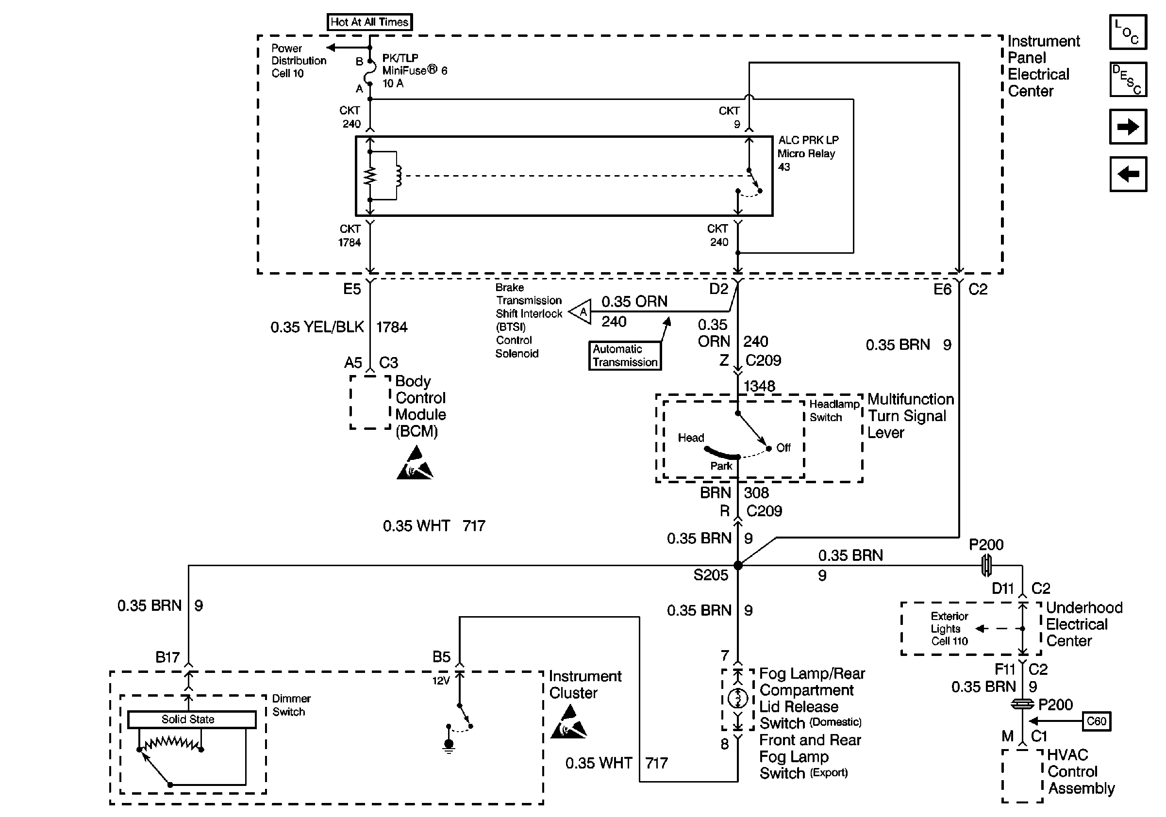
🢒 Cell 117: ALC PRK LP Relay
Cell 117: ALC PRK LP Relay
Cell 117: ALC PRK LP Relay
Lighting Systems Components
Interior Lights Dimming Circuit Description
Cell 117: Miscellaneous Dimming Control
Cell 117: Door and Radio Dimming Control
Cell 110: Front Park Lamps
Handling ESD Sensitive Parts Notice
Handling ESD Sensitive Parts Notice
Cell 117: Miscellaneous Dimming Control
Cell 10: I/P Fuses 52, 6, Relays 43, 44, Circuit Breaker 54