GM Service Manual Online
For 1990-2009 cars only
Makes
🢒
Chevrolet
🢒
2000
🢒
Corvette
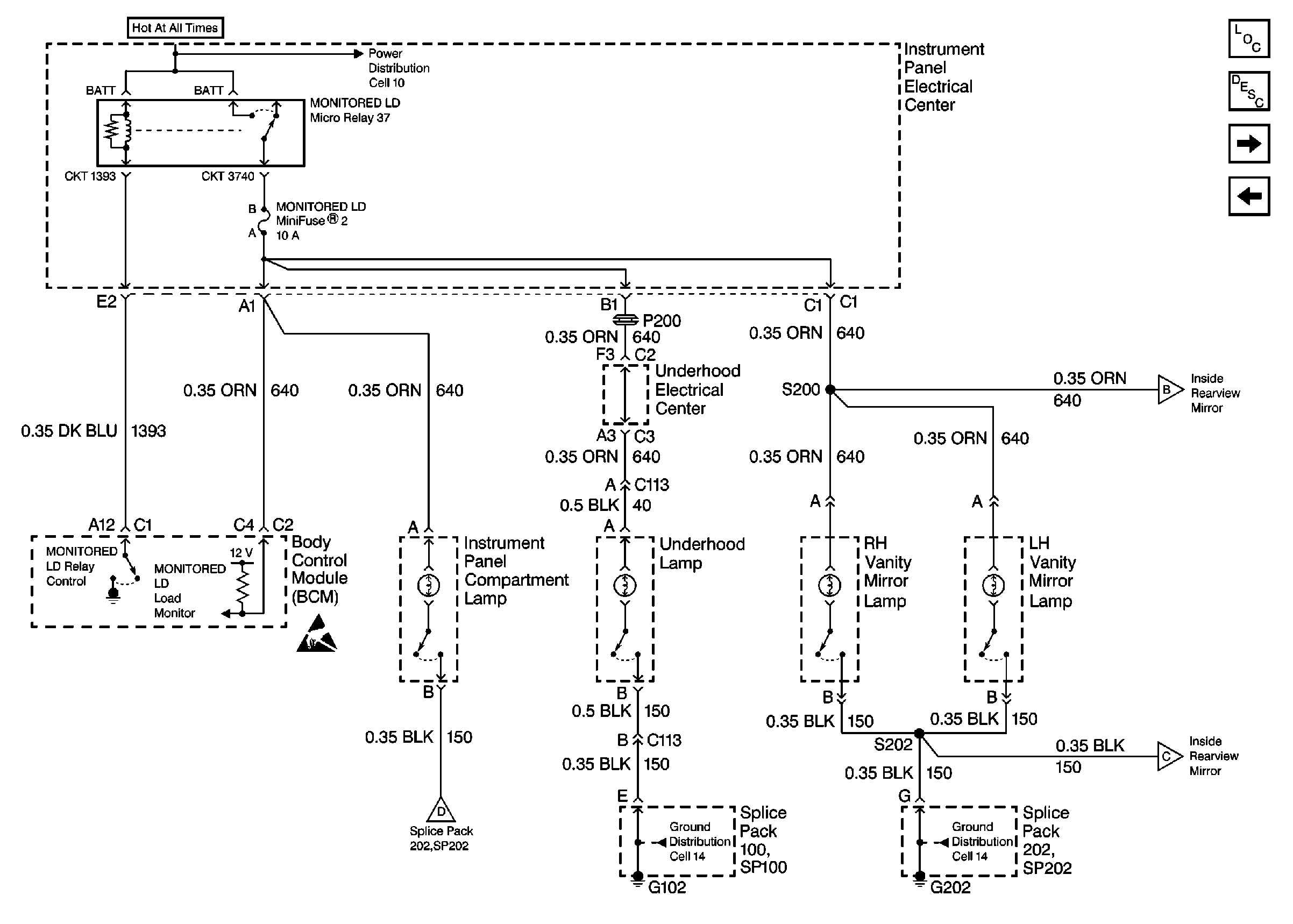
🢒 Cell 114: MONITORED LD Relay Control
Cell 114: MONITORED LD Relay Control
Cell 114: MONITORED LD Relay Control
Lighting Systems Components
Interior Lights Circuit Description
Cell 114: Inside Rearview Mirror
Cell 114: CTSY LP Relay Control
Cell 114: Inside Rearview Mirror
Cell 14: SP202, G202
Cell 14: SP101, SP100, G101, G102
Cell 114: CTSY LP Relay Control
Cell 10: I/P Fuse 2, Relay 37