GM Service Manual Online
For 1990-2009 cars only
Makes
🢒
Chevrolet
🢒
2000
🢒
Corvette
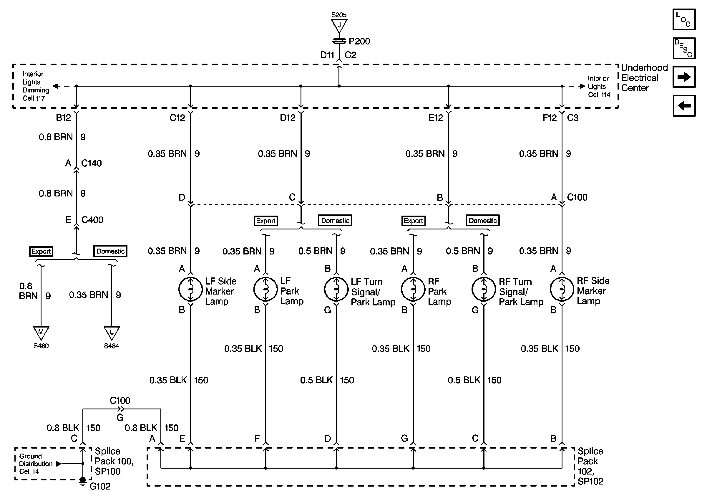
🢒 Cell 110: Front Park Lamps
Cell 110: Front Park Lamps
Cell 110: Front Park Lamps
Lighting Systems Components
Exterior Lights Circuit Description
Cell 110: Rear Park Lamps (Domestic)
Cell 110: ALC PRK LP Relay
Cell 114: Inside Rearview Mirror
Cell 110: ALC PRK LP Relay
Cell 117: ALC PRK LP Relay
Cell 110: Rear Park Lamps (Export)
Cell 110: Rear Park Lamps (Domestic)
Cell 14: SP101, SP100, G101, G102