GM Service Manual Online
For 1990-2009 cars only
Makes
🢒
Chevrolet
🢒
2000
🢒
Corvette
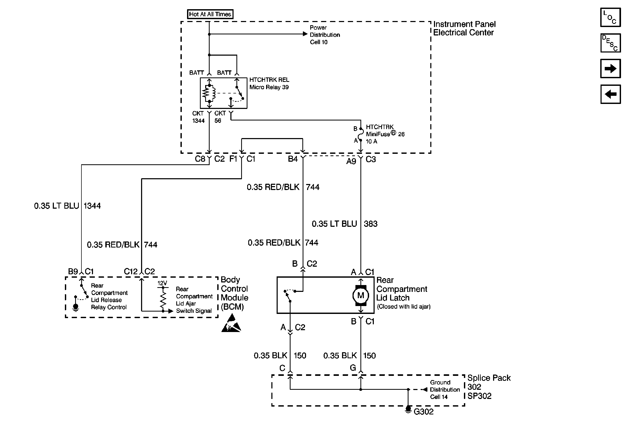
🢒 Cell 134: Rear Compartment Lid Release (Hardtop/Convertible)
Cell 134: Rear Compartment Lid Release (Hardtop/Convertible)
Cell 134: Rear Compartment Lid Release (Hardtop/Convertable)
Body Rear End Components
Cell 134: Rear Compartment Lid Release (Coupe)
Cell 134: Power, Ground and DLC
Cell 14: SP302, G302
Handling ESD Sensitive Parts Notice
Cell 10: I/P Fuses 32, 26, Relay 39