GM Service Manual Online
For 1990-2009 cars only
Makes
🢒
Chevrolet
🢒
2000
🢒
Corvette
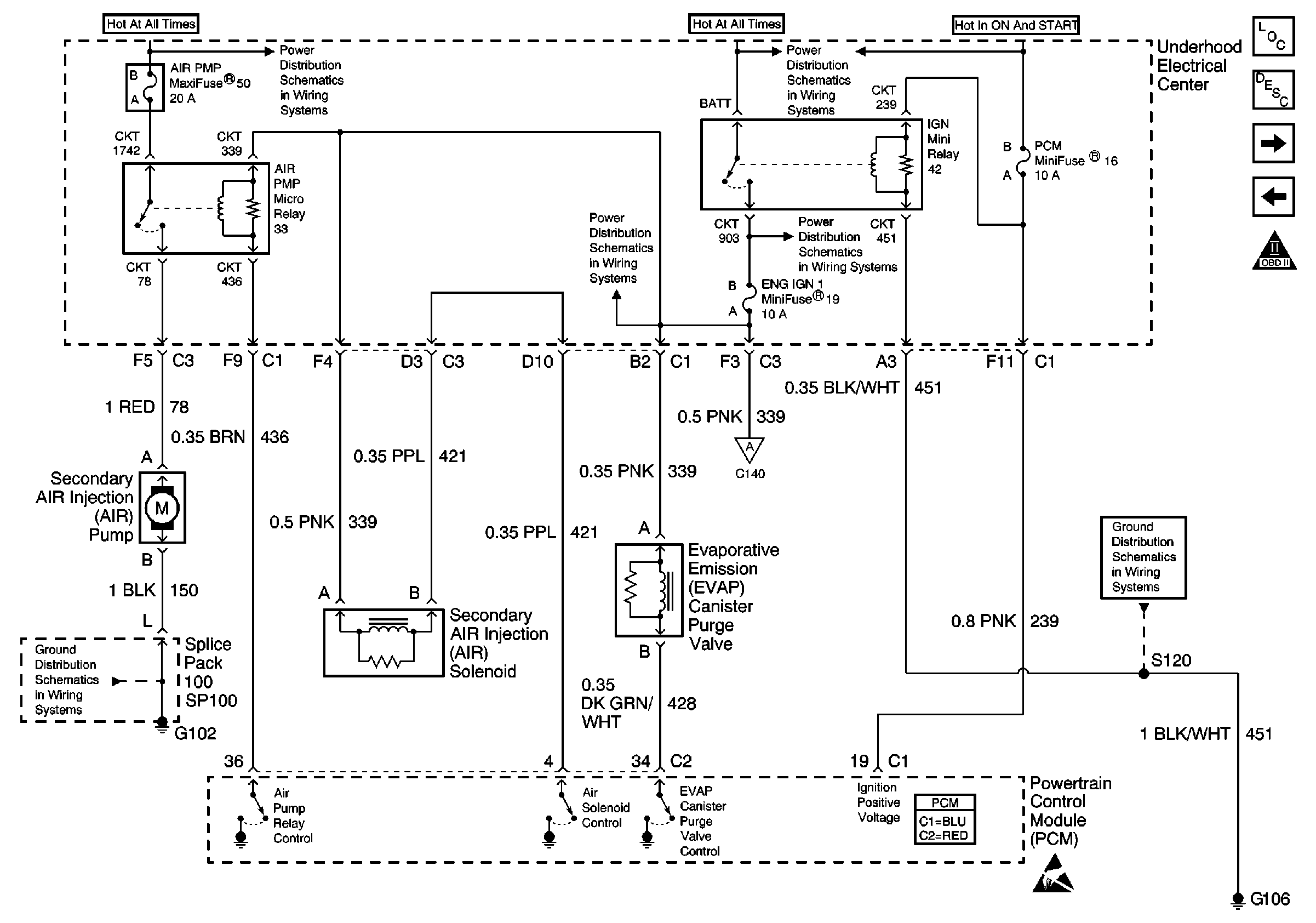
🢒 EVAP and AIR
EVAP and AIR
EVAP and AIR
Engine Controls Components
Evaporative Emissions Vent Valve Solenoid
Heated Oxygen Sensors (HO2S)
OBD II Symbol Description Notice
Handling ESD Sensitive Parts Notice
Power Distribution Schematics
Power Distribution Schematics
Power Distribution Schematics
Power Distribution Schematics
Ground Distribution Schematics
Ground Distribution Schematics
Evaporative Emissions Vent Valve Solenoid