GM Service Manual Online
For 1990-2009 cars only
Makes
🢒
Chevrolet
🢒
2001
🢒
Corvette
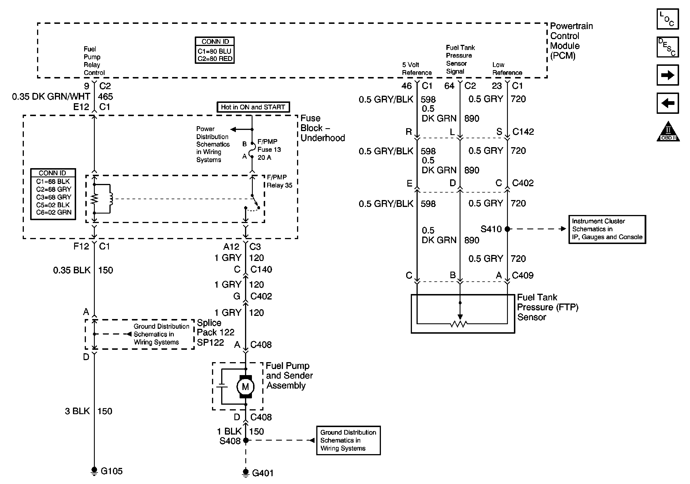
🢒 Fuel Pump and Fuel Tank Pressure Sensor
Fuel Pump and Fuel Tank Pressure Sensor
Fuel Pump and Fuel Tank Pressure Sensor
Master Electrical Component List
Fuel System Description
AIR System and Evaporative Emission (EVAP) Canister Purge Valve
Throttle Position (TP) and Accelerator Pedal Position (APP) Sensors
OBD II Symbol Description Notice
Underhood Electrical Center Fuses 14, 13, 16, 15, 5 and Relays 43,44, 35 and 42
G106 and G105
G401
Temperature, Fuel and Oil Pressure Gauges