GM Service Manual Online
For 1990-2009 cars only
Makes
🢒
Chevrolet
🢒
2001
🢒
Corvette
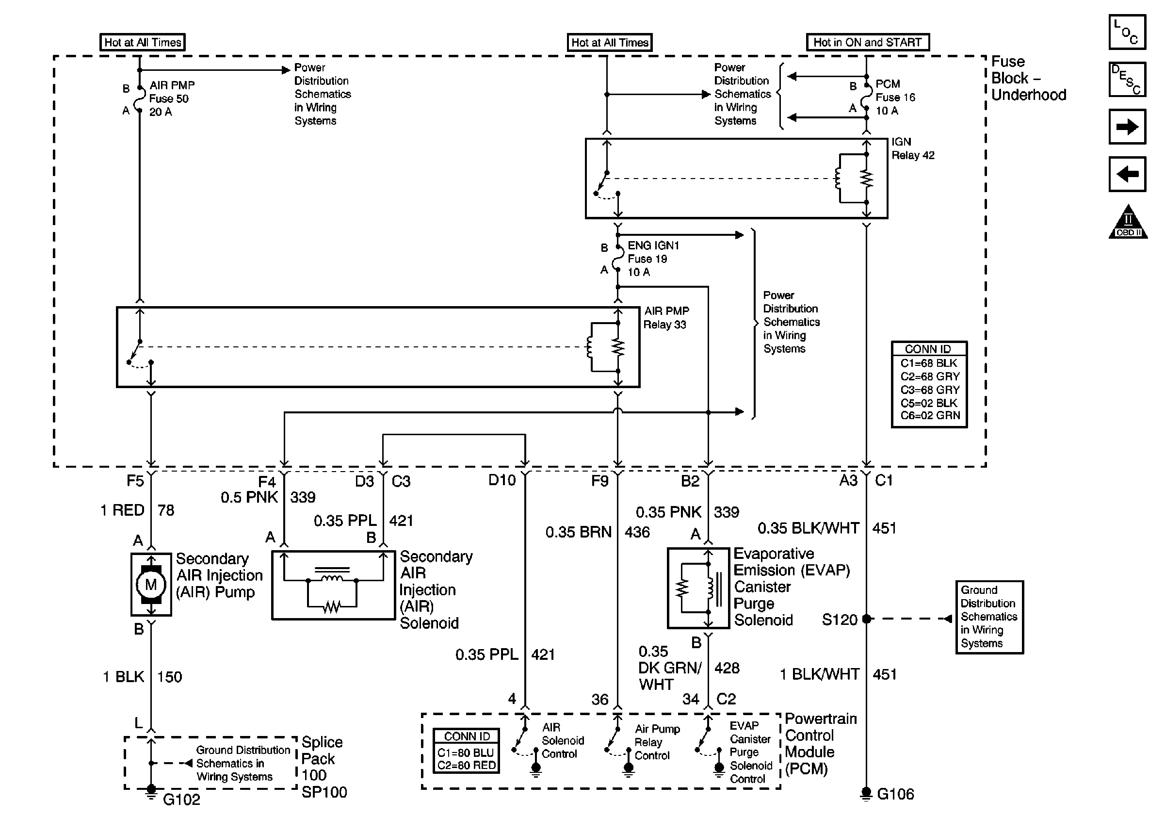
🢒 AIR System and Evaporative Emission (EVAP) Canister Purge Valve
AIR System and Evaporative Emission (EVAP) Canister Purge Valve
AIR System and Evaporative Emission (EVAP) Canister Purge Valve
Master Electrical Component List
Fuel System Description
Evaporative Emission (EVAP) Vent Valve Solenoid
Fuel Pump and Fuel Tank Pressure Sensor
OBD II Symbol Description Notice
Underhood Electrical Center Bussing (2 of 2)
G101 and G102
Underhood Electrical Center Fuses 14, 13, 16, 15, 5 and Relays 43,44, 35 and 42
Underhood Electrical Center Bussing (2 of 2)
G106 and G105