GM Service Manual Online
For 1990-2009 cars only
Makes
🢒
Chevrolet
🢒
2001
🢒
Corvette
🢒 Courtesy Lamps
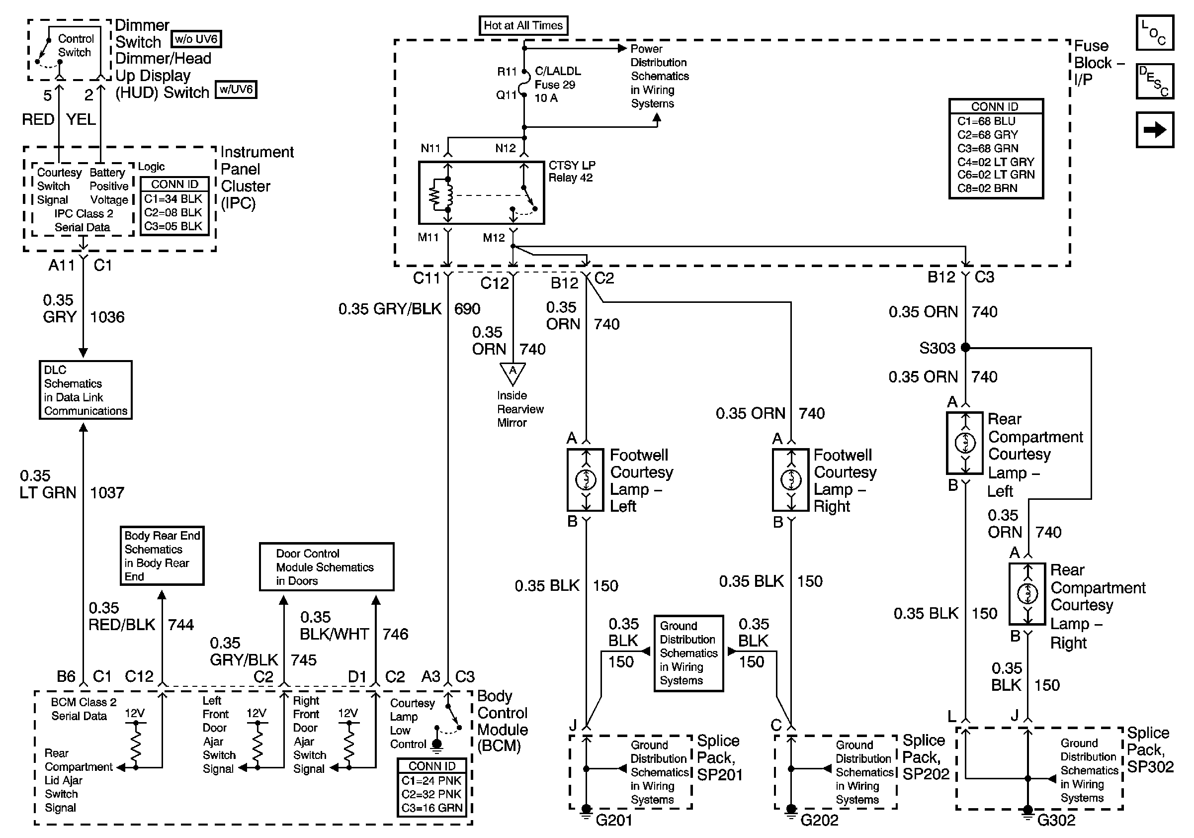
Courtesy Lamps
Courtesy Lamps
Master Electrical Component List
Interior Lighting Systems Description and Operation
Vanity Mirror, Inside Rearview Mirror, Underhood and Instrument Panel Compartment Lamps
Instrument Panel Electrical Center Bussing (2 of 2)
Vanity Mirror, Inside Rearview Mirror, Underhood and Instrument Panel Compartment Lamps
LH Door Power, Ground and DLC
G201
G201
G202
G301, G402 and G302