GM Service Manual Online
For 1990-2009 cars only
Makes
🢒
Chevrolet
🢒
2001
🢒
Corvette
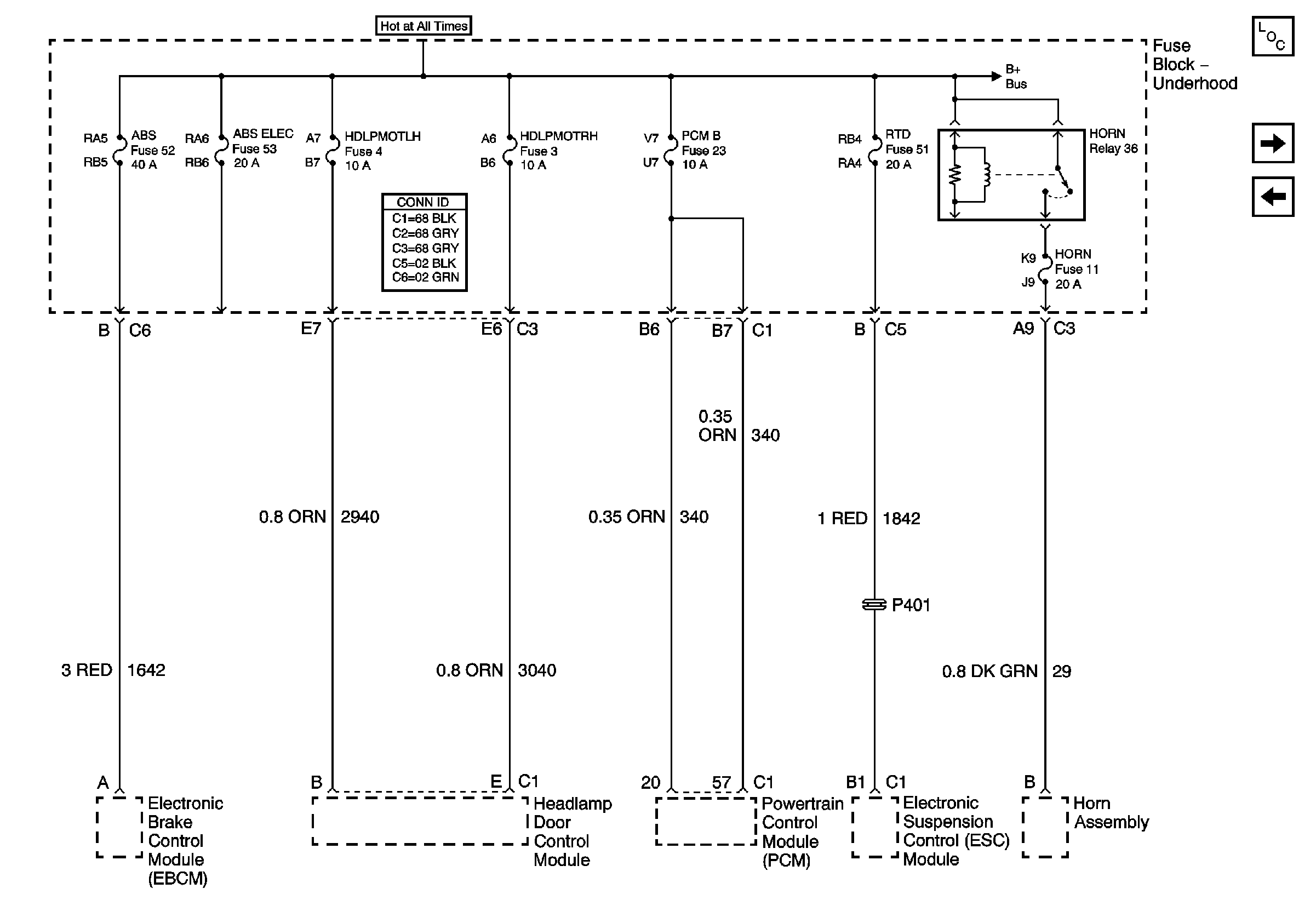
🢒 Underhood Electrical Center Fuses 52, 53, 4, 3, 23, 51, 11 and Relay36
Underhood Electrical Center Fuses 52, 53, 4, 3, 23, 51, 11 and Relay36
Fuse Block -- Underhood Fuses 52, 53, 4, 3, 23, 51, 11 and Relay 36
Master Electrical Component List
Underhood Electrical Center Fuses 1, 6, 2 and Relays 37, 39, 38 and Instrument Panel Electrical Center Relays 40 and 38
Instrument Panel Electrical Center Bussing (2 of 2)