GM Service Manual Online
For 1990-2009 cars only
Makes
🢒
Chevrolet
🢒
2002
🢒
Corvette
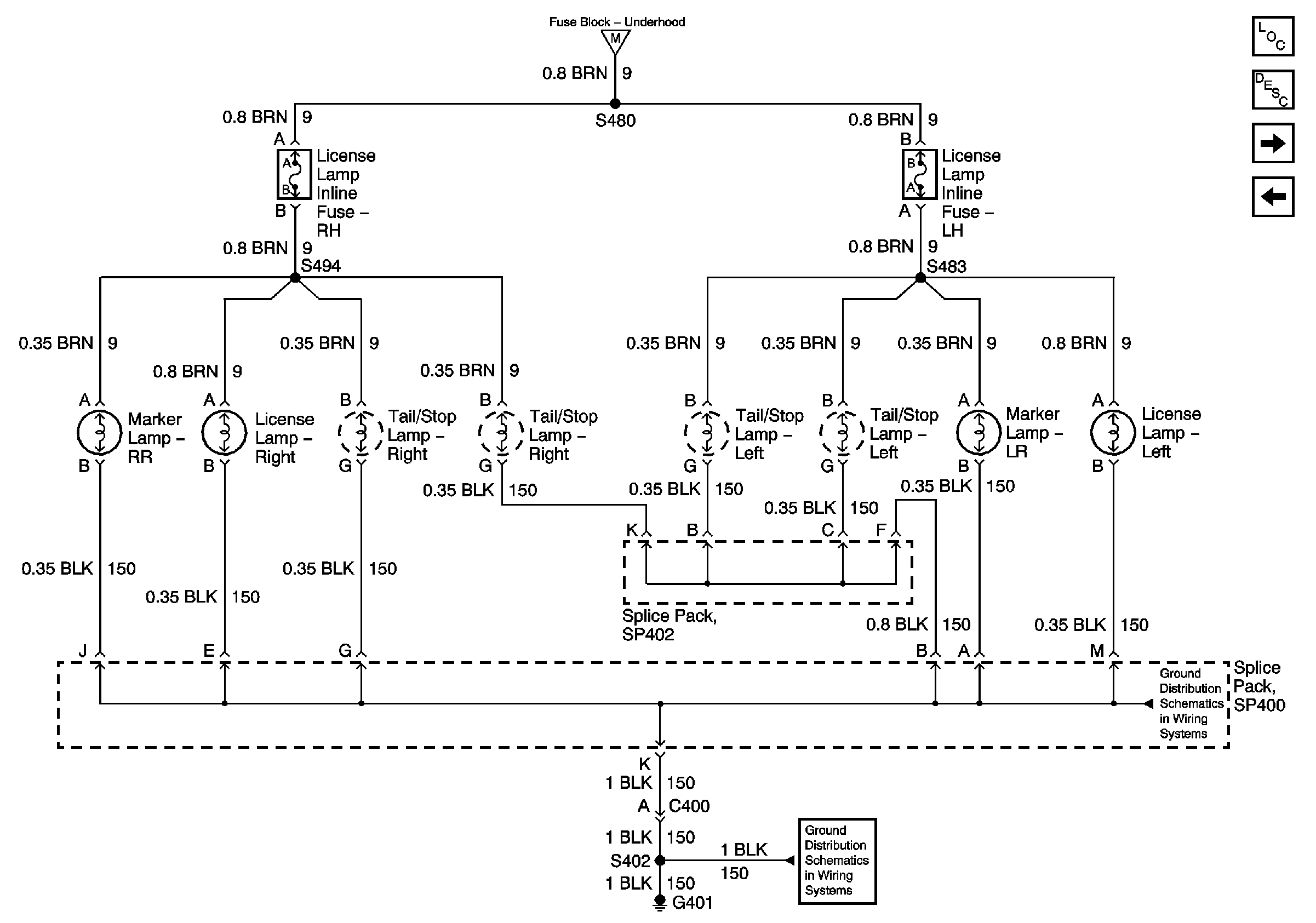
🢒 Rear Park Lamps (Export)
Rear Park Lamps (Export)
Rear Park Lamps - Export
Master Electrical Component List
Exterior Lighting Systems Description and Operation
Backup Lamp Control
Rear Park Lamps (Domestic)
Front Park Lamps
G401
G401