GM Service Manual Online
For 1990-2009 cars only
Makes
🢒
Chevrolet
🢒
2002
🢒
Corvette
🢒 Device Controls
Device Controls
Device Controls
Master Electrical Component List
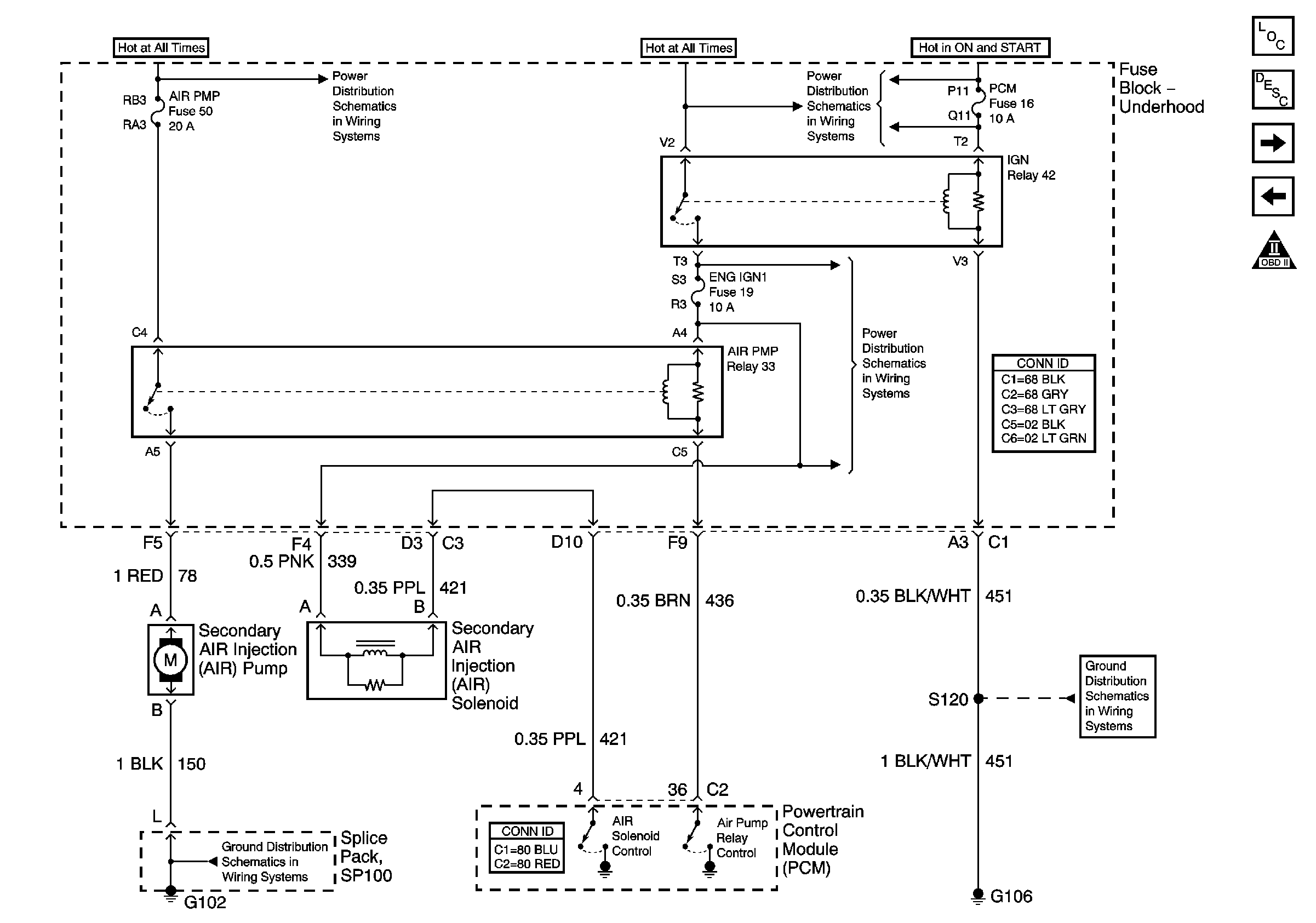
Secondary Air Injection System Description
Controlled/Monitored Subsystem References
Fuel Controls - EVAP Controls
Engine Controls Schematic Icons
Underhood Electrical Center Bussing (2 of 2)
Underhood Electrical Center Fuses 14, 13, 16, 15, 5 and Relays 43,44, 35 and 42
Underhood Electrical Center Bussing (2 of 2)
G101 and G102
G106 and G105