GM Service Manual Online
For 1990-2009 cars only
Makes
🢒
Chevrolet
🢒
2002
🢒
Corvette
🢒 Controlled/Monitored Subsystem References
Controlled/Monitored Subsystem References
Controled/Monitored Subsystem References
Master Electrical Component List
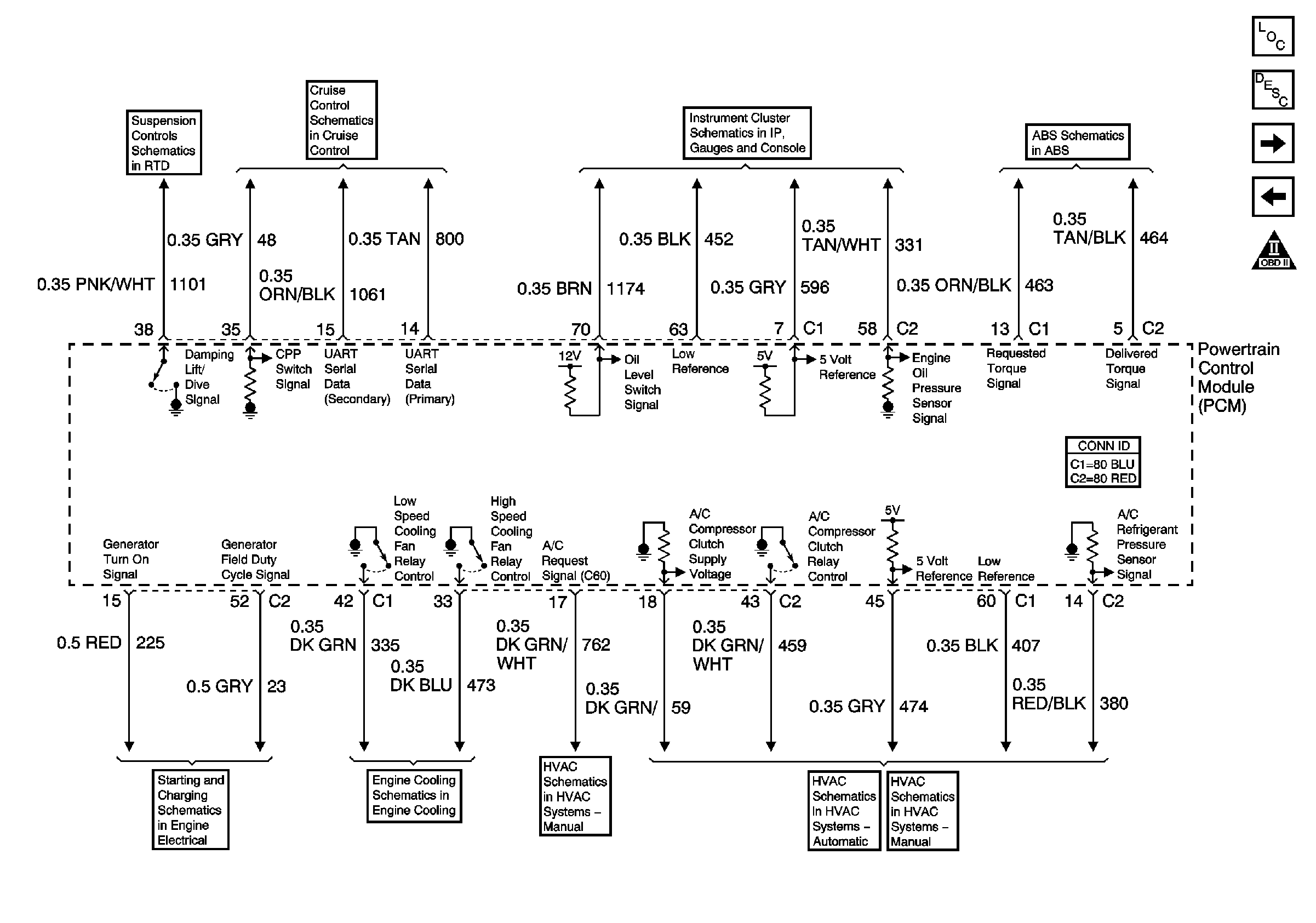
Powertrain Control Module Description
Transmission Controls - PNP Switch
Device Controls
Engine Controls Schematic Icons
ESC and Traction/Suspension Control Switch
CruiseControl Switch,Throttle Actuator Control Motor and Cruise ControlRelease Switch
Temperature,Fuel and Oil Pressure Gauges
Traction Control Request,DLC,Torque and Steering Position Signal
Generator
01 Y-Car: Cooling Fan Schematics
Compressor Controls
Compressor Controls
Compressor Controls