GM Service Manual Online
For 1990-2009 cars only
Makes
🢒
Chevrolet
🢒
2004
🢒
Corvette
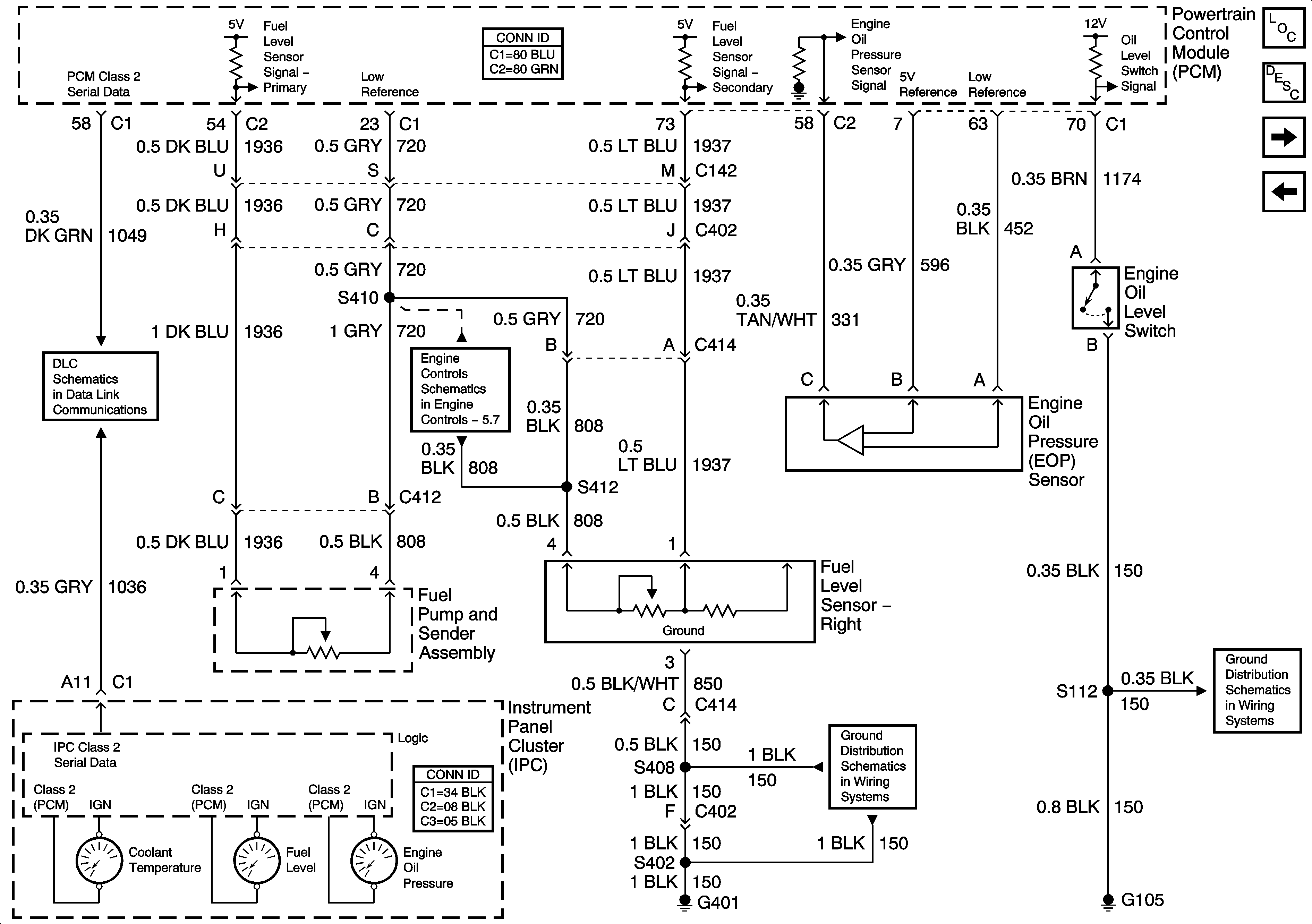
🢒 Temperature, Fuel Level and Oil Pressure Gauges
Temperature, Fuel Level and Oil Pressure Gauges
Temperature, Fuel Level and Oil Pressure Gages
Master Electrical Component List
Instrument Cluster Description and Operation
Driver Information Center, Engine Oil Temperature Gauge Sensor and Dimmer Switch
Indicators
Star Connectors
Fuel Controls - Evap Controls
G401
G106 and G105