GM Service Manual Online
For 1990-2009 cars only
Makes
🢒
Chevrolet
🢒
2005
🢒
Corvette
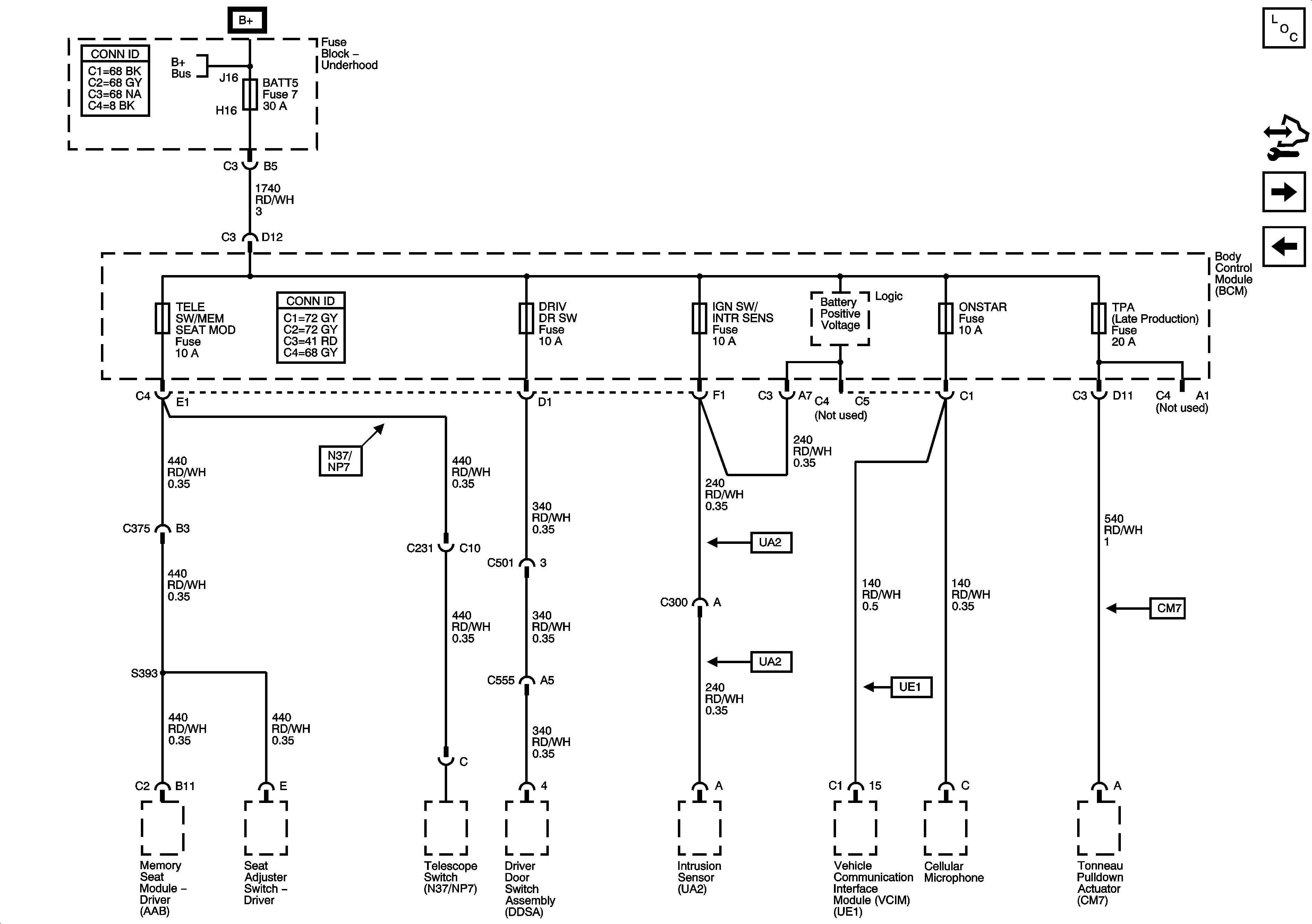
🢒 Fuse Block-Underhood Fuse; BATT5,BCM Fuses; TILT TELE SW/ MEM SEAT MOD, DRIV DR SW, IGNITION SW/ INTR SENS, ONSTAR, TONNEAU PULLDOWN ACTUATOR
Fuse Block-Underhood Fuse; BATT5,BCM Fuses; TILT TELE SW/ MEM SEAT MOD, DRIV DR SW, IGNITION SW/ INTR SENS, ONSTAR, TONNEAU PULLDOWN ACTUATOR
Fuse Block-Underhood Fuse; BATT 5, BCM Fuses; TILT TELE SW/MIM SEAT MOD, DRIV DR SW,IGNITON SW/ INTR SENS, ONSTAR, TONNEAU PULLDOWN ACTUATOR
Master Electrical Component List
Control Module References
Fuse Block-Underhood Fuses; BATT3, STOP/BU/LPS, BCM Fuses; BTSI SOL,COL LOCK, RADIO/S-BAND/VICS, TONNEAU RELEASE, REAR FOG/ALDL TOP SW, REVERSE LAMPS
Fuse Block-I/P Fuses; CIGAR LIGHTER, AUXILIARY POWER, TRUNK LATCH
Fuse Block-Underhood Bussing