GM Service Manual Online
For 1990-2009 cars only
Makes
🢒
Chevrolet
🢒
2005
🢒
Corvette
🢒 Engine Data Sensors-Oxygen Sensors
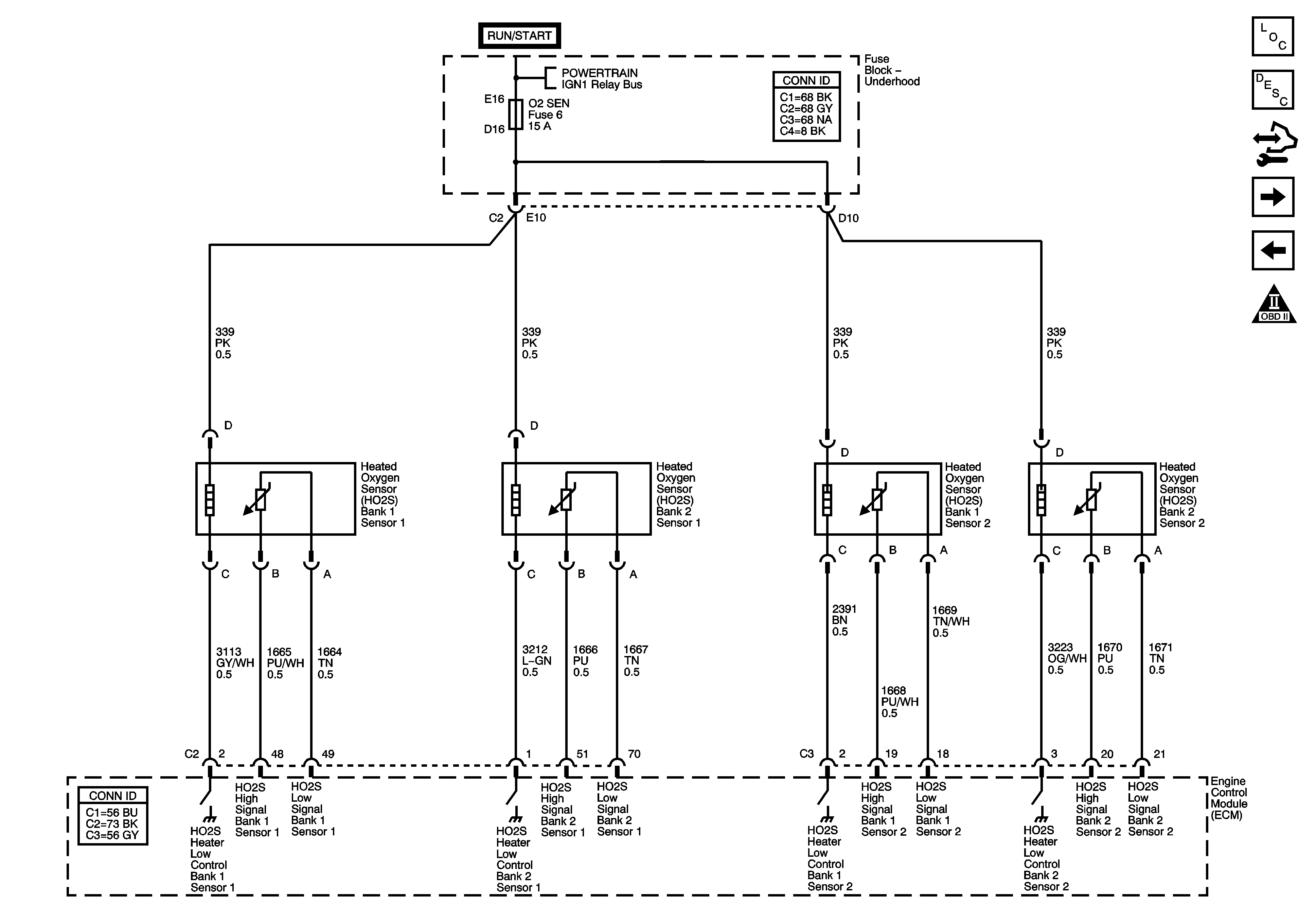
Engine Data Sensors-Oxygen Sensors
Engine Data Sensors - Oxygen Sensors
Master Electrical Component List
Knock Sensor (KS) System Description
Control Module References
Engine Data Sensors-Electronic Throttle Controls
Engine Data Sensors-Pressure, Temperature, MAF, VSS and Brake Travel
OBD II Symbol Description Notice
Fuse Block-Underhood Fuses; ETC, O2 SEN, MAN TRANS, EMISSION, ODD INJ, EVEN INJ