GM Service Manual Online
For 1990-2009 cars only
Makes
🢒
Chevrolet
🢒
2005
🢒
Corvette
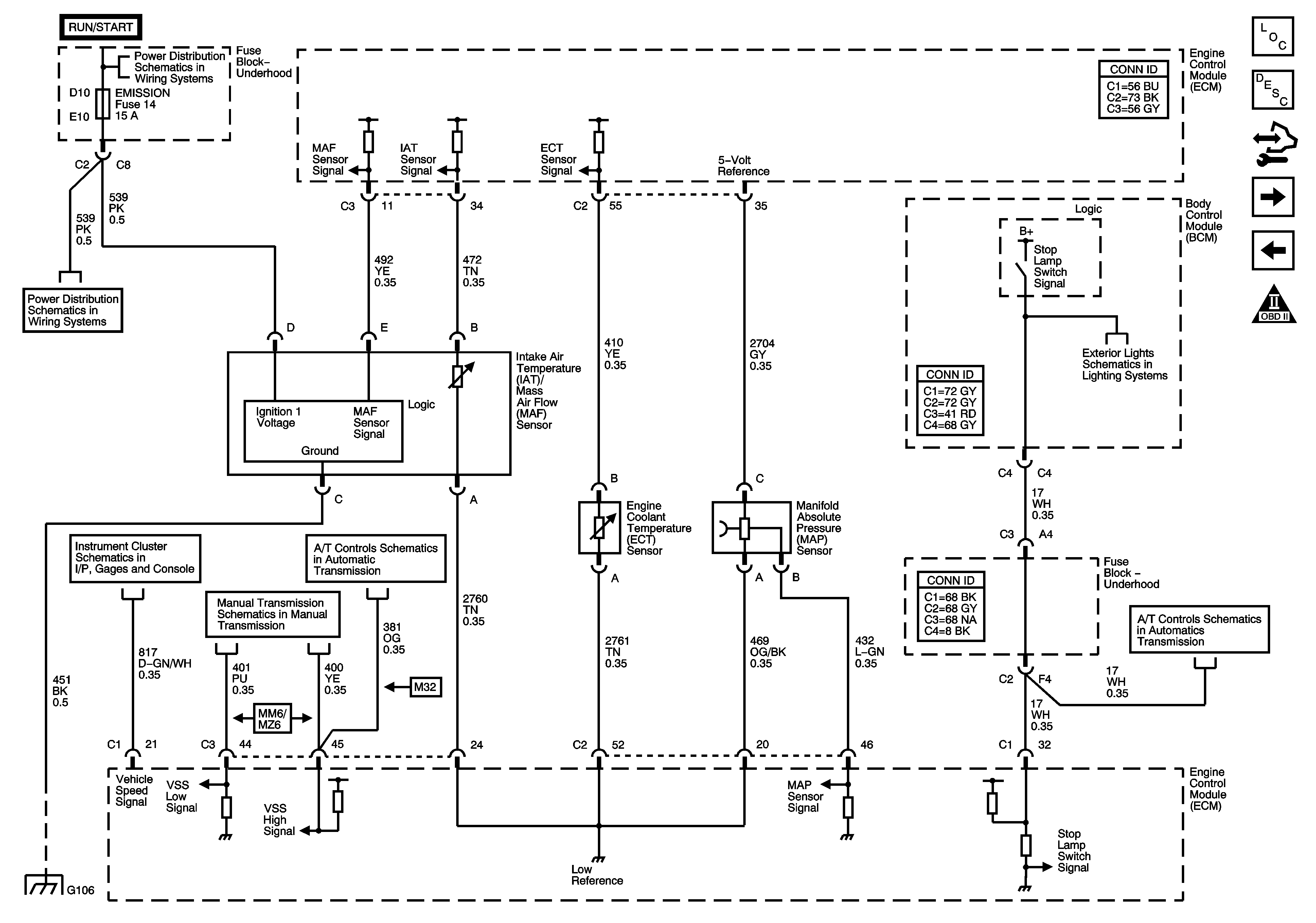
🢒 Engine Data Sensors-Pressure, Temperature, MAF, VSS and Brake Travel
Engine Data Sensors-Pressure, Temperature, MAF, VSS and Brake Travel
Engine Data Sensors -- Pressure, Temperature, MAF, VSS and Brake Travel
Master Electrical Component List
Air Intake System Description
Control Module References
Engine Data Sensors-Oxygen Sensors
Low Reference Bussing
OBD II Symbol Description Notice
Fuse Block-Underhood Fuses; ETC, O2 SEN, MAN TRANS, EMISSION, ODD INJ, EVEN INJ
Fuse Block-Underhood Fuses; ETC, O2 SEN, MAN TRANS, EMISSION, ODD INJ, EVEN INJ
Hazard, Stop Lamps and Turn Signal Outputs
Gages
Manual Transmission Schematics
PNP, Solenoids, TFT and VSS
DLC, Ground, MIL and Power
G104 and G106