GM Service Manual Online
For 1990-2009 cars only
Makes
🢒
Chevrolet
🢒
2005
🢒
Corvette
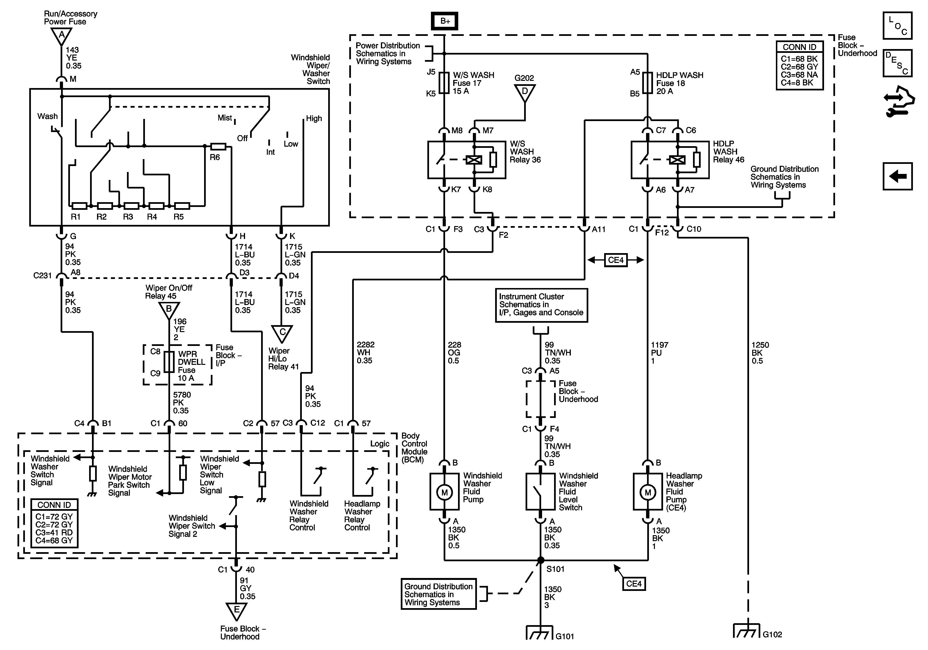
🢒 Wiper/Washer Switch, Washer Pumps and Level Switch
Wiper/Washer Switch, Washer Pumps and Level Switch
Wiper/Washer Switch, Washer Pumps and Level Switch
Master Electrical Component List
Wiper/Washer System Description and Operation
Control Module References
Power, Ground and Wiper Motor
Power, Ground and Wiper Motor
Fuse Block-Underhood Bussing
Power, Ground and Wiper Motor
G102
Power, Ground and Wiper Motor
Power, Ground and Wiper Motor
Power, Ground, DLC and Indicators
Power, Ground and Wiper Motor
G101
G101
G102