GM Service Manual Online
For 1990-2009 cars only
Makes
🢒
Chevrolet
🢒
2005
🢒
Corvette
🢒 Power, Ground and Wiper Motor
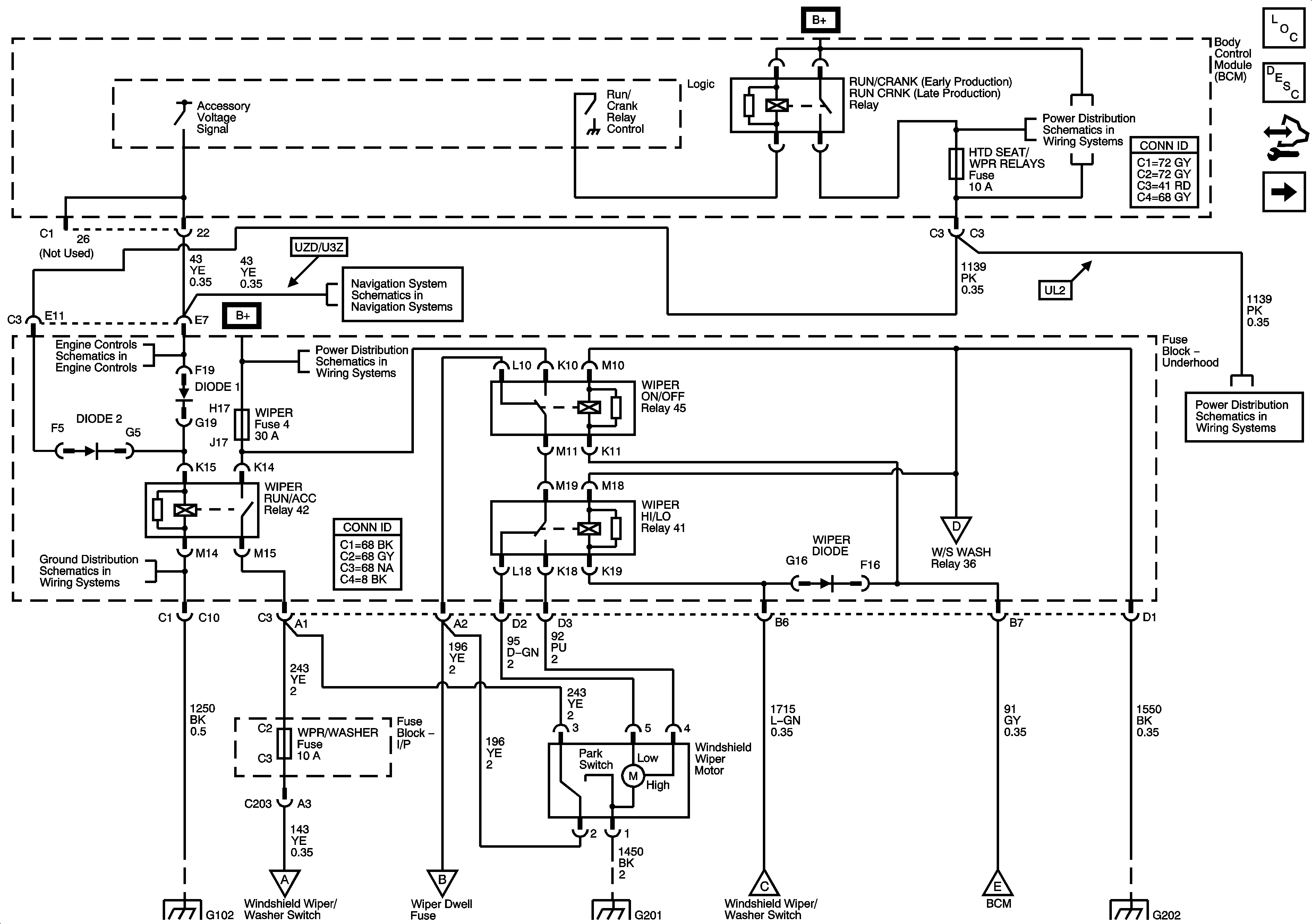
Power, Ground and Wiper Motor
Power, Ground and Wiper Motor
Master Electrical Component List
Wiper/Washer System Description and Operation
Control Module References
Wiper/Washer Switch, Washer Pumps and Level Switch
BCM Fuses; CLUSTER, DOOR LOCKS, INTERIOR LIGHTS, HVAC/PWR SND, ISRVM/HVAC, CRUISE SW
Japan
BCM Fuses; HTD SEAT/WIPER, GMLAN DEVICES, ECM, SDM/PSIR SW, Fuse Block-Underhood Fuses; TCM/TRANS, ABS/MRRTD
DLC, Ground, MIL and Power
Fuse Block-Underhood Fuses; LT HI BM, RT HI BM, LT LO BM, RT LO BM, WIPER, W/S WASH, Fuse Block-I/P Fuses; WIPER DWELL, RUN/ACCESSORY POWER
G102
Wiper/Washer Switch, Washer Pumps and Level Switch
G102
Wiper/Washer Switch, Washer Pumps and Level Switch
Wiper/Washer Switch, Washer Pumps and Level Switch
G201
Wiper/Washer Switch, Washer Pumps and Level Switch
Wiper/Washer Switch, Washer Pumps and Level Switch
G202 1 of 2