GM Service Manual Online
For 1990-2009 cars only
Makes
🢒
Chevrolet
🢒
2005
🢒
Corvette
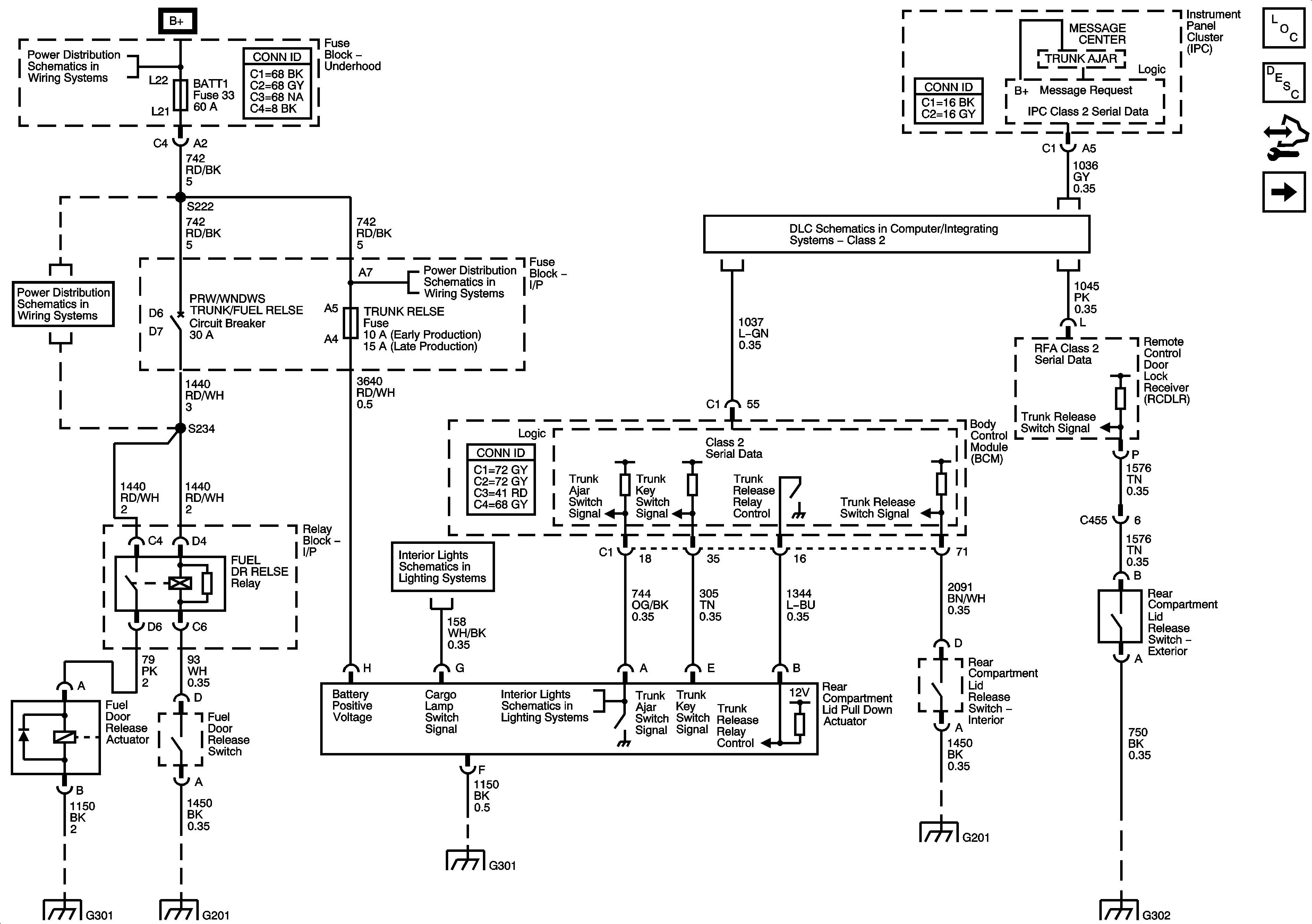
🢒 Body Rear End Schematics
Body Rear End Schematics
Coupe (Y07)
Master Electrical Component List
Luggage Compartment Description and Operation (Coupe)
Control Module References
Convertible (Y67)
Fuse Block-Underhood Fuses; BATT1, Fuse Block-I/P Fuses; HEATED SEAT LH, HEATED SEAT RH, POWER LUMBAR LH/RH, Fuse Block-I/P Circuit Breakers; DOOR CONTROLS, POWER SEATS
Fuse Block-Underhood Fuses; BATT1, Fuse Block-I/P Fuses; HEATED SEAT LH, HEATED SEAT RH, POWER LUMBAR LH/RH, Fuse Block-I/P Circuit Breakers; DOOR CONTROLS, POWER SEATS
Fuse Block-I/P Fuses; CIGAR LIGHTER, AUXILIARY POWER, TRUNK LATCH
Class 2
Rear Compartment Courtesy Lamps
G301
G201
G301
G201
G302, G401 and G402