GM Service Manual Online
For 1990-2009 cars only
Makes
🢒
Chevrolet
🢒
2005
🢒
Corvette
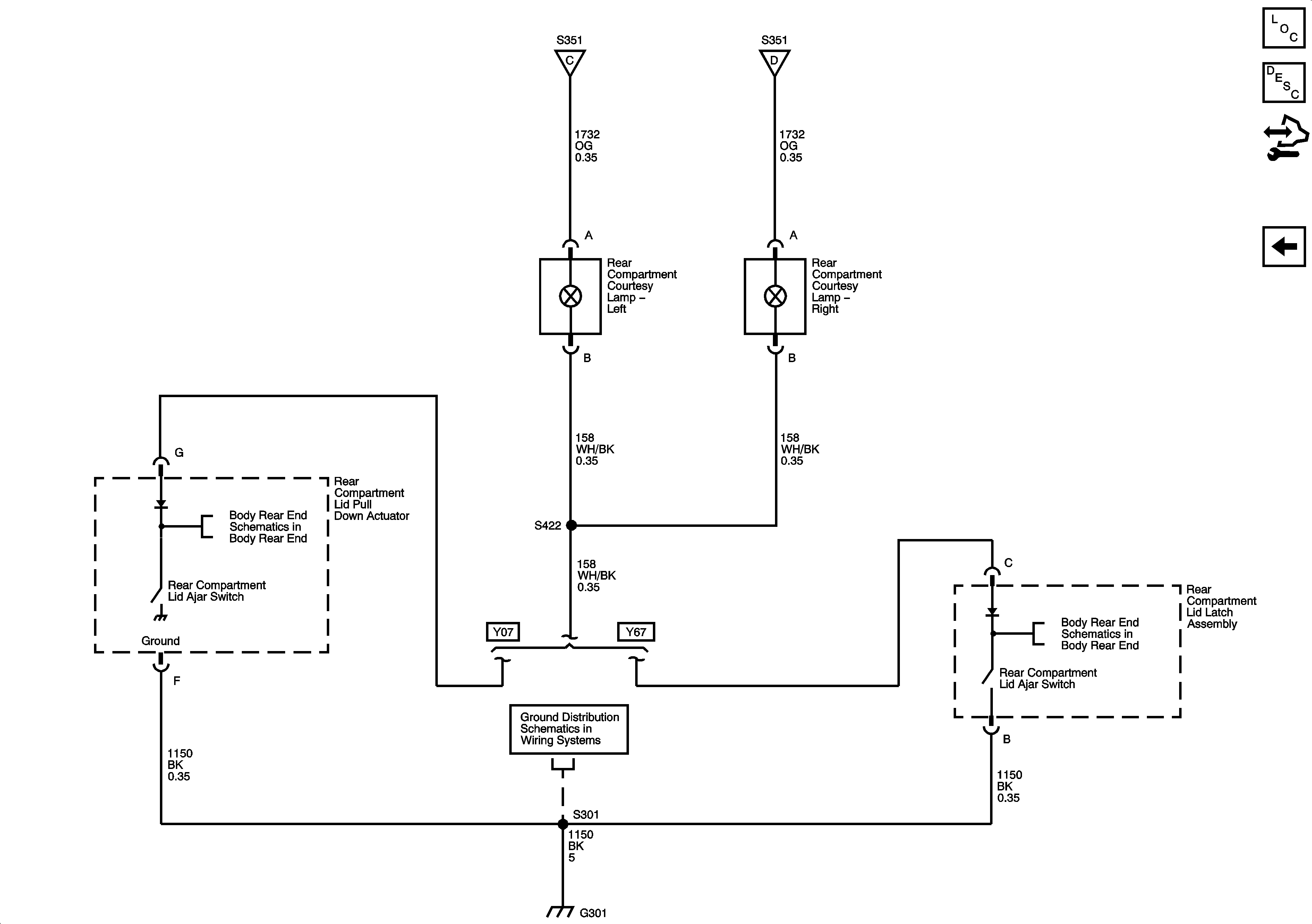
🢒 Rear Compartment Courtesy Lamps
Rear Compartment Courtesy Lamps
Rear Compartment Courtesy Lamps
Master Electrical Component List
Interior Lighting Systems Description and Operation
Control Module References
I/P Dimmer Switch, Underhood, Vanity Mirrors, Courtesy, I/P Compartment and Inside Rearview Mirror Lamps
I/P Dimmer Switch, Underhood, Vanity Mirrors, Courtesy, I/P Compartment and Inside Rearview Mirror Lamps
I/P Dimmer Switch, Underhood, Vanity Mirrors, Courtesy, I/P Compartment and Inside Rearview Mirror Lamps
Body Rear End Schematics
Convertible (Y67)
G301
G301