GM Service Manual Online
For 1990-2009 cars only
Makes
🢒
Chevrolet
🢒
2005
🢒
Corvette
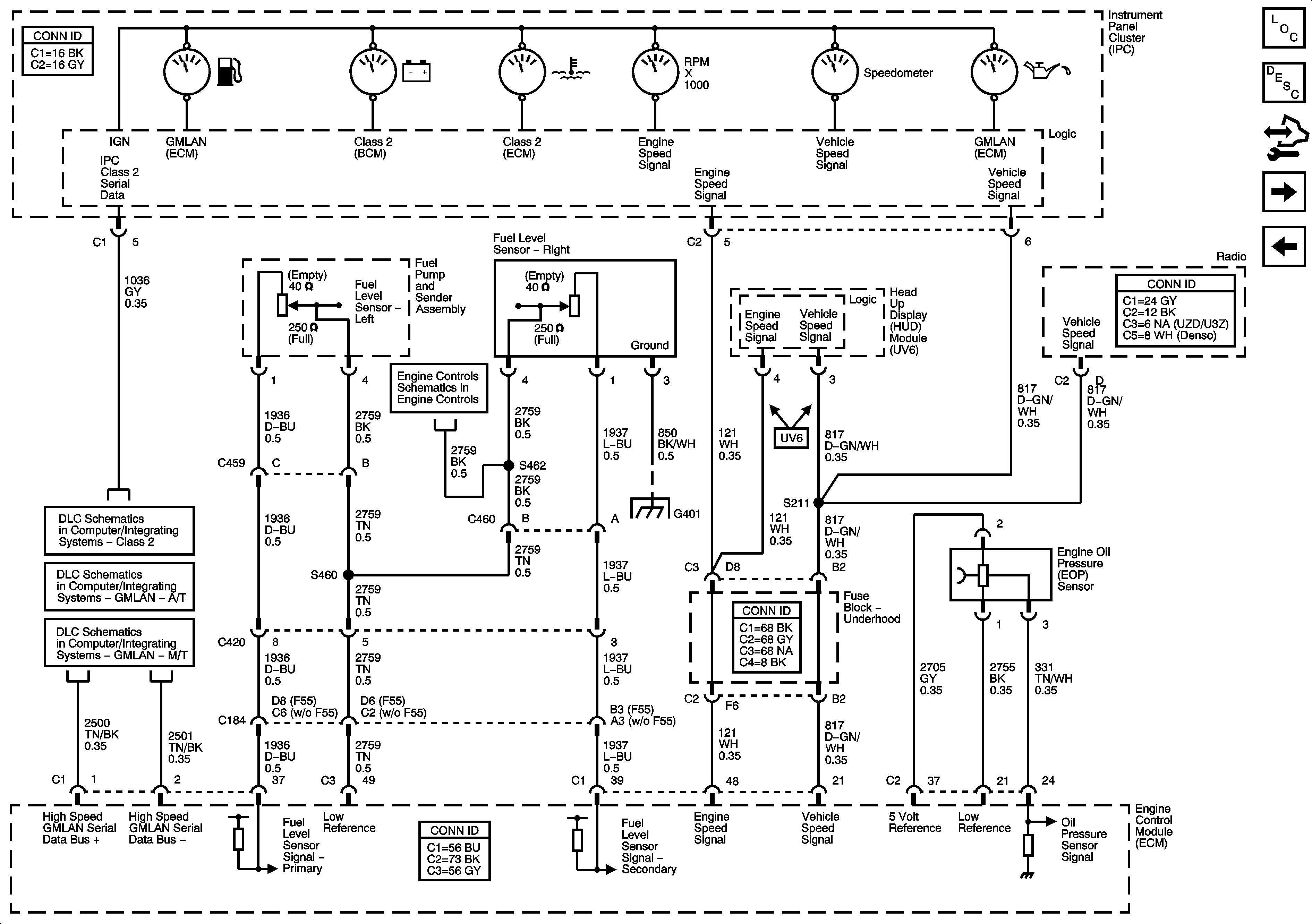
🢒 Gages
Gages
Gages
Master Electrical Component List
Instrument Cluster Description and Operation
Control Module References
Messages
Power, Ground, DLC and Indicators
Low Reference Bussing
Class 2
G302, G401 and G402
GMLAN - A/T
GMLAN - M/T