GM Service Manual Online
For 1990-2009 cars only
Makes
🢒
Chevrolet
🢒
2005
🢒
Corvette
🢒 Messages
Messages
Messages
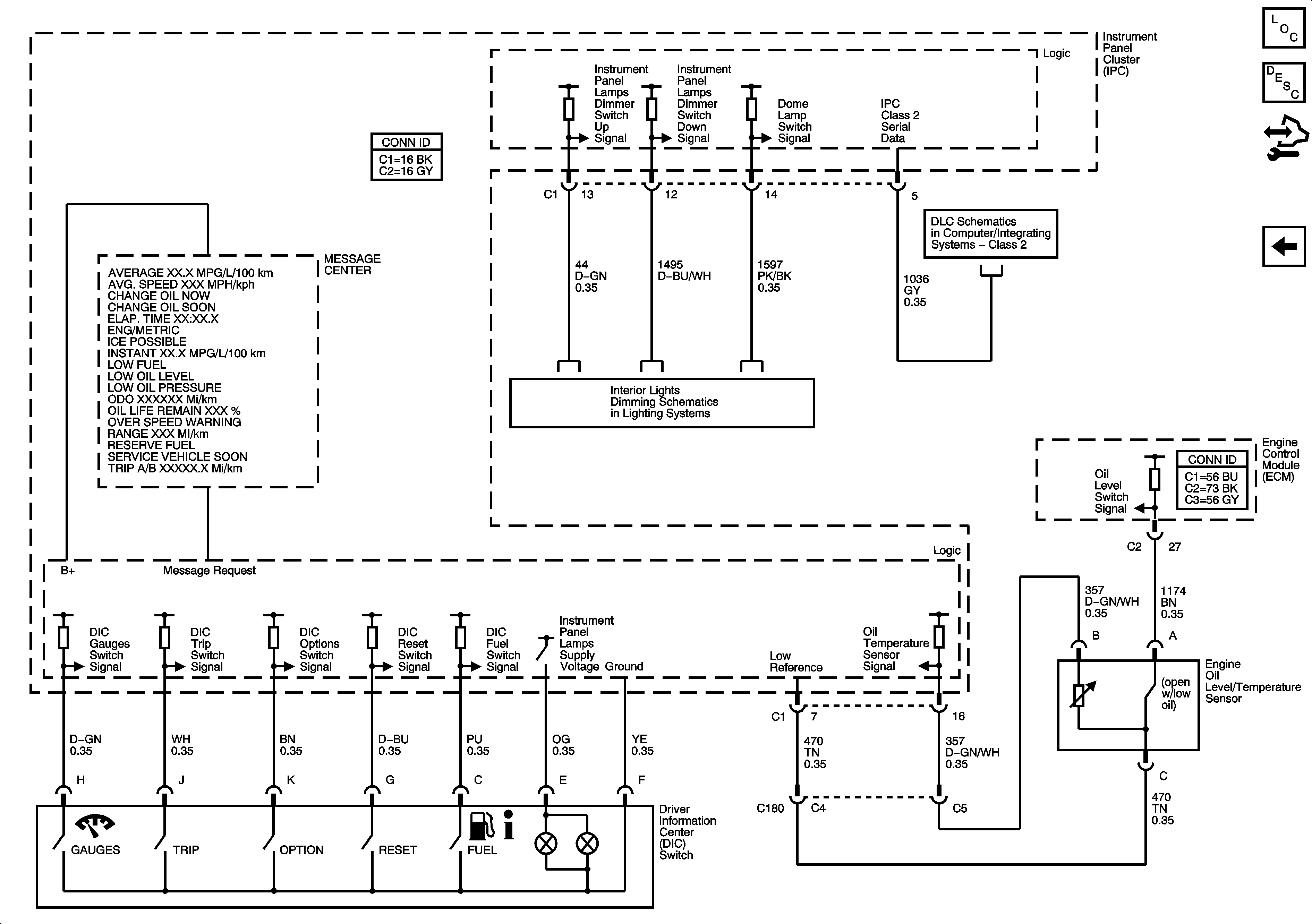
Master Electrical Component List
Instrument Cluster Description and Operation
Control Module References
Gages
Dimmer Controls, IPC, DIC and Switches
Class 2