GM Service Manual Online
For 1990-2009 cars only
Makes
🢒
Chevrolet
🢒
2005
🢒
Corvette
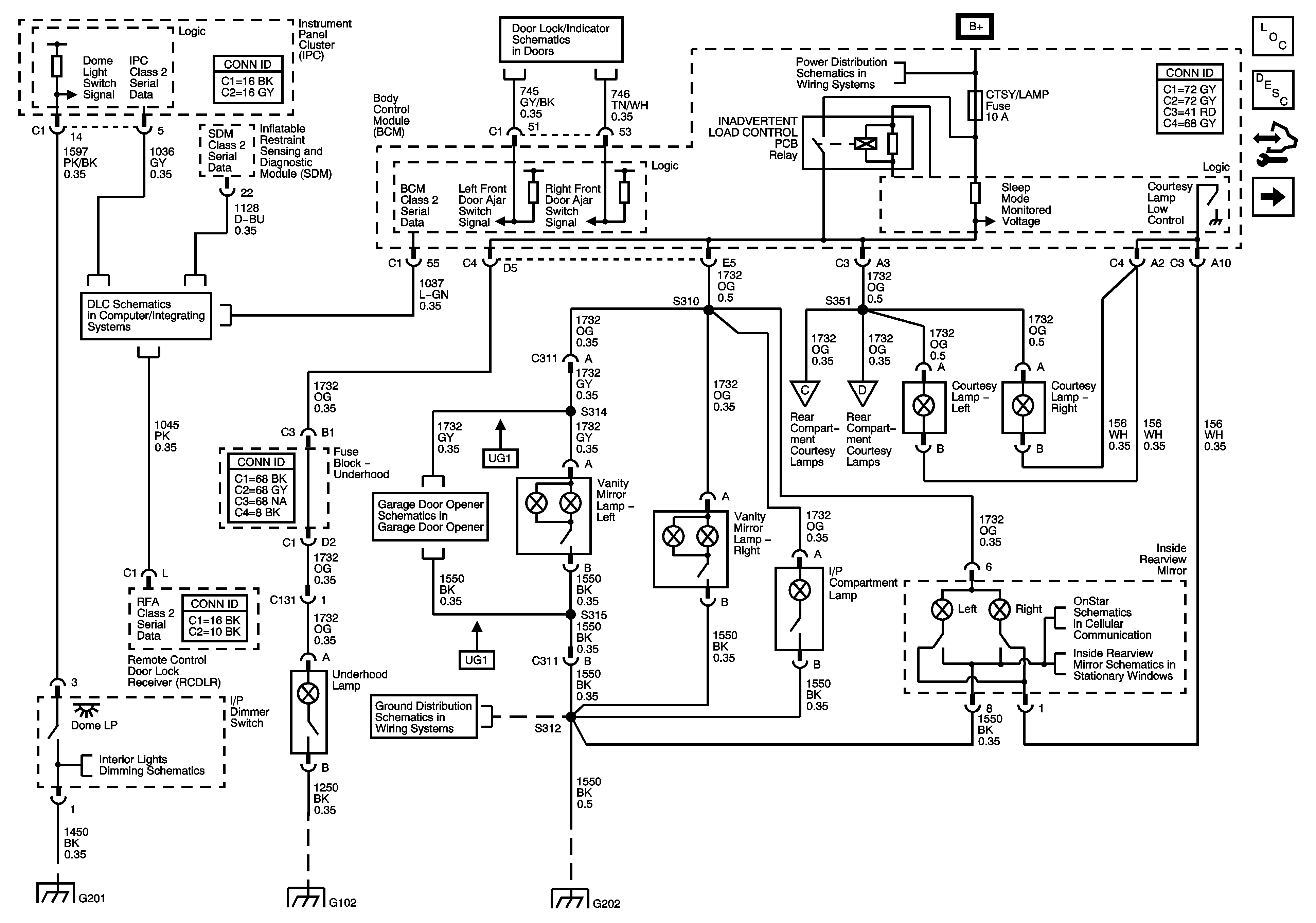
🢒 I/P Dimmer Switch, Underhood, Vanity Mirrors, Courtesy, I/P Compartment and Inside Rearview Mirror Lamps
I/P Dimmer Switch, Underhood, Vanity Mirrors, Courtesy, I/P Compartment and Inside Rearview Mirror Lamps
Passenger Compartment Lamps
Master Electrical Component List
Interior Lighting Systems Description and Operation
Control Module References
Rear Compartment Courtesy Lamps
Indicators,Messages and Ajar/Open/Lock Switches
BCM Fuses; CLUSTER, DOOR LOCKS, INTERIOR LIGHTS, HVAC/PWR SND, ISRVM/HVAC, CRUISE SW
Class 2
Rear Compartment Courtesy Lamps
05 Y Chevy: Garage Door Opener Schematics
Antenna, DLC, Ground, Power and User Inputs
Inside Rearview Mirror Schematics
Dimmer Controls, IPC, DIC and Switches
G202 1 of 2
G201
G102
G202 1 of 2