GM Service Manual Online
For 1990-2009 cars only
Makes
🢒
Chevrolet
🢒
2005
🢒
Corvette
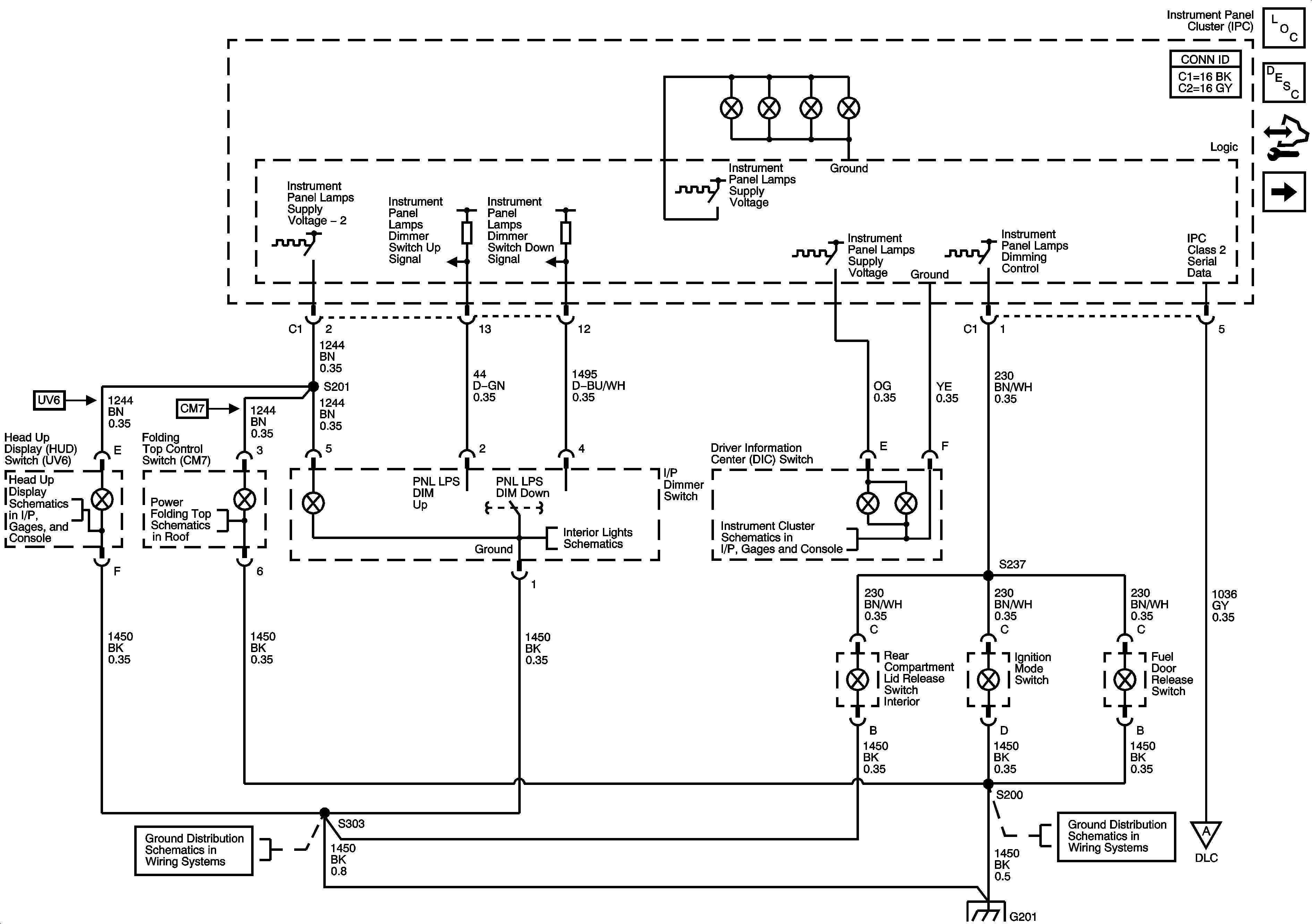
🢒 Dimmer Controls, IPC, DIC and Switches
Dimmer Controls, IPC, DIC and Switches
DIC, Dimmer Controls, IPC and Switches
Master Electrical Component List
Interior Lighting Systems Description and Operation
Control Module References
DLC, HVAC Control Module, Radio and Switches
Head Up Display Schematic
Switches (CM7)
I/P Dimmer Switch, Underhood, Vanity Mirrors, Courtesy, I/P Compartment and Inside Rearview Mirror Lamps
Messages
G201
G201
DLC, HVAC Control Module, Radio and Switches
G201