GM Service Manual Online
For 1990-2009 cars only
Makes
🢒
Chevrolet
🢒
2005
🢒
Corvette
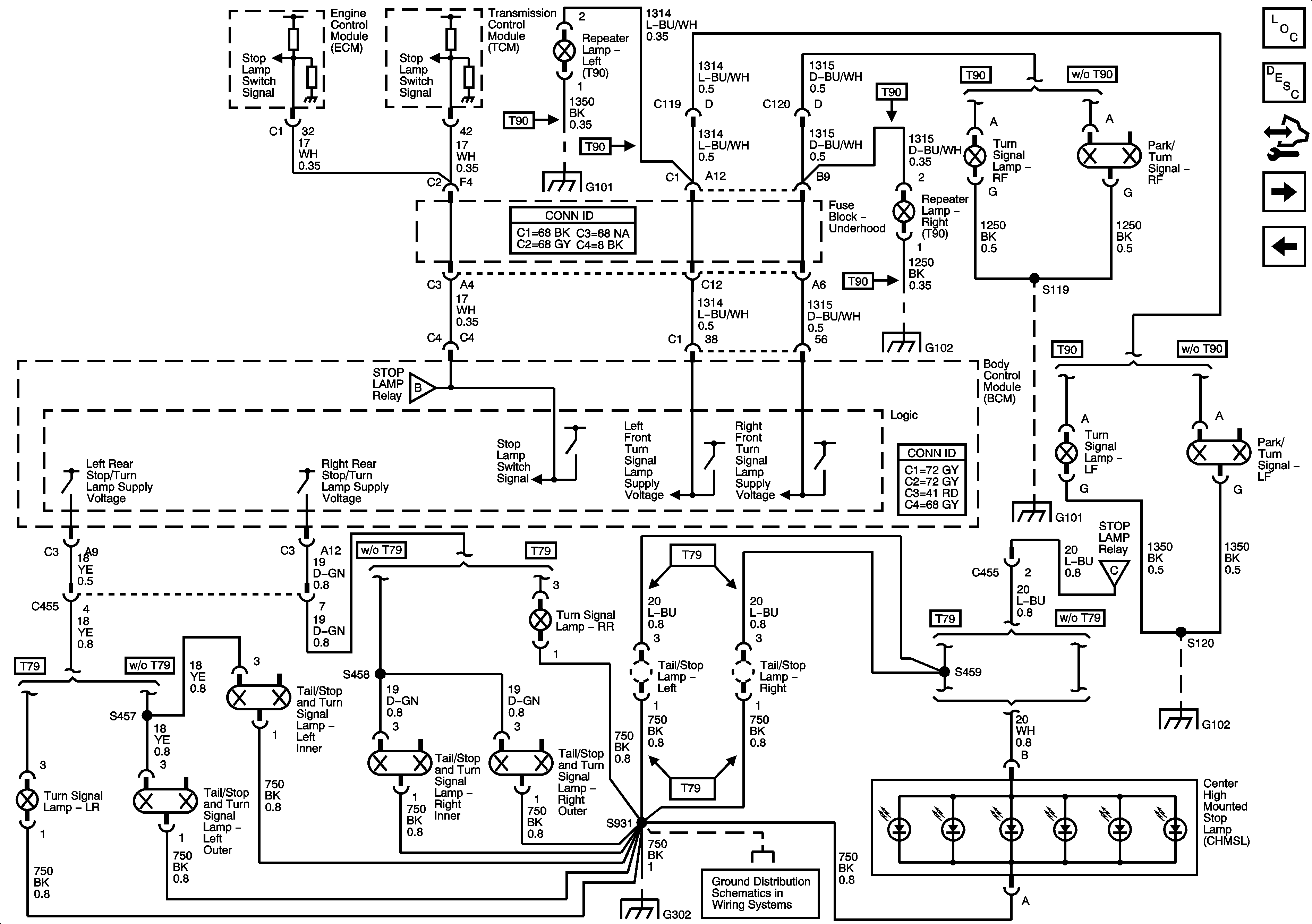
🢒 Hazard, Stop Lamps and Turn Signal Outputs
Hazard, Stop Lamps and Turn Signal Outputs
Hazard, Stop Lamps, and Turn Signal Outputs
Master Electrical Component List
Exterior Lighting Systems Description and Operation
Control Module References
Backup Lamps
Hazard, Stop Lamps, and Turn Signal Inputs
G101
G102
Hazard, Stop Lamps, and Turn Signal Inputs
G101
Hazard, Stop Lamps, and Turn Signal Inputs
G102
G302, G401 and G402