GM Service Manual Online
For 1990-2009 cars only
Makes
🢒
Chevrolet
🢒
2005
🢒
Corvette
🢒 Hazard, Stop Lamps, and Turn Signal Inputs
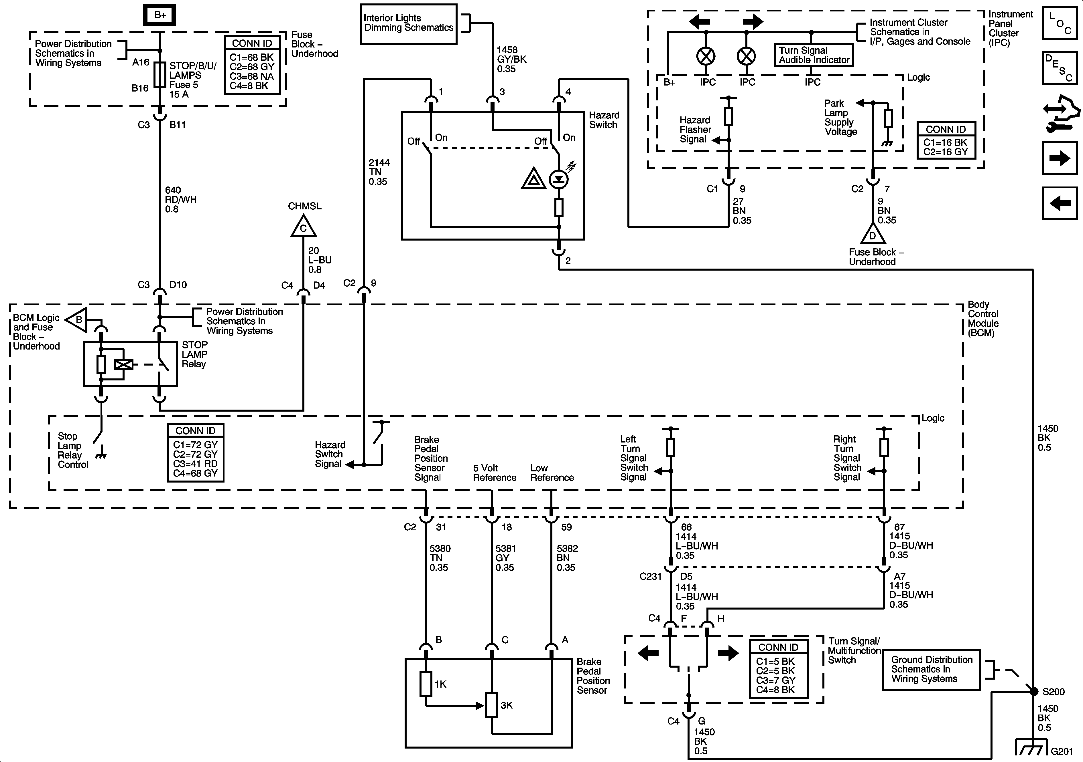
Hazard, Stop Lamps, and Turn Signal Inputs
Hazard, Stop Lamps, and Turn Signal Inputs
Master Electrical Component List
Exterior Lighting Systems Description and Operation
Control Module References
Hazard, Stop Lamps and Turn Signal Outputs
Rear Park, Marker and License Lamps
Fuse Block-Underhood Fuses; BATT3, STOP/BU/LPS, BCM Fuses; BTSI SOL,COL LOCK, RADIO/S-BAND/VICS, TONNEAU RELEASE, REAR FOG/ALDL TOP SW, REVERSE LAMPS
DLC, HVAC Control Module, Radio and Switches
Power, Ground, DLC and Indicators
Hazard, Stop Lamps and Turn Signal Outputs
Park Lamp Control, Front Park, Marker and Position Lamps
Hazard, Stop Lamps and Turn Signal Outputs
Fuse Block-Underhood Fuses; BATT3, STOP/BU/LPS, BCM Fuses; BTSI SOL,COL LOCK, RADIO/S-BAND/VICS, TONNEAU RELEASE, REAR FOG/ALDL TOP SW, REVERSE LAMPS
G201
G201