GM Service Manual Online
For 1990-2009 cars only
Makes
🢒
Chevrolet
🢒
2005
🢒
Corvette
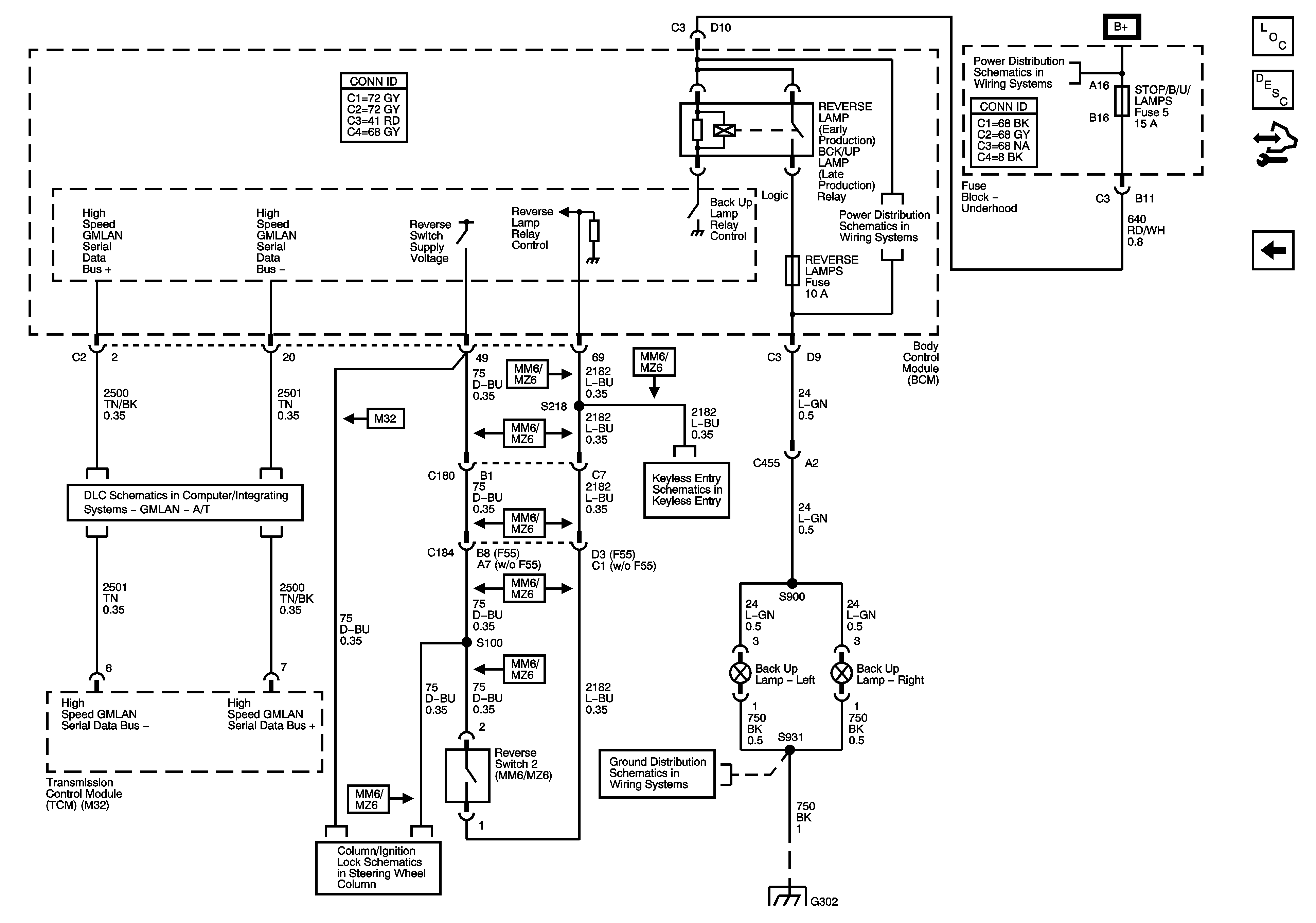
🢒 Backup Lamps
Backup Lamps
Back Up Lamps
Master Electrical Component List
Exterior Lighting Systems Description and Operation
Control Module References
Hazard, Stop Lamps and Turn Signal Outputs
Fuse Block-Underhood Bussing
Fuse Block-Underhood Fuses; BATT3, STOP/BU/LPS, BCM Fuses; BTSI SOL,COL LOCK, RADIO/S-BAND/VICS, TONNEAU RELEASE, REAR FOG/ALDL TOP SW, REVERSE LAMPS
GMLAN - A/T
Keyless Entry Schematics
G302, G401 and G402
Column/Ignition Lock Schematic
G302, G401 and G402