GM Service Manual Online
For 1990-2009 cars only
Makes
🢒
Chevrolet
🢒
2005
🢒
Corvette
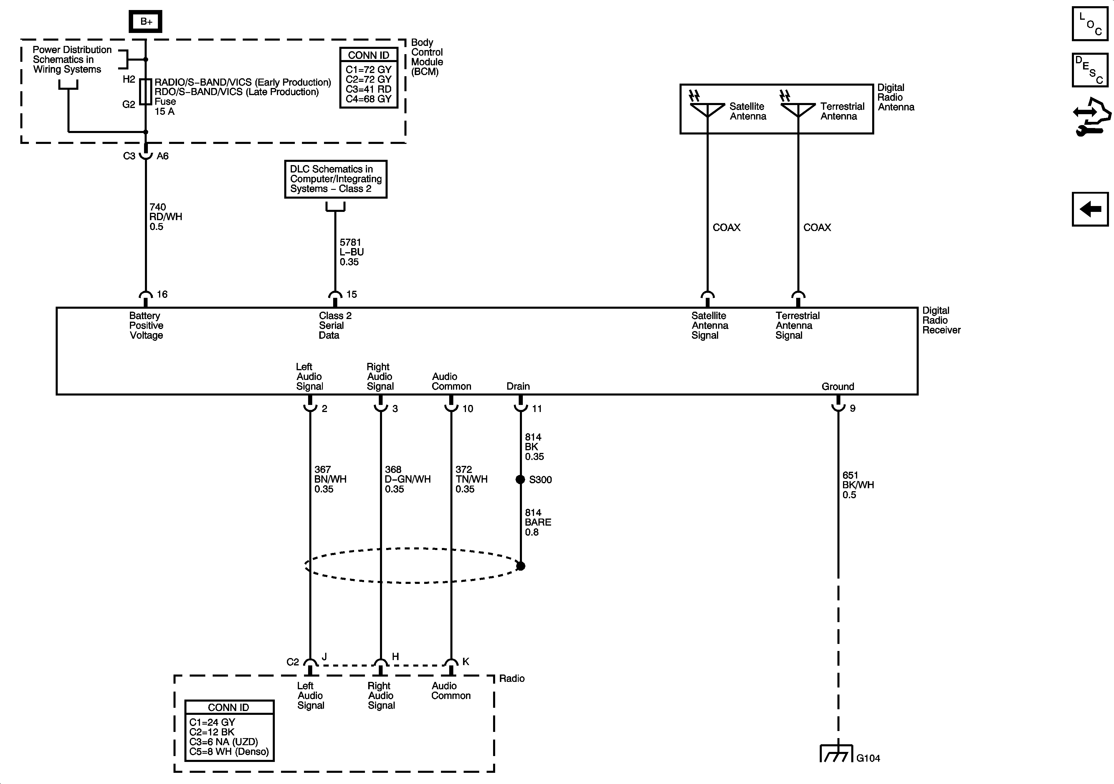
🢒 Digital Radio Receiver (U2K)
Digital Radio Receiver (U2K)
Digital Radio Receiver
Master Electrical Component List
Radio/Audio System Description and Operation
Control Module References
Antennas Except U2K, References to Navigation and Onstar
Fuse Block-Underhood Fuses; BATT3, STOP/BU/LPS, BCM Fuses; BTSI SOL,COL LOCK, RADIO/S-BAND/VICS, TONNEAU RELEASE, REAR FOG/ALDL TOP SW, REVERSE LAMPS
Class 2
G104 and G106