GM Service Manual Online
For 1990-2009 cars only
Makes
🢒
Chevrolet
🢒
2006
🢒
Corvette
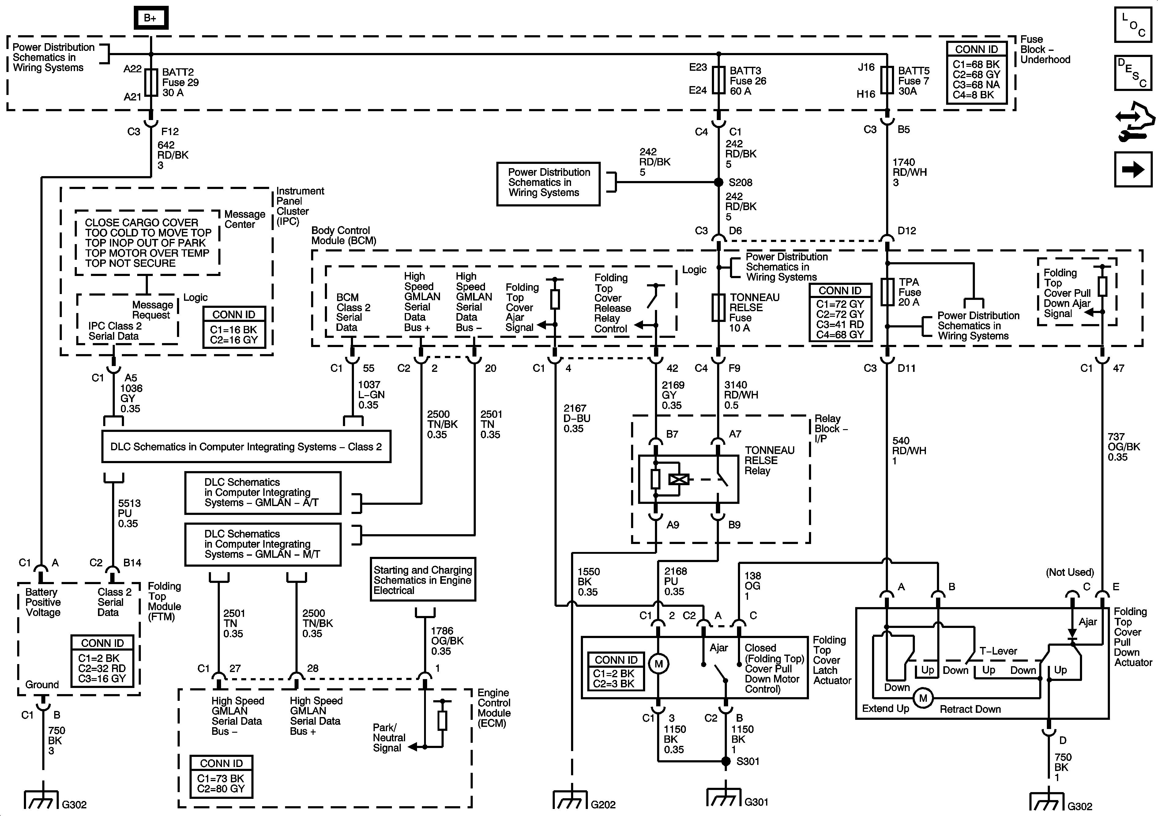
🢒 DLC, Folding Top Lid Controls, Ground and Power (CM7)
DLC, Folding Top Lid Controls, Ground and Power (CM7)
DLC, Folding Top Lid Controls, Ground and Power
Master Electrical Component List
Power Folding Top Description and Operation
Control Module References
Switches (CM7)
Fuse Block - Underhood Bussing
Fuse Block - Underhood BATT3 and STOP/B/U/LAMPS Fuses, BCM Fuses: BTSI SOL/COL LOCK, RDO/S-BAND/VICS, REAR FOG/ALDL/TOP SW, REVERSE LAMPS and TONNEAU RELSE and BCK/UP LAMP and STOP LAMP Relays
Fuse Block - Underhood BATT3 and STOP/B/U/LAMPS Fuses, BCM Fuses: BTSI SOL/COL LOCK, RDO/S-BAND/VICS, REAR FOG/ALDL/TOP SW, REVERSE LAMPS and TONNEAU RELSE and BCK/UP LAMP and STOP LAMP Relays
Fuse Block - Underhood Fuse BATT5, BCM Fuses: DRIV DR SW, IGN SW/INTR SENS, ONSTAR, TELE SW/MEM SEAT MOD, and TPA
Class 2
GMLAN - A/T
GMLAN - M/T
Cranking, 1 of 2
G302, G401, and G402
G202, 1 of 2
G301
G302, G401, and G402