GM Service Manual Online
For 1990-2009 cars only
Makes
🢒
Chevrolet
🢒
2006
🢒
Corvette
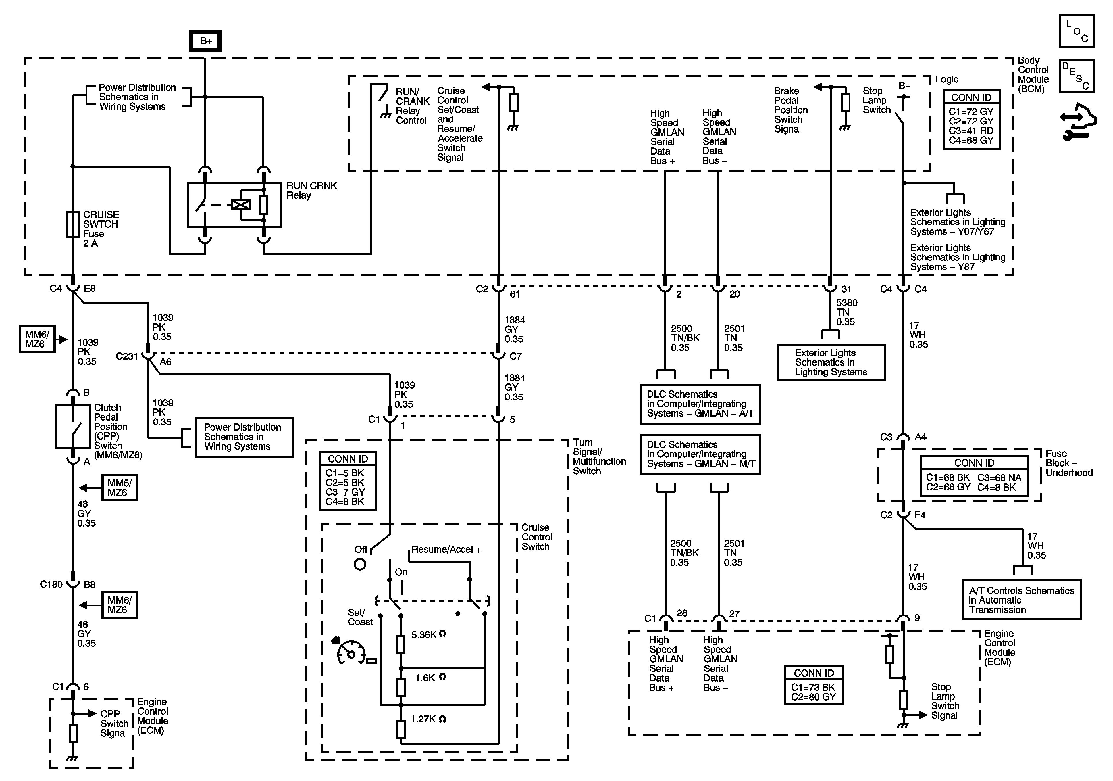
🢒 Cruise Control Schematics
Cruise Control Schematics
Master Electrical Component List
Cruise Control Description and Operation
Control Module References
BCM Fuses: CLSTR/HUD, CRUISE SW, CTSY/LAMP, DR LCK, EXH MOD, HVAC/PWR SND, ISRVM/HVAC and RUN CRNK Relay
Hazard, Stop Lamps, and Turn Signal Outputs (Y07/Y67)
Hazard, Stop Lamps, and Turn Signal Outputs (Y87)
Hazard, Stop Lamps, and Turn Signal Inputs
GMLAN - A/T
GMLAN - M/T
BCM Fuses: CLSTR/HUD, CRUISE SW, CTSY/LAMP, DR LCK, EXH MOD, HVAC/PWR SND, ISRVM/HVAC and RUN CRNK Relay
DLC, Ground, Power, and Stop Lamp Signal