GM Service Manual Online
For 1990-2009 cars only
Makes
🢒
Chevrolet
🢒
2007
🢒
Corvette
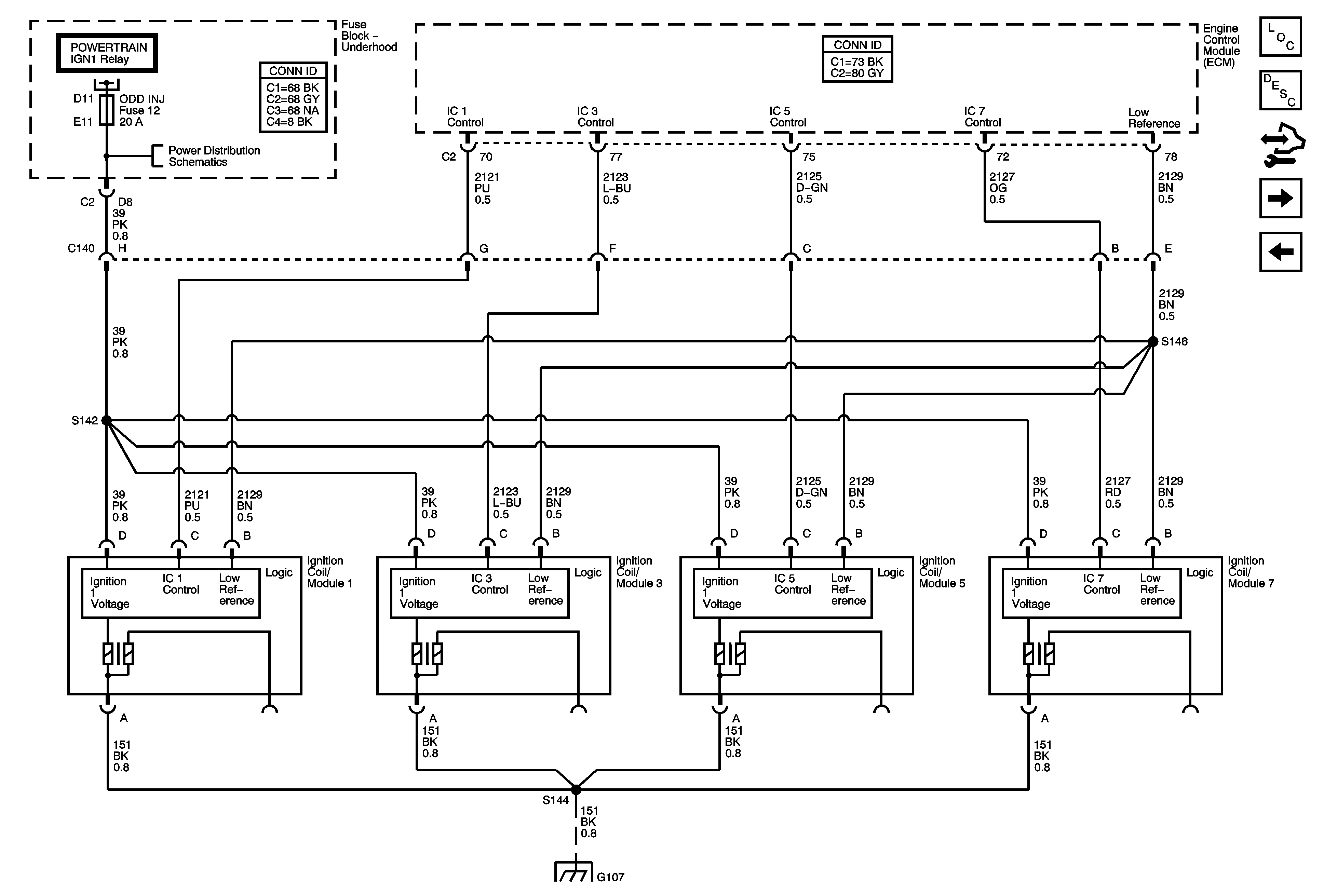
🢒 Ignition Controls System - Bank 1
Ignition Controls System - Bank 1
Ignition Controls System - Bank 1
Master Electrical Component List
Electronic Ignition (EI) System Description
Control Module References
Ignition Controls System - Bank 2
Engine Data Sensors - Electronic Throttle Controls
Fuse Block - Underhood A/C COMP, EMISSION, EVEN INJ, MAN TRAN SOL, O2 SEN, ODD INJ, and PT INPUT/ETC Fuses, A/C COMP and POWERTRAIN IGN1, Relays
G105 and G107