GM Service Manual Online
For 1990-2009 cars only
Makes
🢒
Chevrolet
🢒
2007
🢒
Corvette
🢒 Fuel Controls - Fuel Pump Controls and Injectors
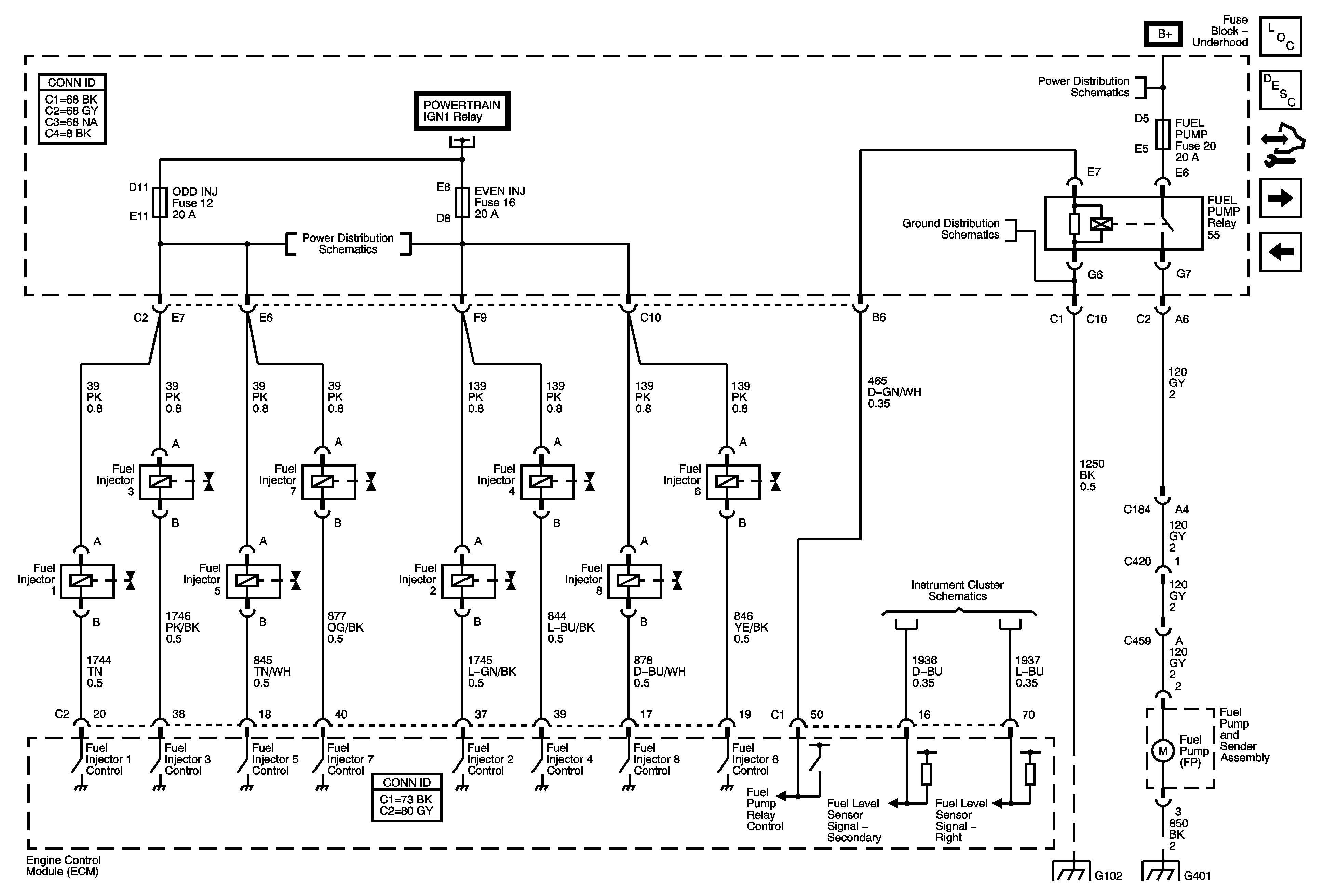
Fuel Controls - Fuel Pump Controls and Injectors
Fuel Controls - Fuel Pump Controls and Injectors
Master Electrical Component List
Fuel System Description
Control Module References
Fuel Controls - EVAP Controls
Ignition Controls - Sensors
Fuse Block - Underhood A/C COMP, EMISSION, EVEN INJ, MAN TRAN SOL, O2 SEN, ODD INJ, and PT INPUT/ETC Fuses, A/C COMP and POWERTRAIN IGN1, Relays
Fuse Block - Underhood Bussing
G102
Gages
G102
G302, G401, and G402