GM Service Manual Online
For 1990-2009 cars only
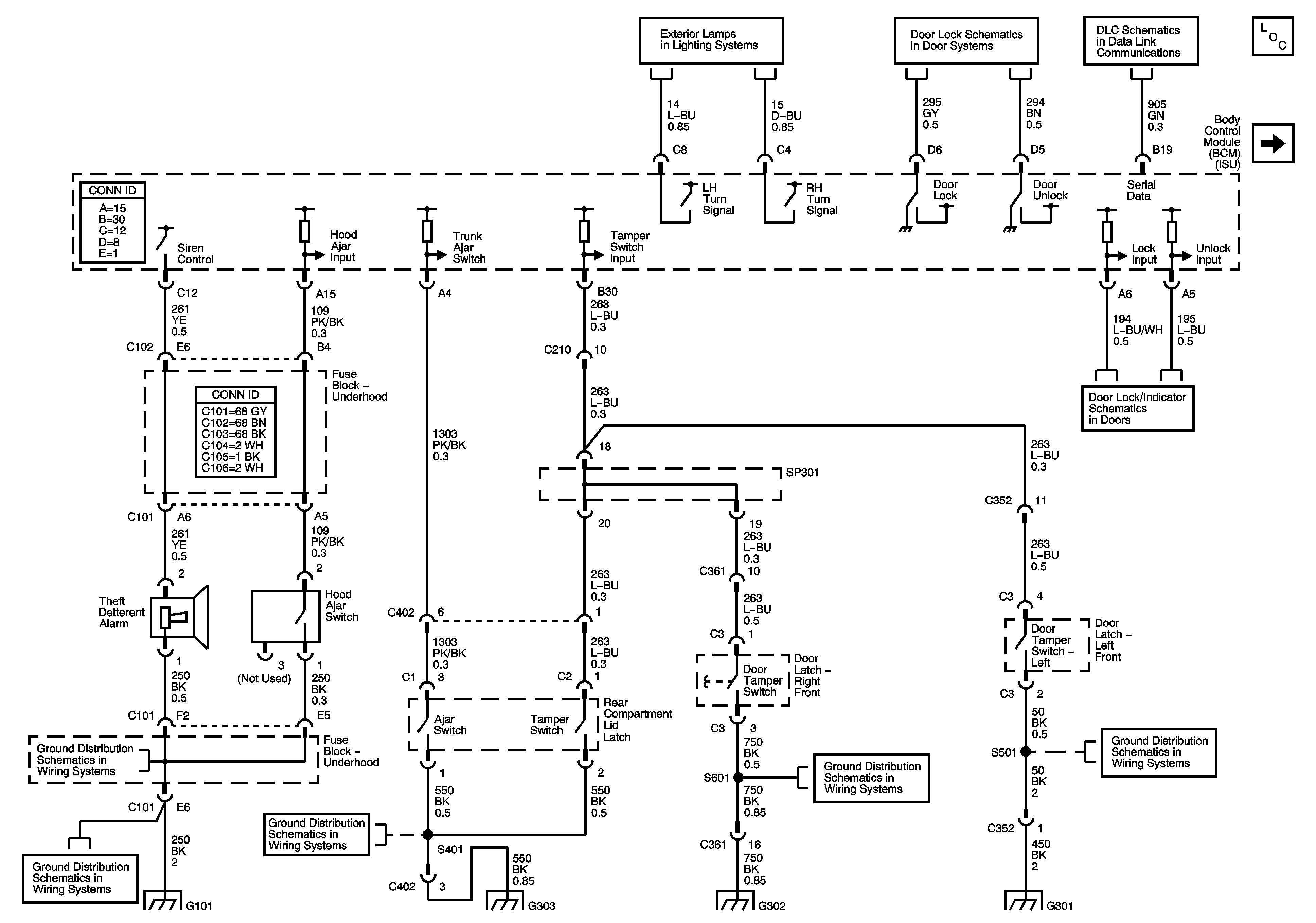
Figure 1:

Content Theft Deterrent System


Object Number: 1257291  Size: FS
Master Electrical Component List
Vehicle Theft Deterrent System (Immobilizer)
Data Link Connector
Power Door Locks
Turn and Hazard Lamps - North America
Power Door Locks
G301
G302
G303
G101
G101
Figure 2:

Vehicle Theft Deterrent System (Immobilizer)


Object Number: 1263009  Size: FS
Master Electrical Component List
Content Theft Deterrent System
I/P Fuse Block - WPR, TCM BTSI, BCM ABS, CLSTR AUTO A/C and WSWA Fuses
I/P Fuse Block - WPR, TCM BTSI, BCM ABS, CLSTR AUTO A/C and WSWA Fuses