GM Service Manual Online
For 1990-2009 cars only
Makes
🢒
Chevrolet
🢒
2004
🢒
Epica
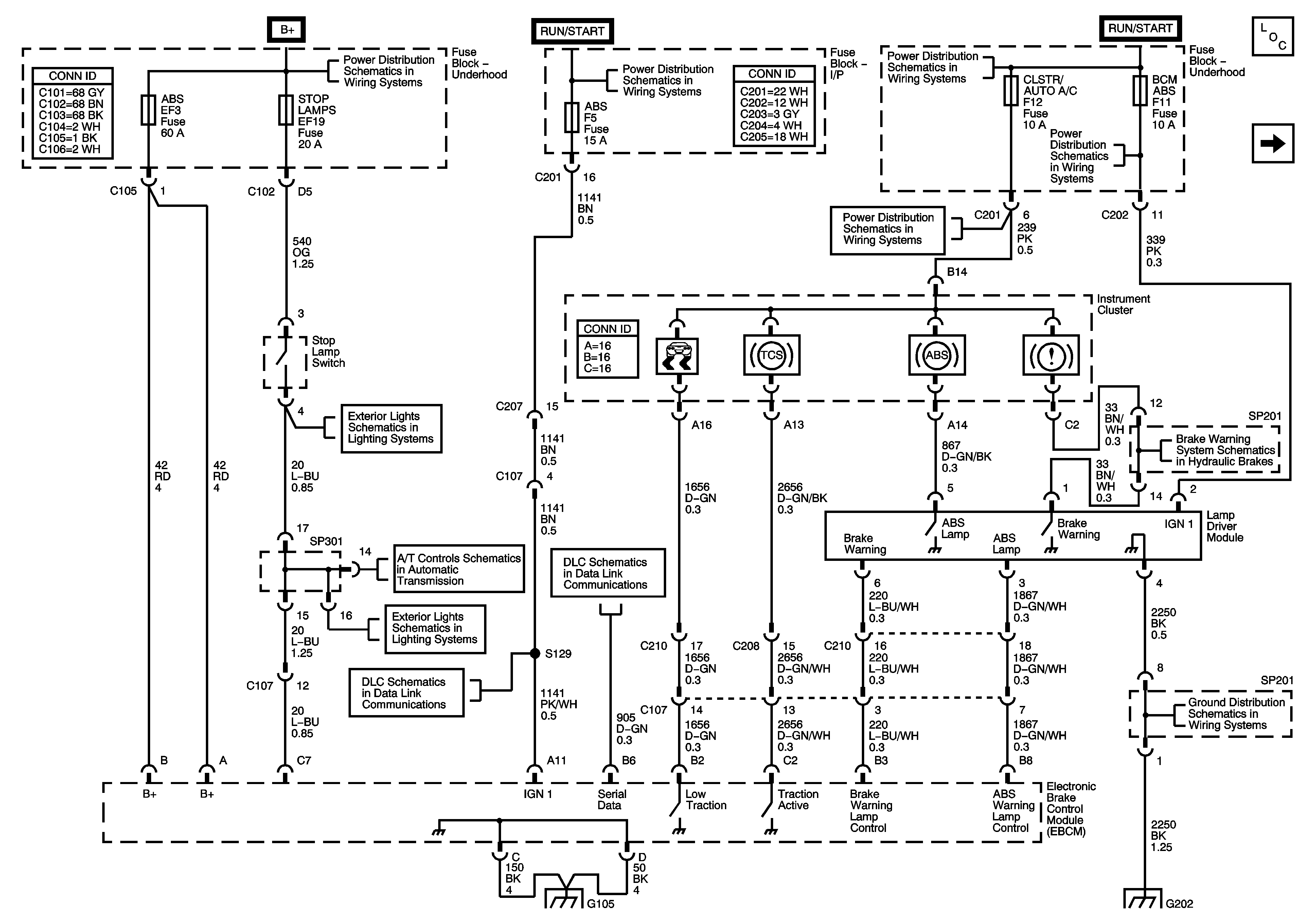
🢒 Power Ground, Warning Lamps, Stop Lamp Switch
Power Ground, Warning Lamps, Stop Lamp Switch
Power, Ground, Warning Lamps, Stop Lamp Switch
Master Electrical Component List
Wheel Speed Sensors, Electronic Brake Control Module (EBCM)
Underhood Fuse Block - IGN2 Fuse, Ignition Switch, I/P Fuse Block - AUTO A/C BCM, HVAC EPS, ABS and HTD MIR Fuses
I/P Fuse Block - WPR, TCM BTSI, BCM ABS, CLSTR AUTO A/C and WSWA Fuses
Underhood Fuse Block - A/C and IP Fuse BATT, I/P Fuse Block - RADIO CRUISE, AUTO HVAC CLSTR, and DLC Fuses
Underhood Fuse Block - IGN2 Fuse, Ignition Switch, I/P Fuse Block - AUTO A/C BCM, HVAC EPS, ABS and HTD MIR Fuses
Underhood Fuse Block - A/C and IP Fuse BATT, I/P Fuse Block - RADIO CRUISE, AUTO HVAC CLSTR, and DLC Fuses
Stop Lamps
Brake Lamp Warning Circuit
Power, Ground, Hold Switch and DLC
Data Link Connector
Stop Lamps
Data Link Connector
G201, G202