GM Service Manual Online
For 1990-2009 cars only
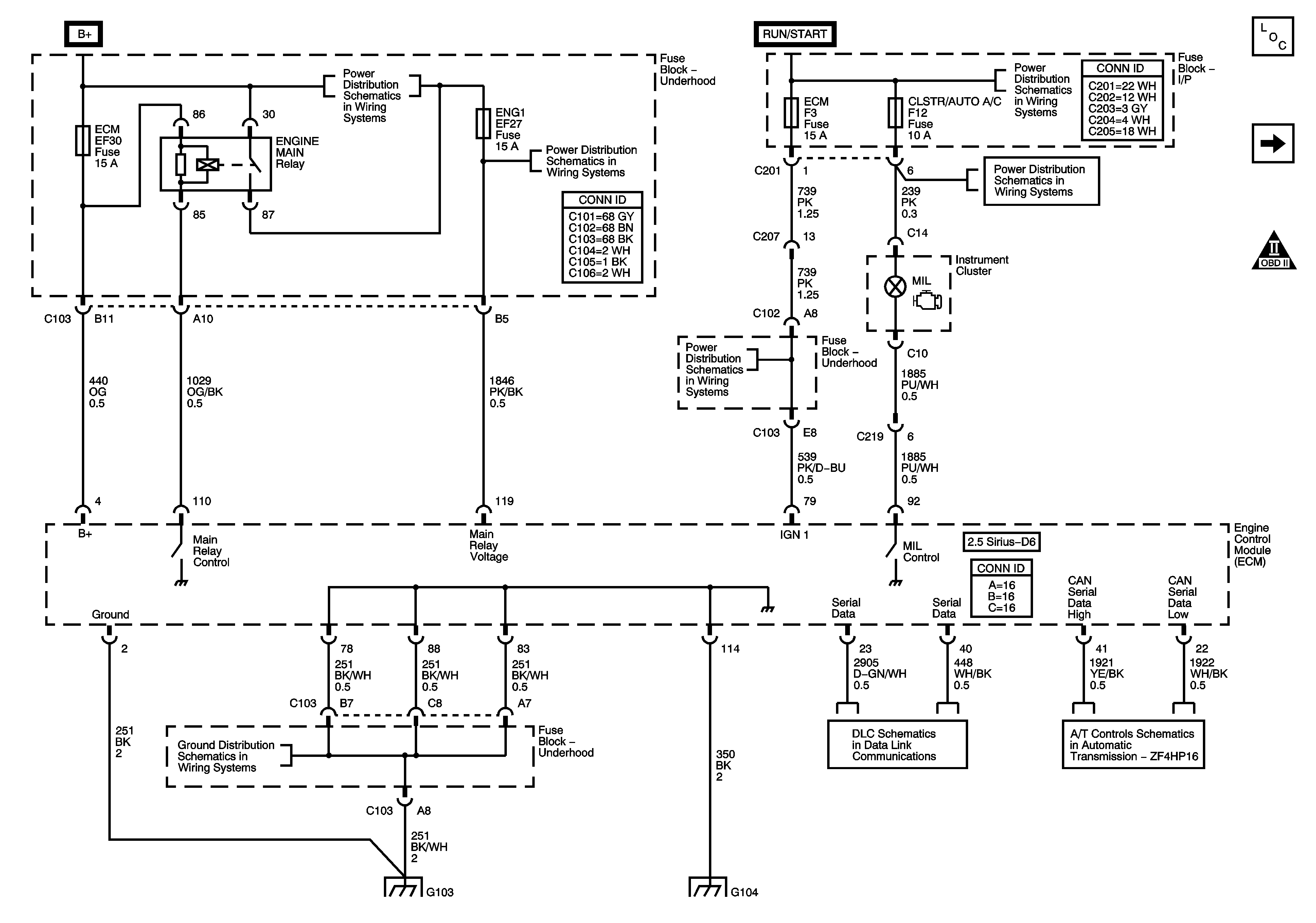
Figure 1:

Engine Control Module (ECM) Power, Ground, Serial Data, MIL


Object Number: 1376429  Size: FS
Master Electrical Component List
MAF, CMP, ECT, TP, MAP, IAT, Rough Road Wheel Speed Sensors
Engine Controls Schematic Icons
STOP LAMPS, HI BEAM PASSING, ECM Fuses
ENG 1, COOL FAN HIGH, COOL FAN LOW Fuses
IGN 1, Fuse, Ignition Switch, I/P Fuse Block, - LTR, HTD SEAT, CLK, RADIO, AIR BAG, BCK/UP, CRUISE, ECM Fuses
WPR, TCM BTSI, BCM ABS, CLSTR AUTO A/C, WSWA Fuses
IGN 1, Fuse, Ignition Switch, I/P Fuse Block, - LTR, HTD SEAT, CLK, RADIO, AIR BAG, BCK/UP, CRUISE, ECM Fuses
G103 (2.5L)
DLC Schematics
WPR, TCM BTSI, BCM ABS, CLSTR AUTO A/C, WSWA Fuses
G104 (2.5L)
Figure 2:

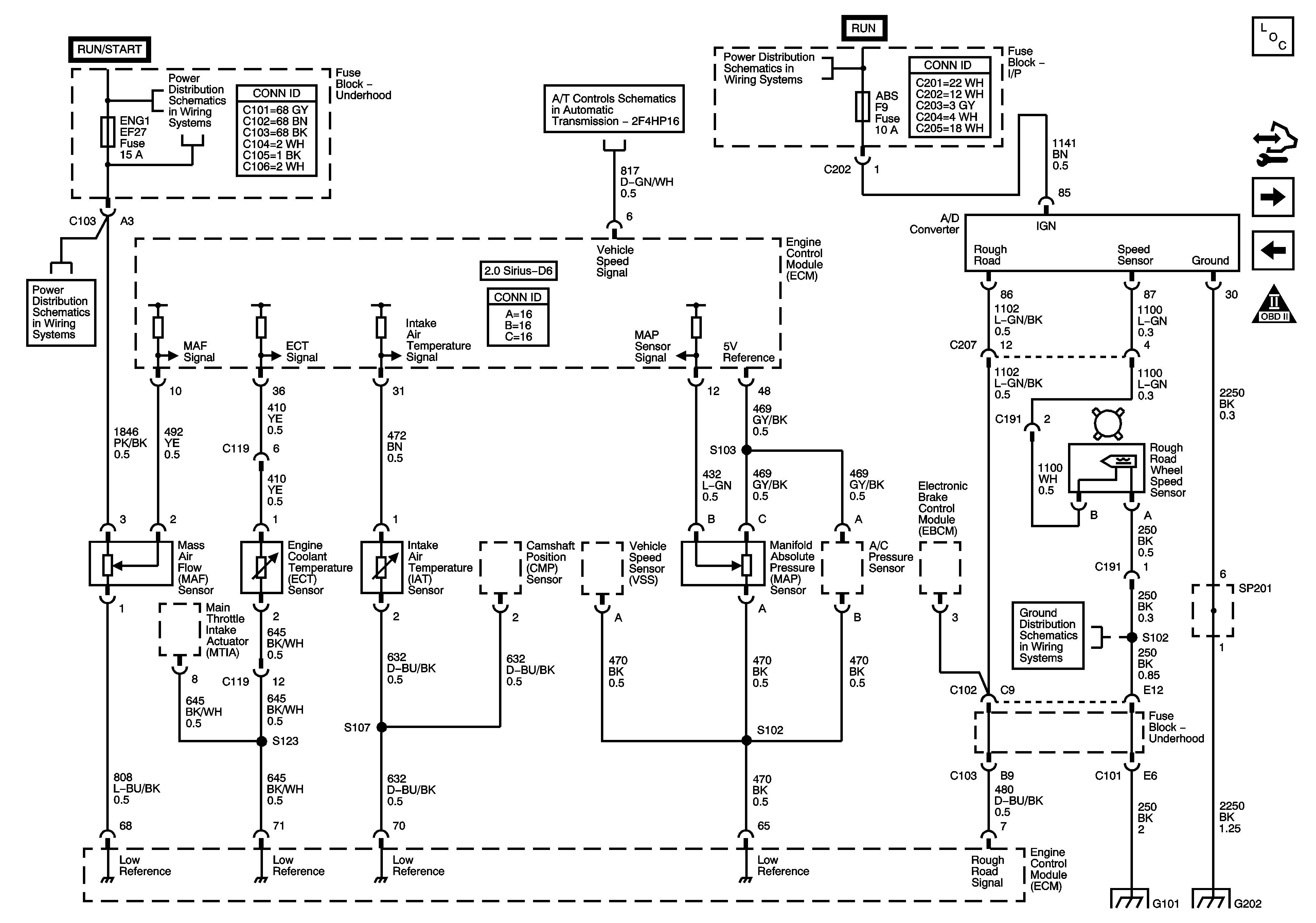
MAF, ECT, IAT, MAP, Rough Road Wheel Speed Sensors


Object Number: 1685625  Size: FS
Master Electrical Component List
Heated Oxygen Sensors
ECM Power and Ground, Serial Data, Malfunction Indicator Control
Engine Controls Schematic Icons
IGN 2 Fuse, Ignition Switch, I/P Fuse Block - AUTO A/C BCM, HVAC EPS, TPMS, ABS, HTD MIR FusesIGN 2 Fuse, Ignition Switch, I/P Fuse Block - AUTO A/C BCM, HVAC EPS, TPMS, ABS, HTD MIR Fuses
ENG 1, COOL FAN HIGH, COOL FAN LOW Fuses
Vehicle Speed Signal
ENG 1, COOL FAN HIGH, COOL FAN LOW Fuses
G101
G101
G102
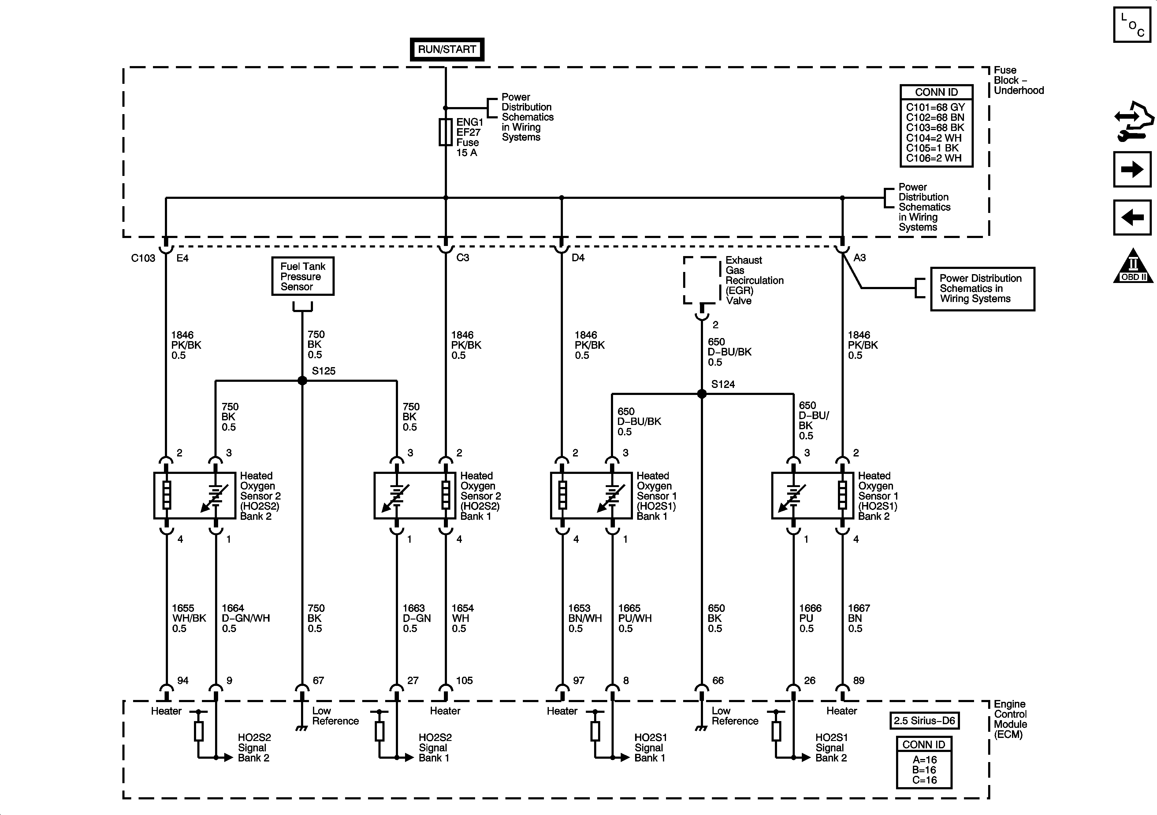
Figure 3:

Heated Oxygen Sensors


Object Number: 1685626  Size: FS
Master Electrical Component List
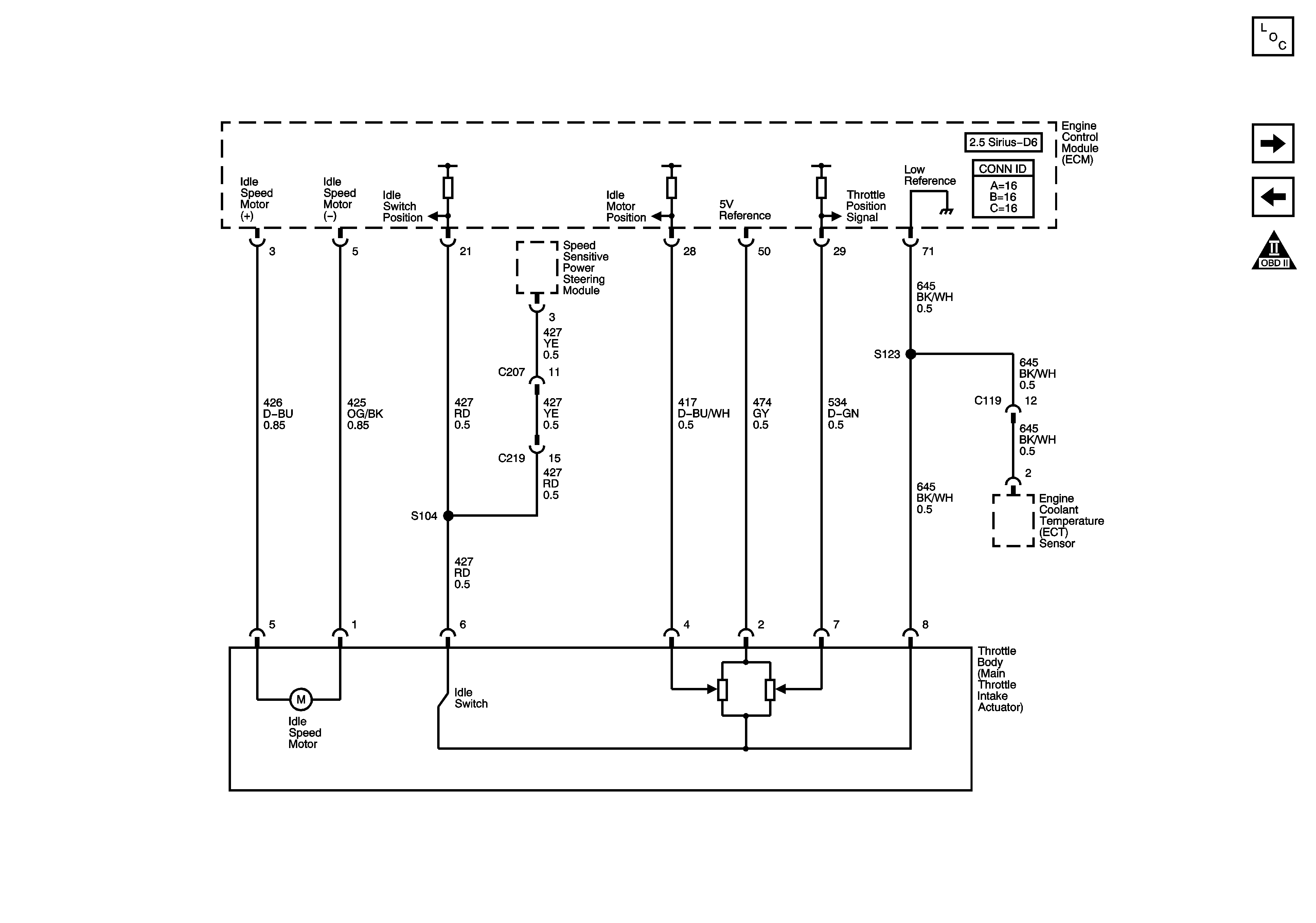
Main Throttle Intake Actuator
MAF, CMP, ECT, TP, MAP, IAT, Rough Road Wheel Speed Sensors
Engine Controls Schematic Icons
EVAP Vent and Purge Valves, EGR Valve, Intake Manifold Tuning valve, FTP Sensor
ENG 1, COOL FAN HIGH, COOL FAN LOW Fuses
ENG 1, COOL FAN HIGH, COOL FAN LOW Fuses
Fuel Controls - Evaporative Emissions Controls, Device Controls
ENG 1, COOL FAN HIGH, COOL FAN LOW Fuses
Figure 4:

Main Throttle Intake Actuator


Object Number: 1376445  Size: FS
Master Electrical Component List
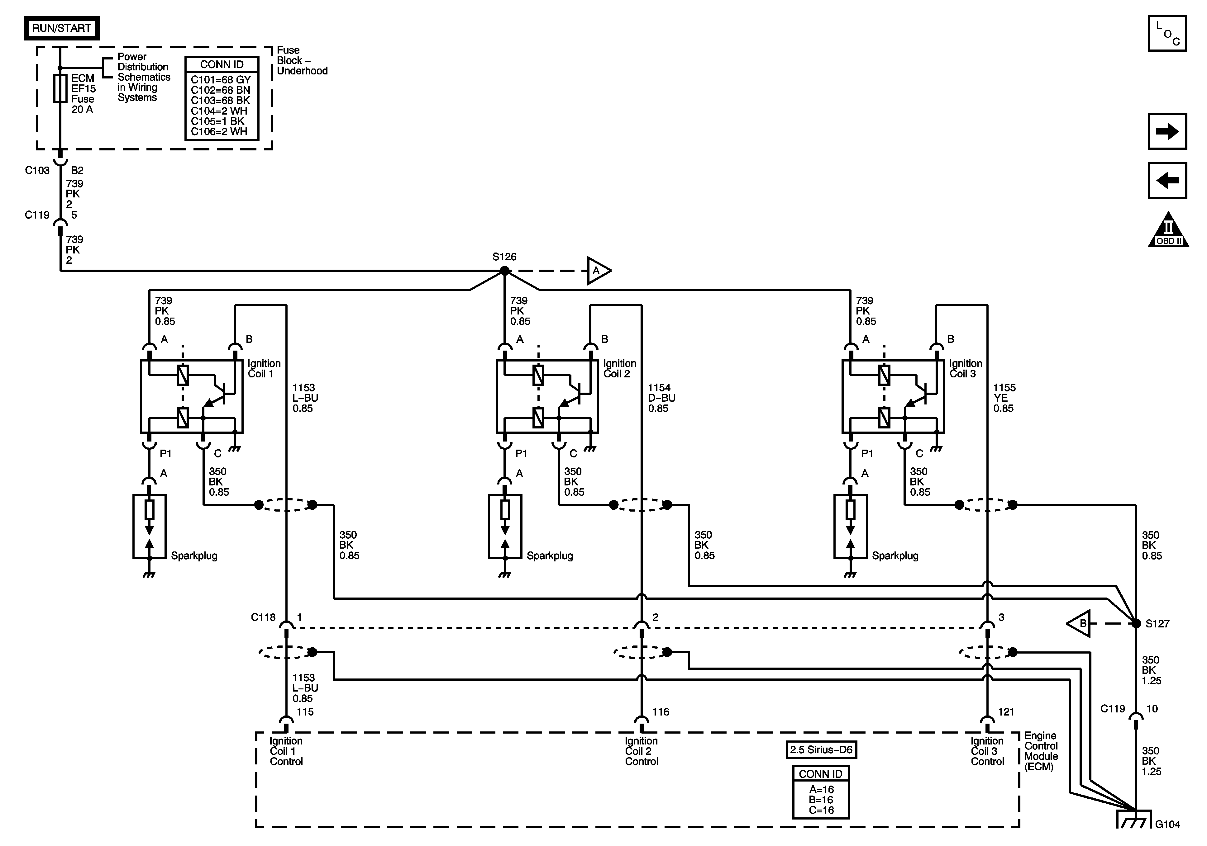
Ignition Coils (1 of 2)
Heated Oxygen Sensors
Engine Controls Schematic Icons
Figure 5:

Ignition Coils (1 of 2)


Object Number: 1376447  Size: FS
Master Electrical Component List
Ignition Coils (2 of 2)
Main Throttle Intake Actuator
Engine Controls Schematic Icons
Fuel Pump Relay, FUEL, ECM Fuses
G104 (2.5L)
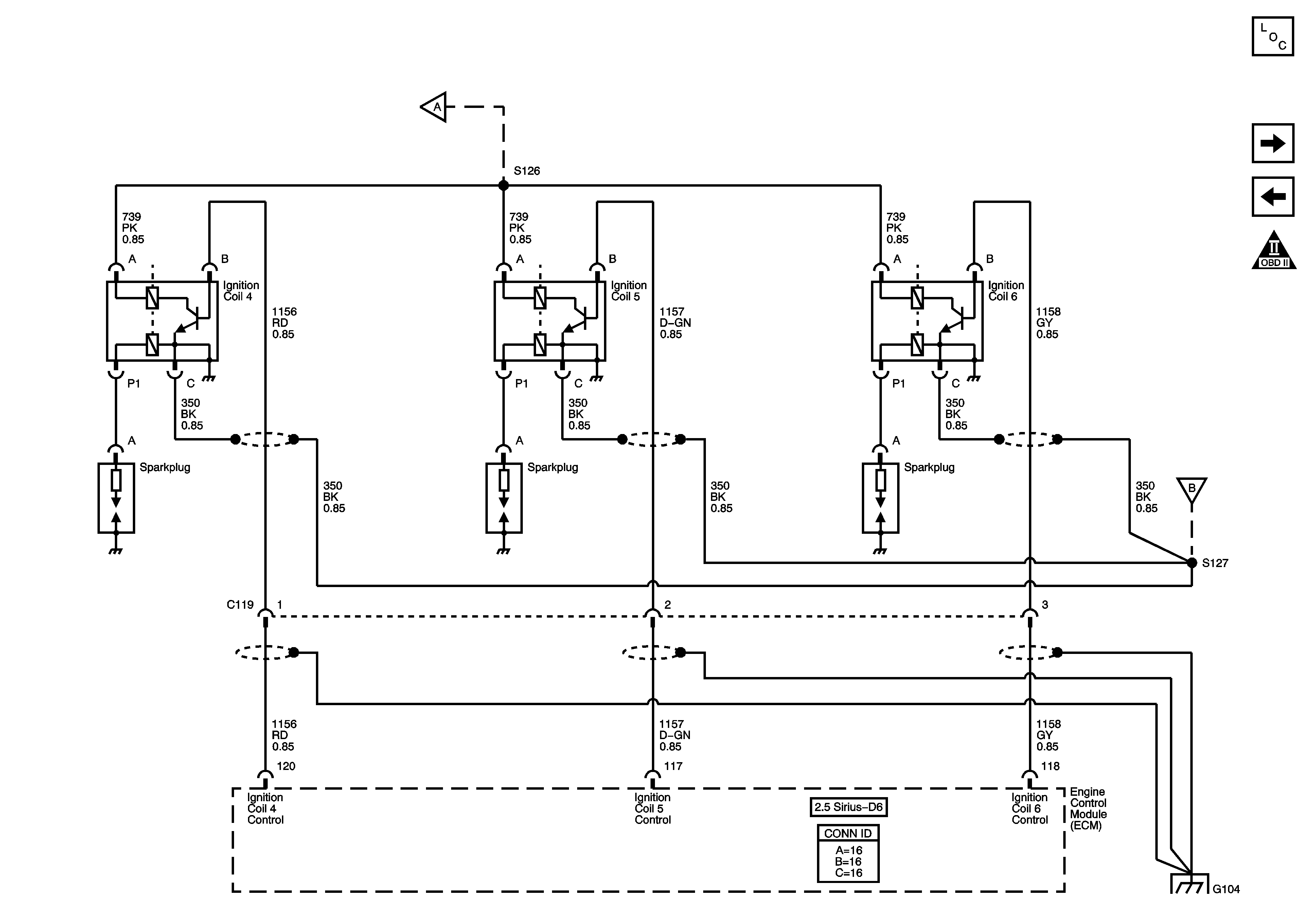
Figure 6:

Ignition Coils (2 of 2)


Object Number: 1506997  Size: FS
Master Electrical Component List
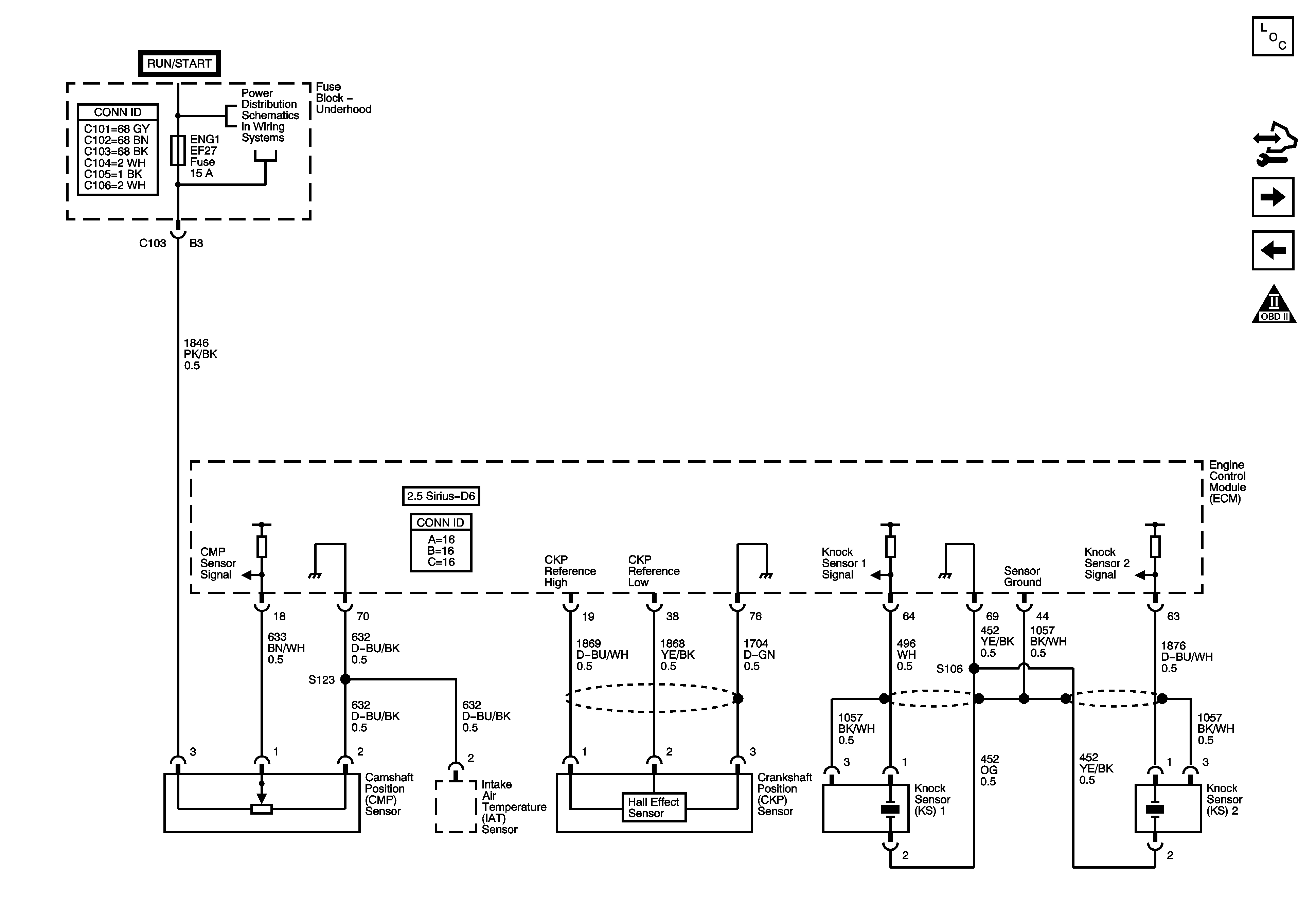
CKP, CMP, Knock Sensors
Ignition Coils (1 of 2)
Engine Controls Schematic Icons
G104 (2.5L)
Figure 7:

CMP, CKP, Knock Sensors


Object Number: 1685628  Size: FS
Master Electrical Component List
Fuel Controls - Fuel Pump Controls and Fuel Injectors
Ignition Control - Ignition System (4-6)
Engine Controls Schematic Icons
ENG 1, COOL FAN HIGH, COOL FAN LOW Fuses
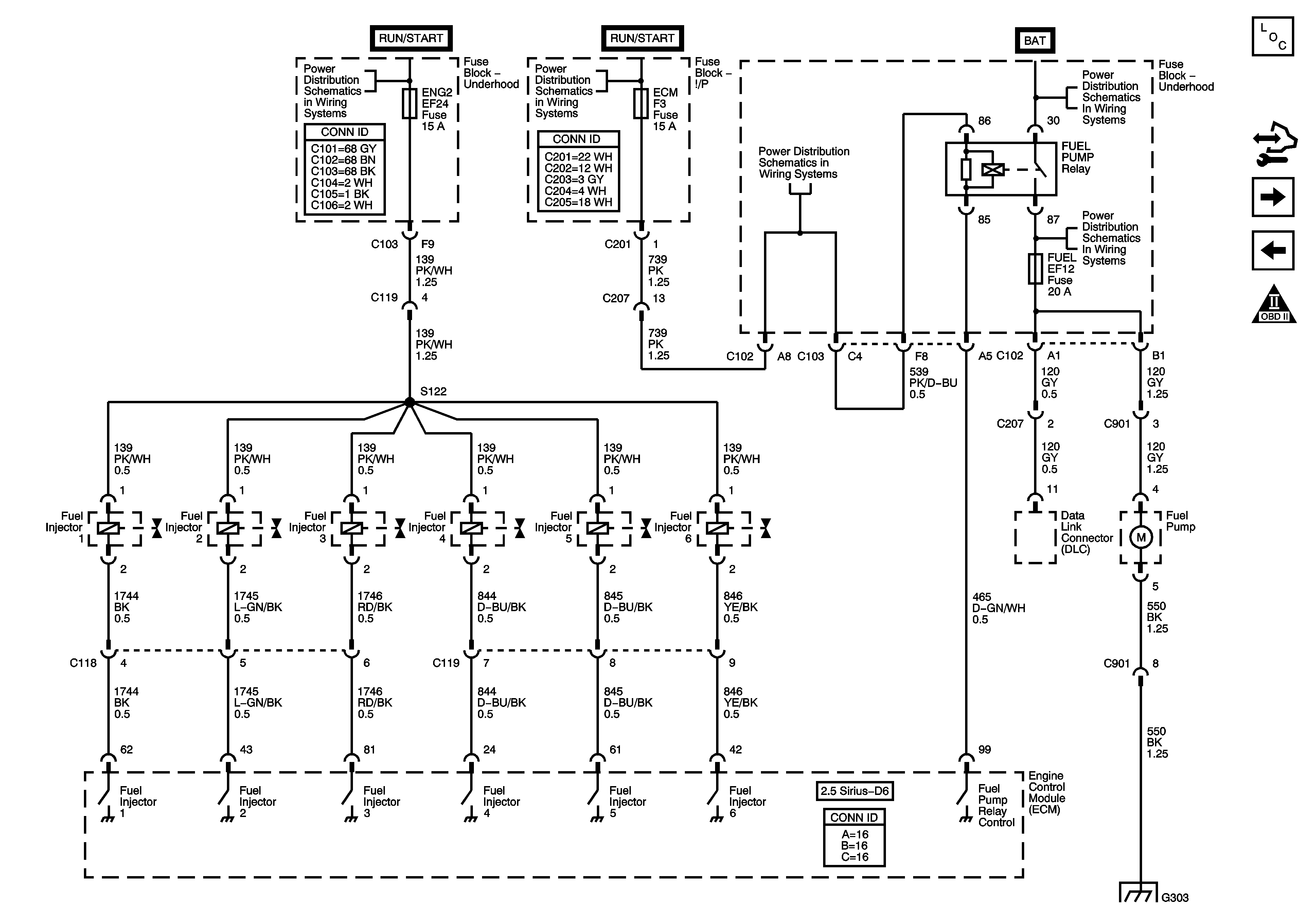
Figure 8:

Fuel Pump and Injectors


Object Number: 1685630  Size: FS
Master Electrical Component List
EVAP Vent and Purge Valves, EGR Valve, Intake Manifold Tuning valve, FTP Sensor
CKP, CMP, Knock Sensors
Engine Controls Schematic Icons
ENG MAIN Relay, ECM, ENG 2 Fuses (2.0L)
IGN 1, Fuse, Ignition Switch, I/P Fuse Block, - LTR, HTD SEAT, CLK, RADIO, AIR BAG, BCK/UP, CRUISE, ECM Fuses
Fuse Block - Underhood Bussing (1 of 2)
Fuel Pump Relay, FUEL, ECM Fuses
Fuse Block - Underhood Bussing (1 of 2)
G303
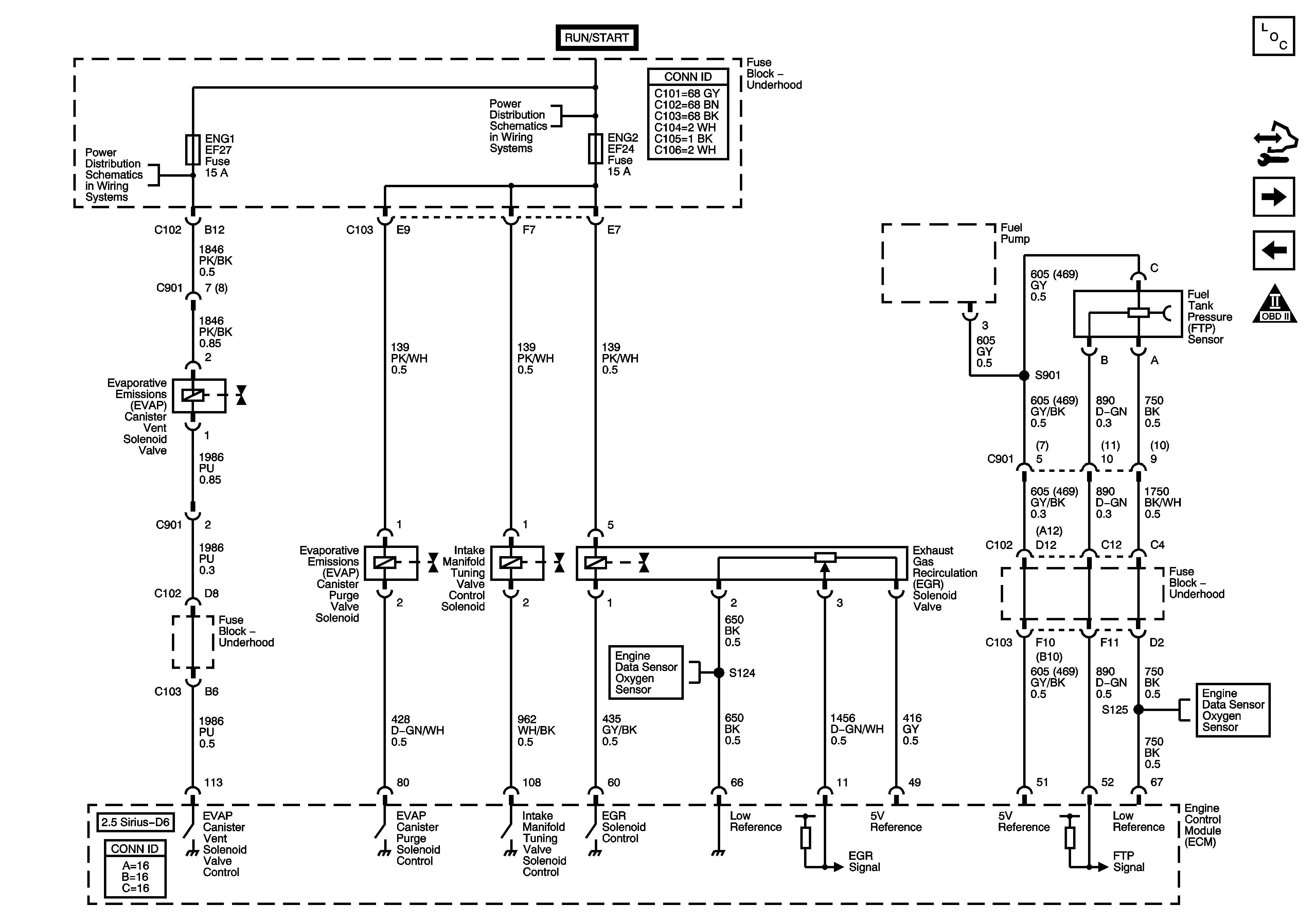
Figure 9:

EVAP Vent and Purge Valves, EGR Valve, Intake Manifold Tuning Valve, FTP Sensor


Object Number: 1685631  Size: FS
Master Electrical Component List
Controlled/Monitored Subsystem References
Fuel Pump and Injectors
Engine Controls Schematic Icons
ENG 1, COOL FAN HIGH, COOL FAN LOW Fuses
ENG MAIN Relay, ECM, ENG 2 Fuses (2.5L)
Heated Oxygen Sensors
Heated Oxygen Sensors
Figure 10:

Controlled/Monitored Subsystem References


Object Number: 1376455  Size: FS
Master Electrical Component List
EVAP Vent and Purge Valves, EGR Valve, Intake Manifold Tuning valve, FTP Sensor
Engine Controls Schematic Icons
Automatic Transmission Shift Lock Control 2.0L
Engine Cooling Schematics
Blower Controls
Blower Controls