GM Service Manual Online
For 1990-2009 cars only
Makes
🢒
Chevrolet
🢒
2005
🢒
Epica
🢒
Transmission/Transaxle
🢒
Automatic Transmission - ZF 4HP 16
🢒 Automatic Transmission Controls Schematics
Figure
1:
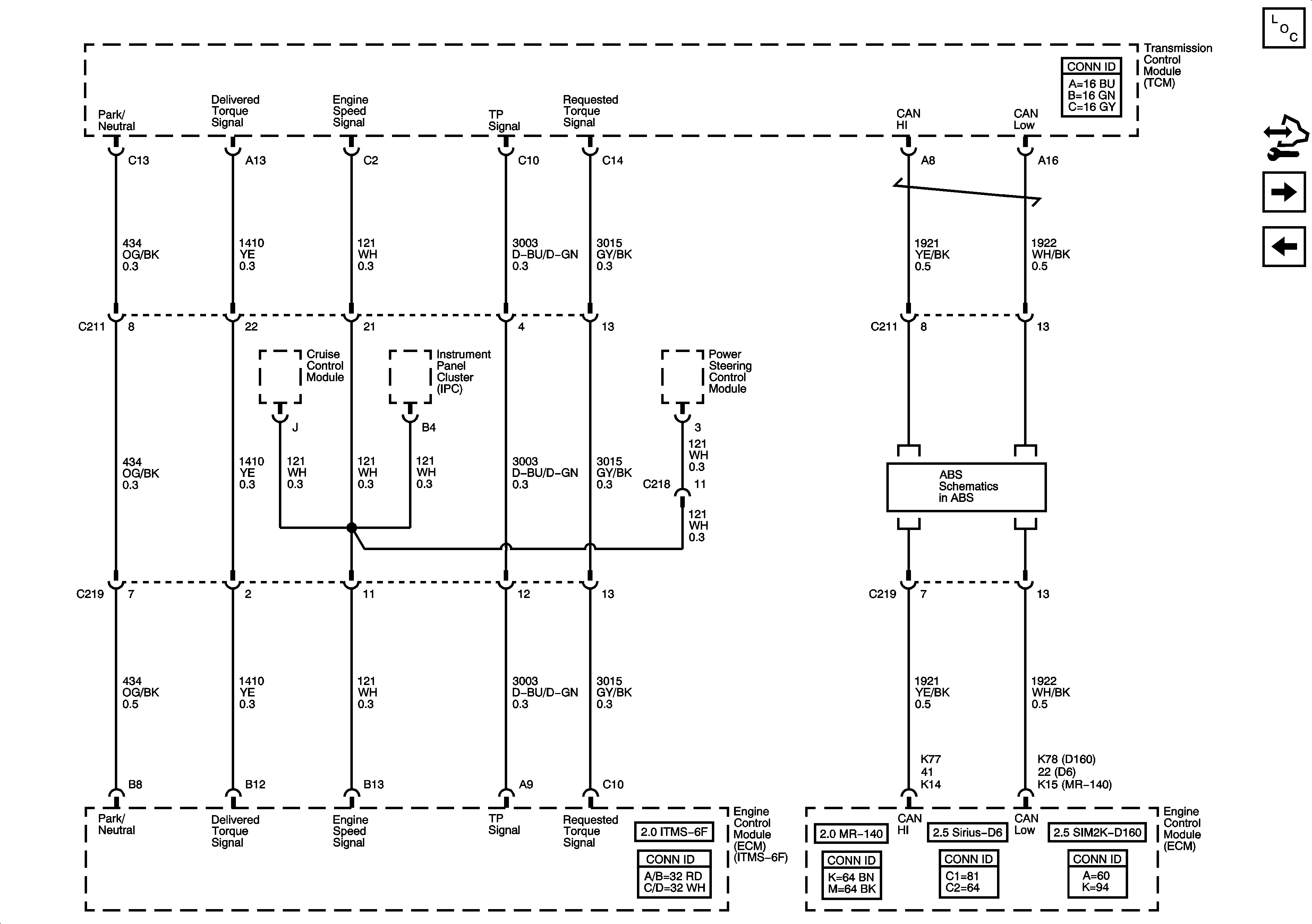
Transmission Control Module (TCM) Power, Ground, Serial Data, Hold Mode Indicator Control
Master Electrical Component List
Transmission Control Module (TCM) - Engine Control Module (ECM) Communications
STOP LAMPS, HI BEAM PASSING, ECM Fuses
WPR, TCM BTSI, BCM ABS, CLSTR AUTO A/C, WSWA Fuses
WPR, TCM BTSI, BCM ABS, CLSTR AUTO A/C, WSWA Fuses
STOP LAMPS, HI BEAM PASSING, ECM Fuses
WPR, TCM BTSI, BCM ABS, CLSTR AUTO A/C, WSWA Fuses
G103 (2.0L MR140)
DLC Schematics
G103 (2.0L MR140)
G103 (2.0L MR140)
G201, G202, SP203
G201, G202, SP203
Figure
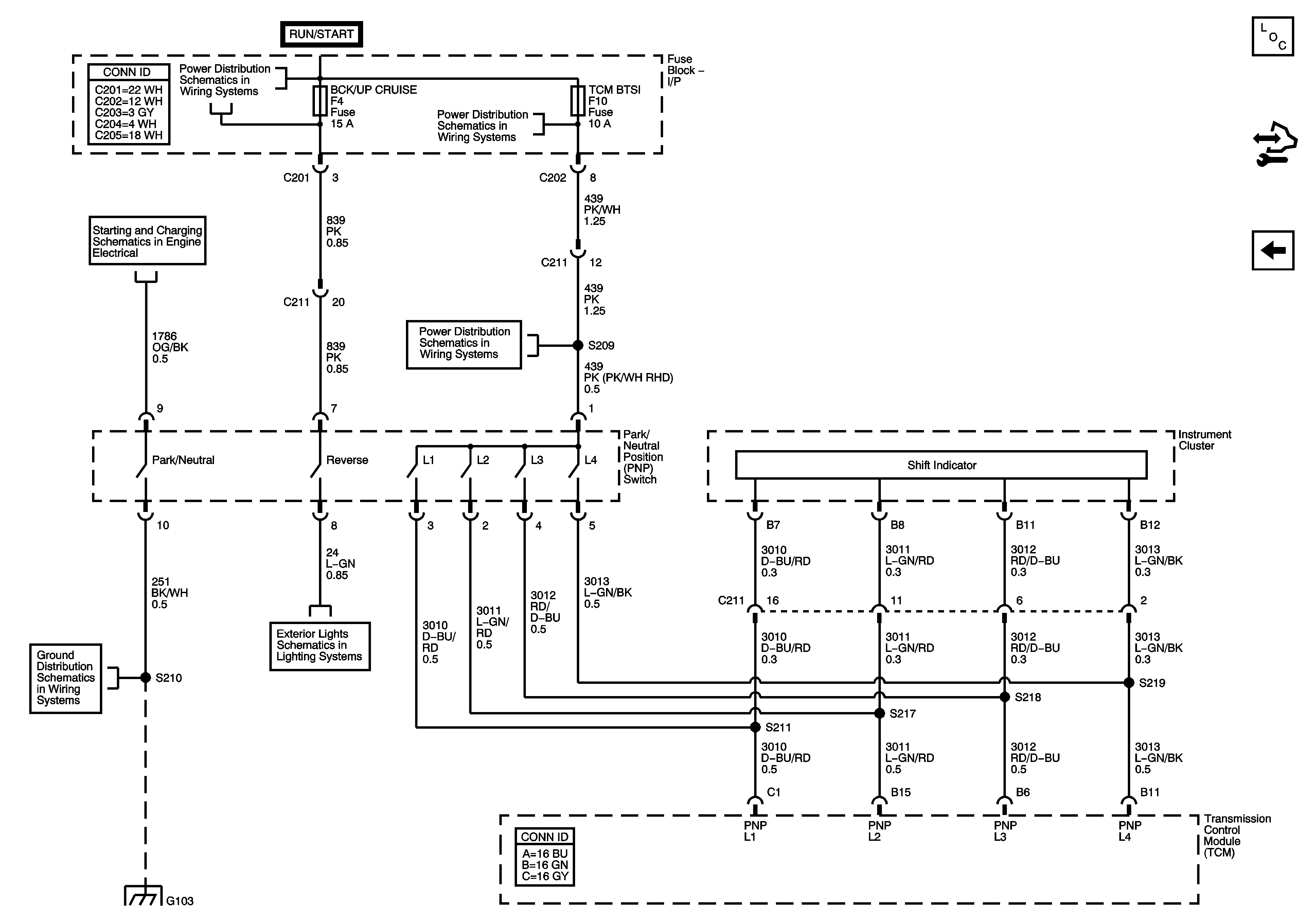
2:
Transmission Control Module (TCM) - Engine Control Module (ECM) Communications
Master Electrical Component List
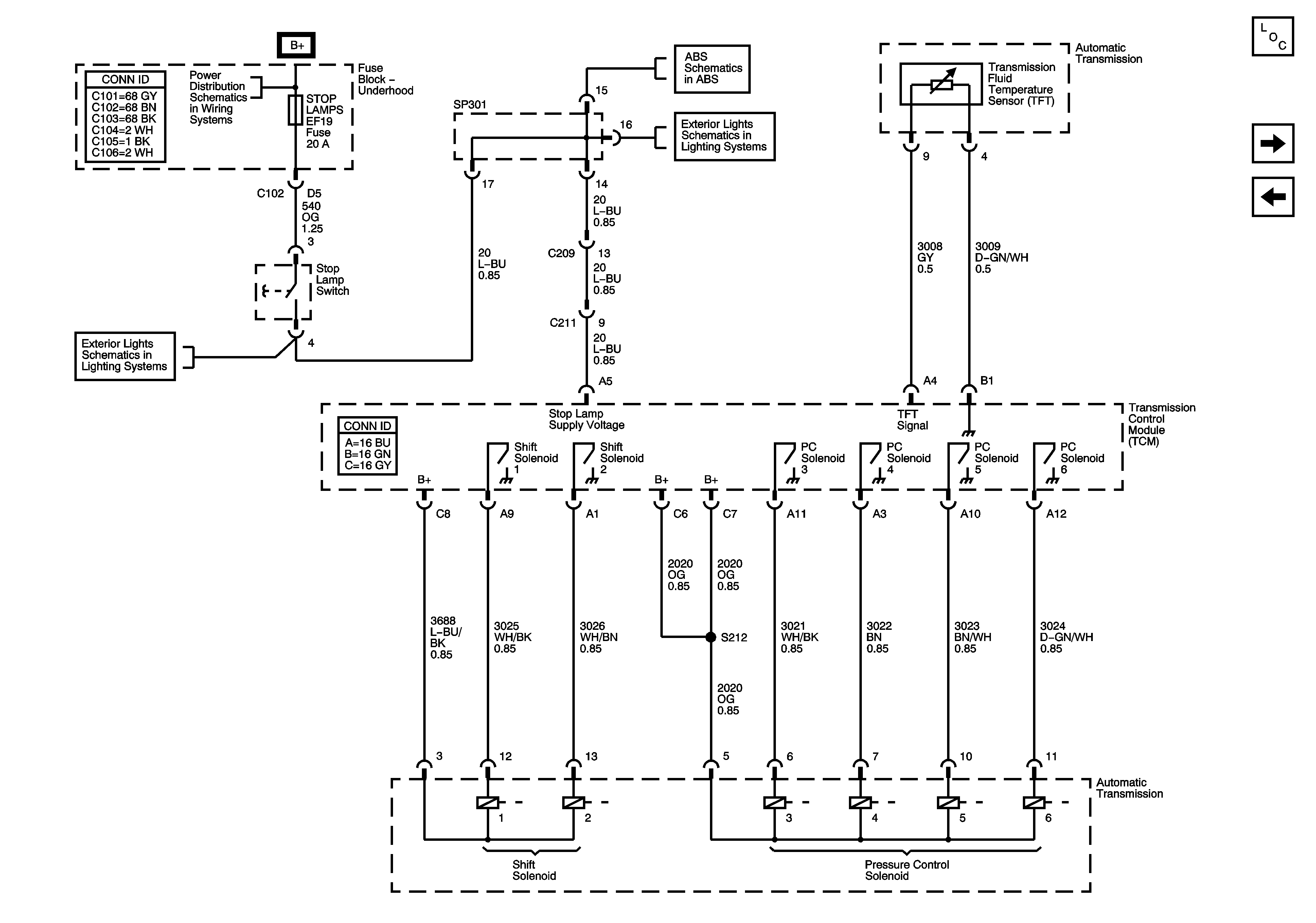
Shift and Pressure Control solenoids
Transmission Control Module (TCM) Power, Ground, Serial Data, Hold Mode Indicator Control
Serial Data, CAN Resistor, Oil Feeding Connector
Figure
3:
Shift and Pressure Control Solenoids
Master Electrical Component List
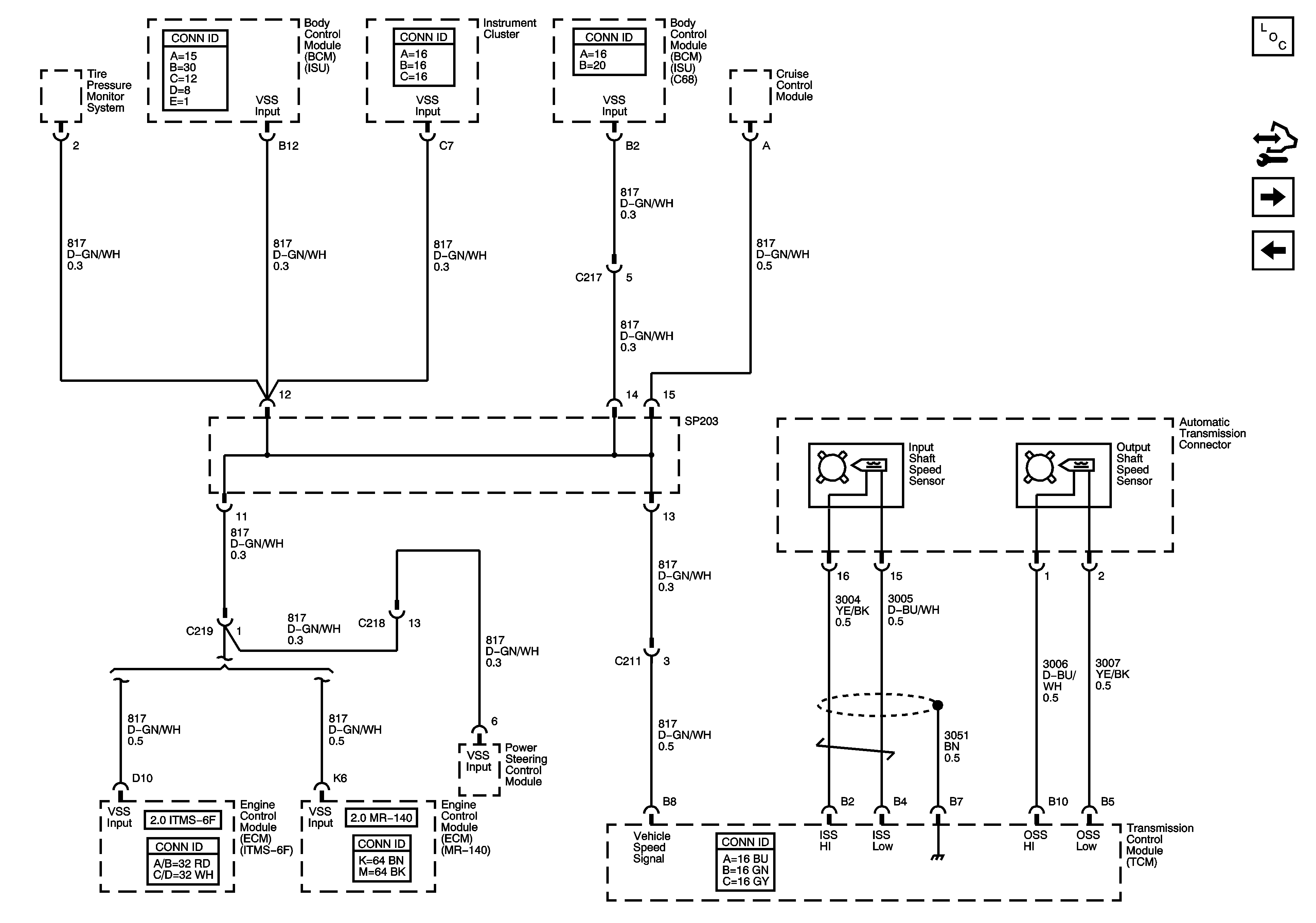
Vehicle Speed Signal
Transmission Control Module (TCM) - Engine Control Module (ECM) Communications
STOP LAMPS, HI BEAM PASSING, ECM Fuses
EBCM, Power, Ground, Indicator Lamps, Stop Lamp Switch, Traction Control Switch
Stop Lamps
Stop Lamps
Figure
4:
Park/Neutral Position (PNP) Switch
Master Electrical Component List
Park/Neutral Position Switch
Shift and Pressure Control solenoids
Figure
5:
Park/Neutral Position (PNP) Switch
Master Electrical Component List
Vehicle Speed Signal
IGN 1, Fuse, Ignition Switch, I/P Fuse Block, - LTR, HTD SEAT, CLK, RADIO, AIR BAG, BCK/UP, CRUISE, ECM Fuses
WPR, TCM BTSI, BCM ABS, CLSTR AUTO A/C, WSWA Fuses
Starting System
WPR, TCM BTSI, BCM ABS, CLSTR AUTO A/C, WSWA Fuses
G103 (2.0L MR140)
Backup Lamps
G103 (2.0L MR140)