GM Service Manual Online
For 1990-2009 cars only

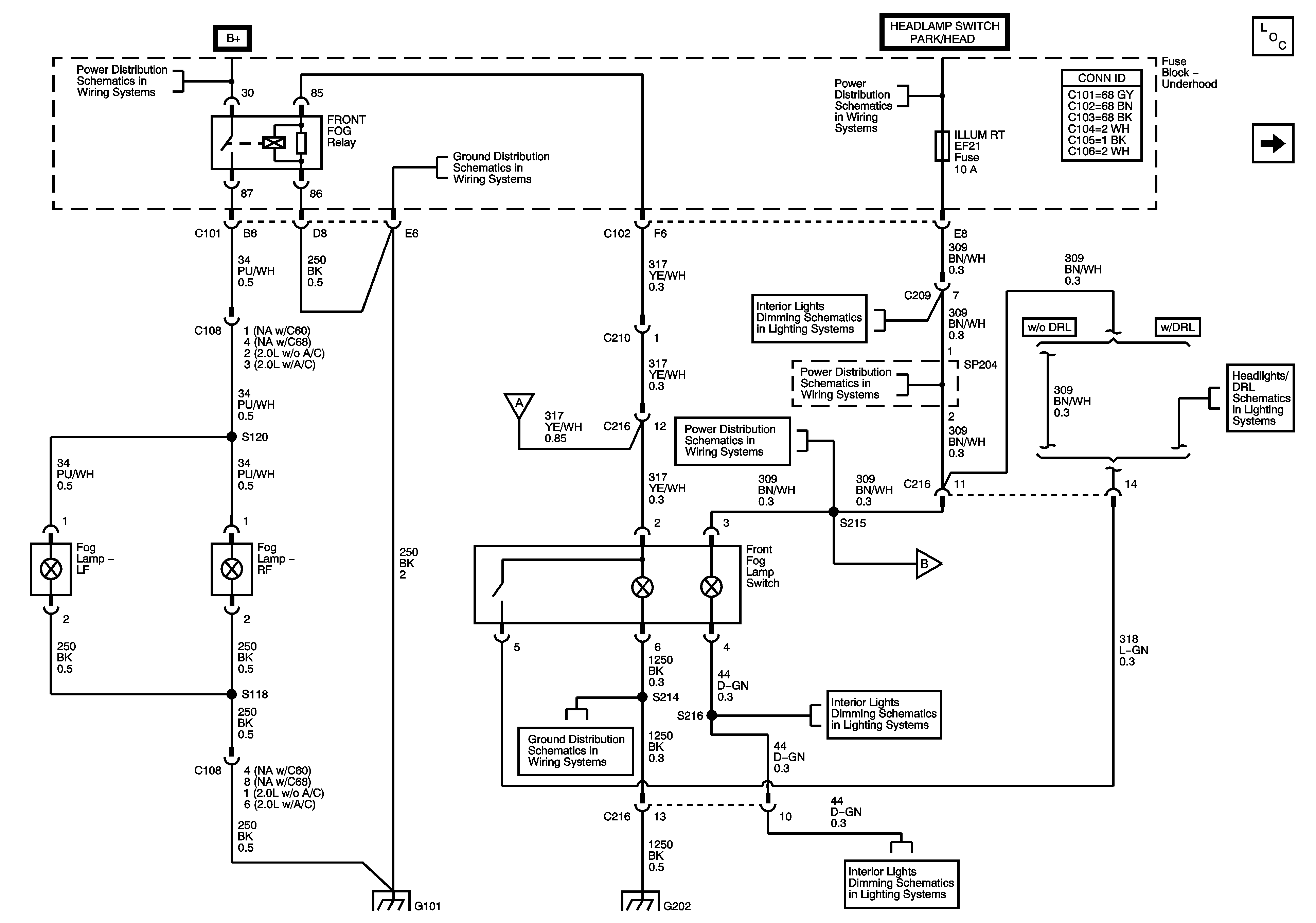
Front Fog Lamps

Front Fog Lamps


Object Number: 1257173  Size: FS
Master Electrical Component List
Rear Fog Lamps
FOG LAMPS, PWR WNDW, PWR MIR, HORN Fuses
G101
ABS, BCM BATT, ILLUM RT, ILLUM LT Fuses
ILLUM RT Fuse, SP 204
Interior Lights Dimming Schematics
Daytime Running Lamps (DRL) (North America)
ILLUM RT Fuse, SP 204
Interior Lights Dimming Schematics
G201, G202, SP203
G101
G201, G202, SP203
Interior Lights Dimming Schematics