GM Service Manual Online
For 1990-2009 cars only

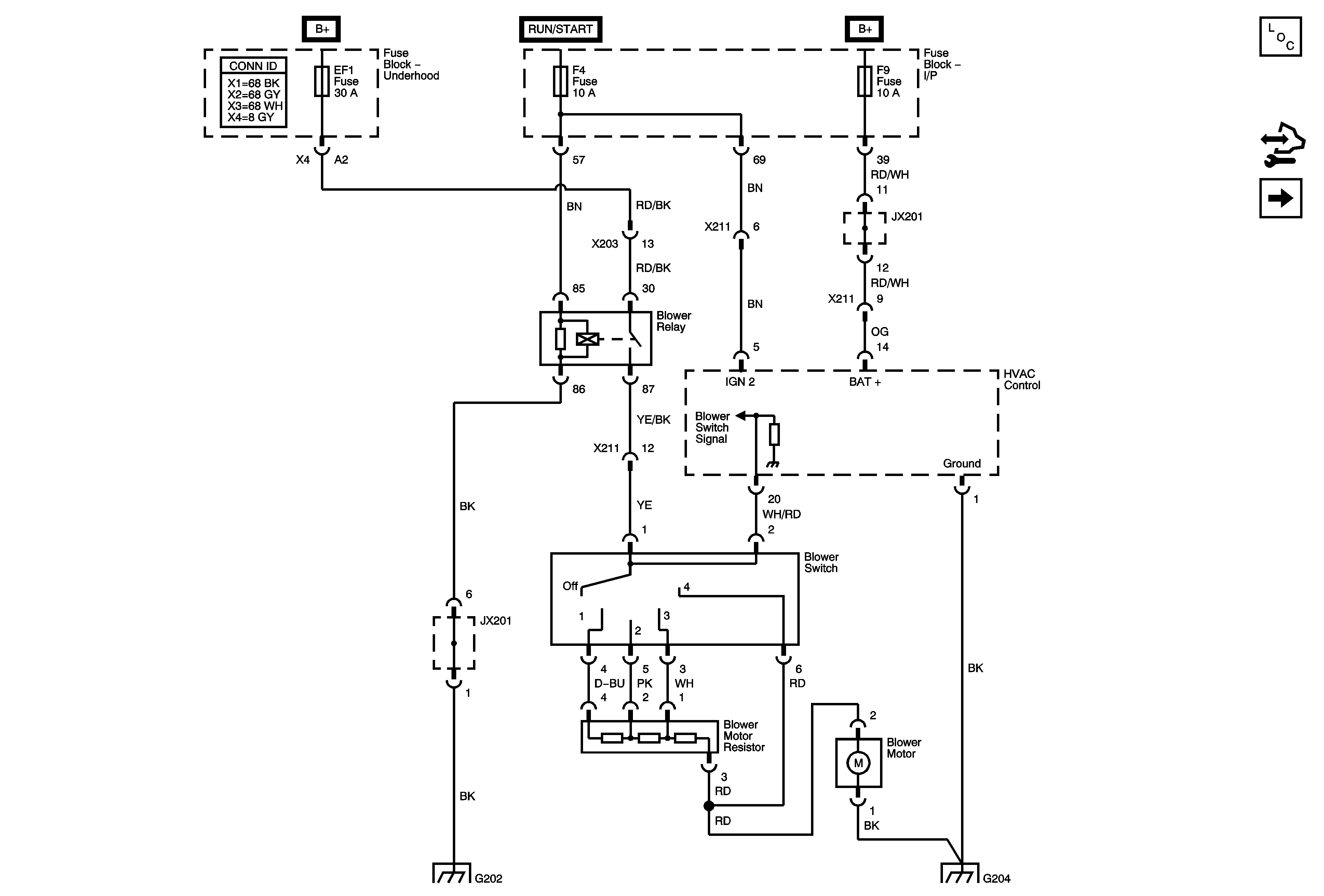
Blower Controls

Blower Controls


Object Number: 1861825  Size: FS
Master Electrical Component List
Control Module References
Compressor Controls (2.5L)
G203, G204
G202 (1 of 2)