GM Service Manual Online
For 1990-2009 cars only
Makes
🢒
Chevrolet
🢒
2007
🢒
Epica
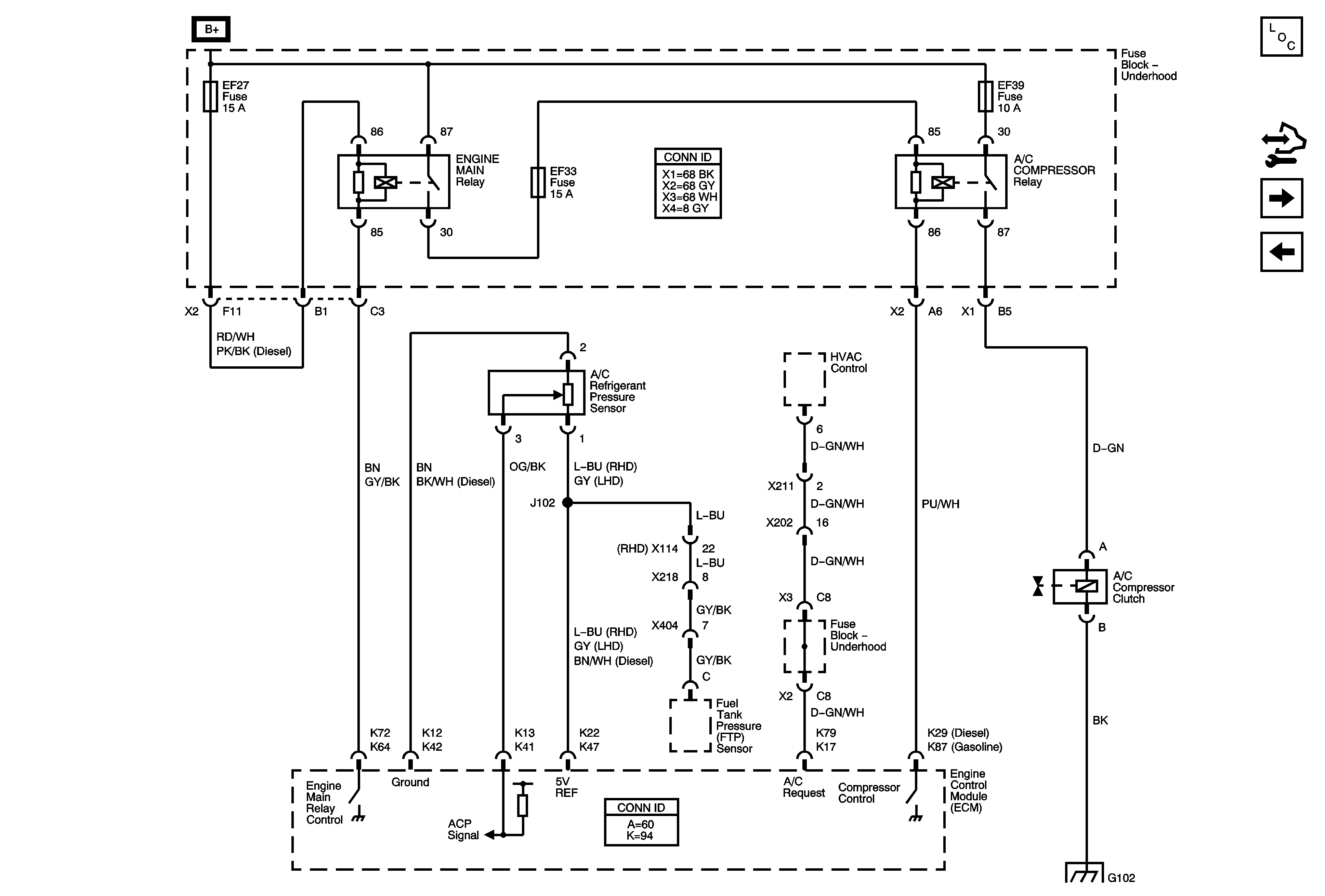
🢒 Compressor Controls (2.5L)
Compressor Controls (2.5L)
Compressor Controls (2.5L)
Master Electrical Component List
Control Module References
Air Delivery Controls
Blower Controls
G102