GM Service Manual Online
For 1990-2009 cars only
Makes
🢒
Chevrolet
🢒
2007
🢒
Epica
🢒 Air Delivery Controls
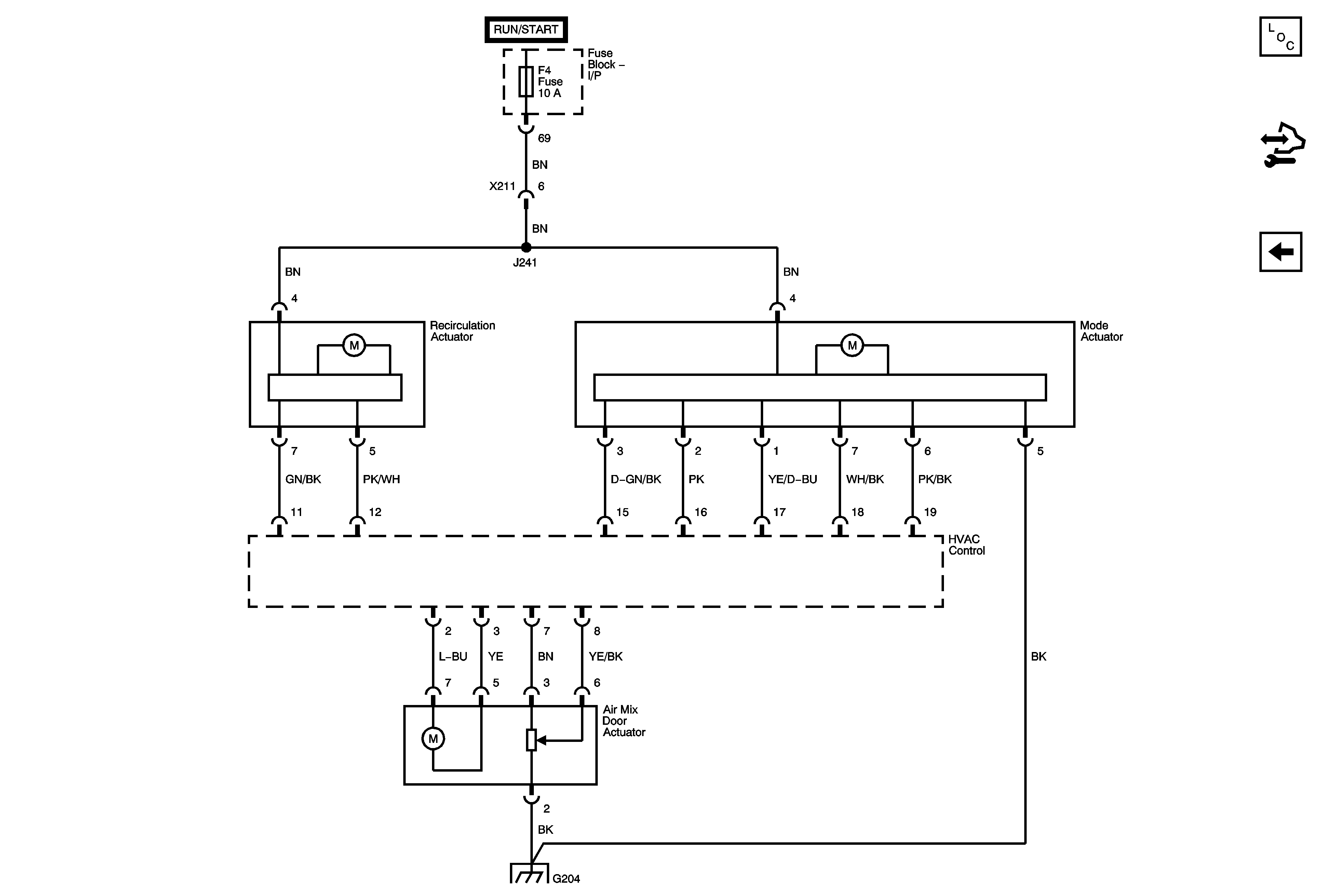
Air Delivery Controls
Air Delivery Controls
Master Electrical Component List
Control Module References
Compressor Controls (2.5L)
G203, G204