GM Service Manual Online
For 1990-2009 cars only
Makes
🢒
Chevrolet
🢒
2007
🢒
Epica
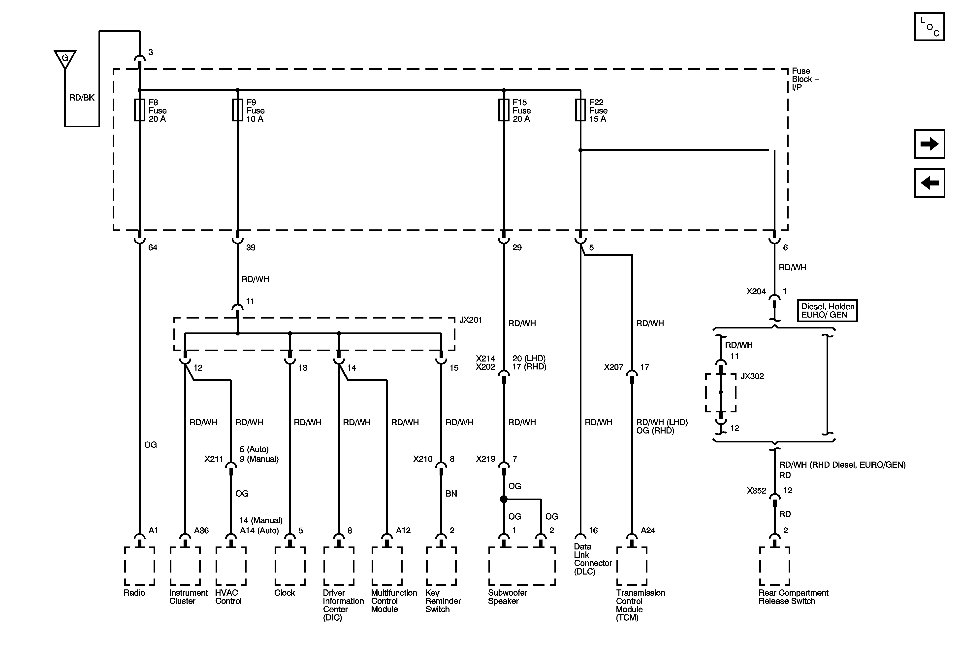
🢒 F8, F9, F15, F22 Fuses
F8, F9, F15, F22 Fuses
F8, F9, F15, F22 Fuses
Master Electrical Component List
EF8, EF4 Fuses, Ignition Switch, F1, F2, F3, F4, F5, F6, F7, F10, F11, F12, F13, F14, F16, F17, F18, F20, F21, F23 Fuses
EF26, EF28, EF34, Fuses
EF2, EF4, EF8, EF15, EF20, EF22, EF24, EF25, EF29, Fuses