GM Service Manual Online
For 1990-2009 cars only
Makes
🢒
Chevrolet
🢒
2007
🢒
Epica
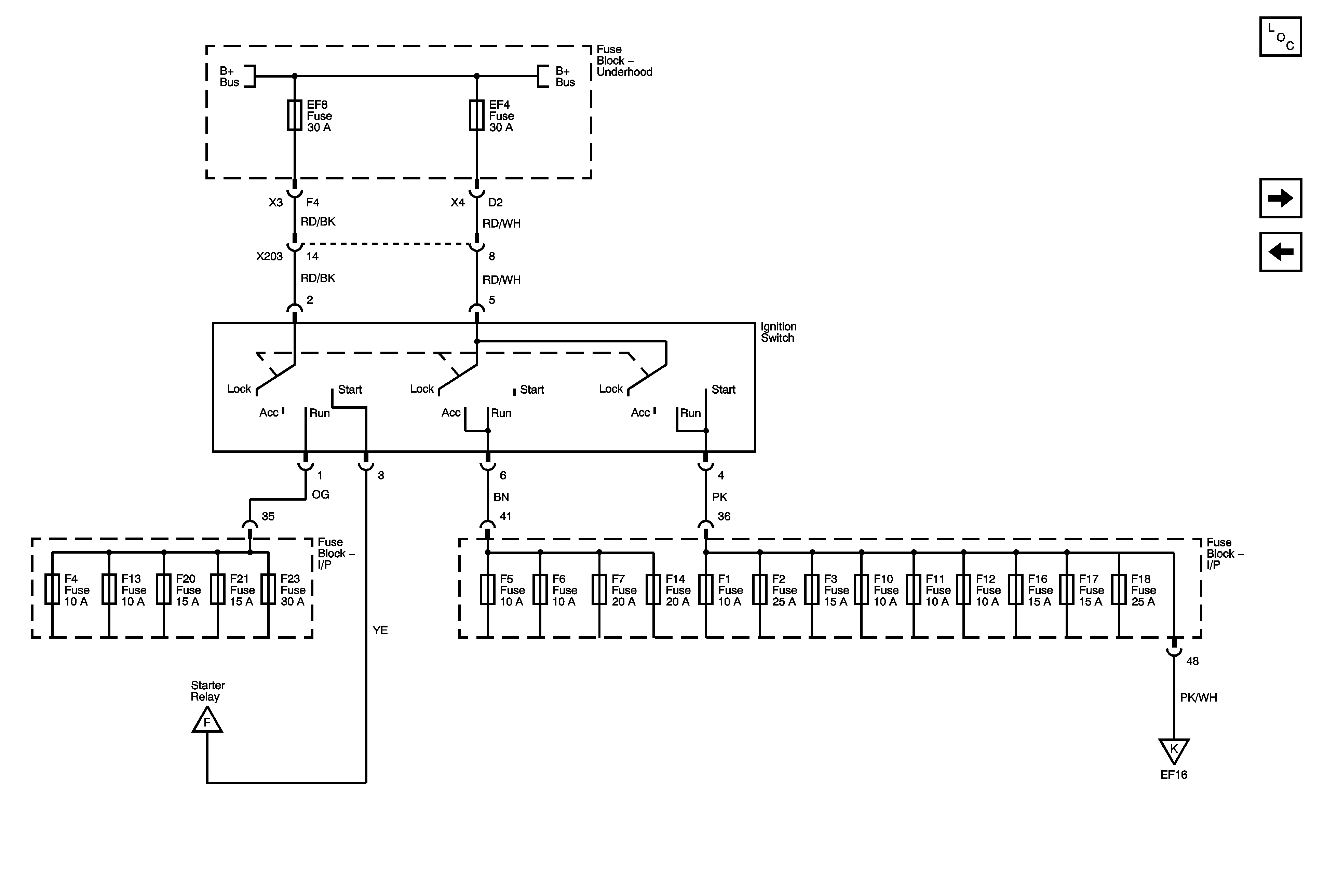
🢒 EF8, EF4 Fuses, Ignition Switch,F1, F2, F3, F4, F5, F6, F7, F10,F11, F12, F13, F14, F16, F17, F18, F20, F21, F23 Fuses
EF8, EF4 Fuses, Ignition Switch,F1, F2, F3, F4, F5, F6, F7, F10,F11, F12, F13, F14, F16, F17, F18, F20, F21, F23 Fuses
EF8, EF4 Fuses, Ignition Switch, F1, F2, F3, F4, F5, F6, F7, F10, F11, F12, F13, F14, F16, F17, F18, F20, F21, F23 Fuses
Master Electrical Component List
F10, F16, F17 Fuses
F8, F9, F15, F22 Fuses
EF2, EF4, EF8, EF15, EF20, EF22, EF24, EF25, EF29, Fuses
F10, F16, F17 Fuses