GM Service Manual Online
For 1990-2009 cars only
Makes
🢒
Chevrolet
🢒
2007
🢒
Epica
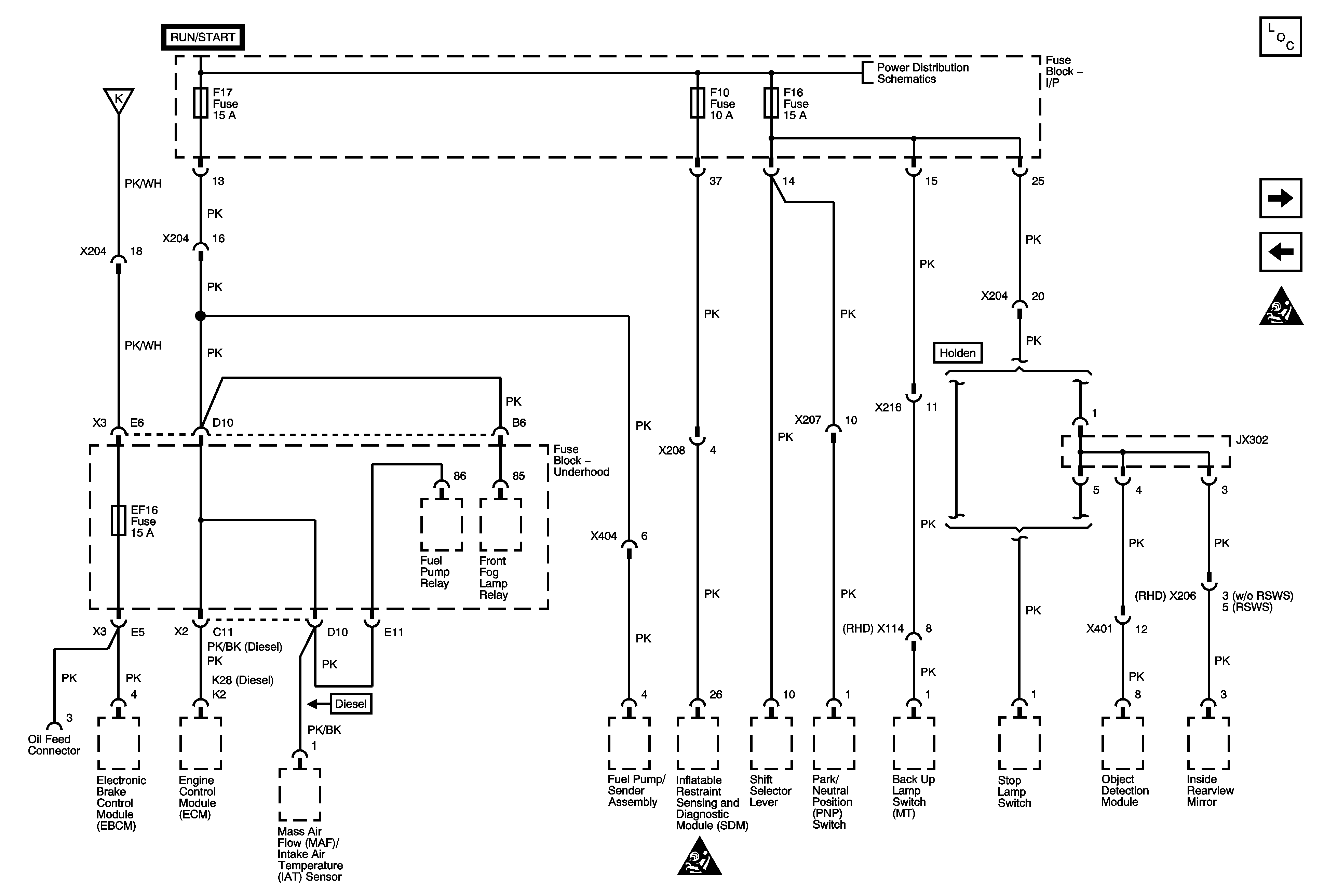
🢒 F10,F16, F17 Fuses
F10,F16, F17 Fuses
F10, F16, F17 Fuses
Master Electrical Component List
F1, F2, F3, F11, F18 Fuses
EF8, EF4 Fuses, Ignition Switch, F1, F2, F3, F4, F5, F6, F7, F10, F11, F12, F13, F14, F16, F17, F18, F20, F21, F23 Fuses
SIR Schematic Icons
EF8, EF4 Fuses, Ignition Switch, F1, F2, F3, F4, F5, F6, F7, F10, F11, F12, F13, F14, F16, F17, F18, F20, F21, F23 Fuses
Alternator, EF1, EF3, EF5, EF18, EF19, EF27, EF30, EF33 Fuses
SIR Schematic Icons