GM Service Manual Online
For 1990-2009 cars only
Makes
🢒
Chevrolet
🢒
2007
🢒
Epica
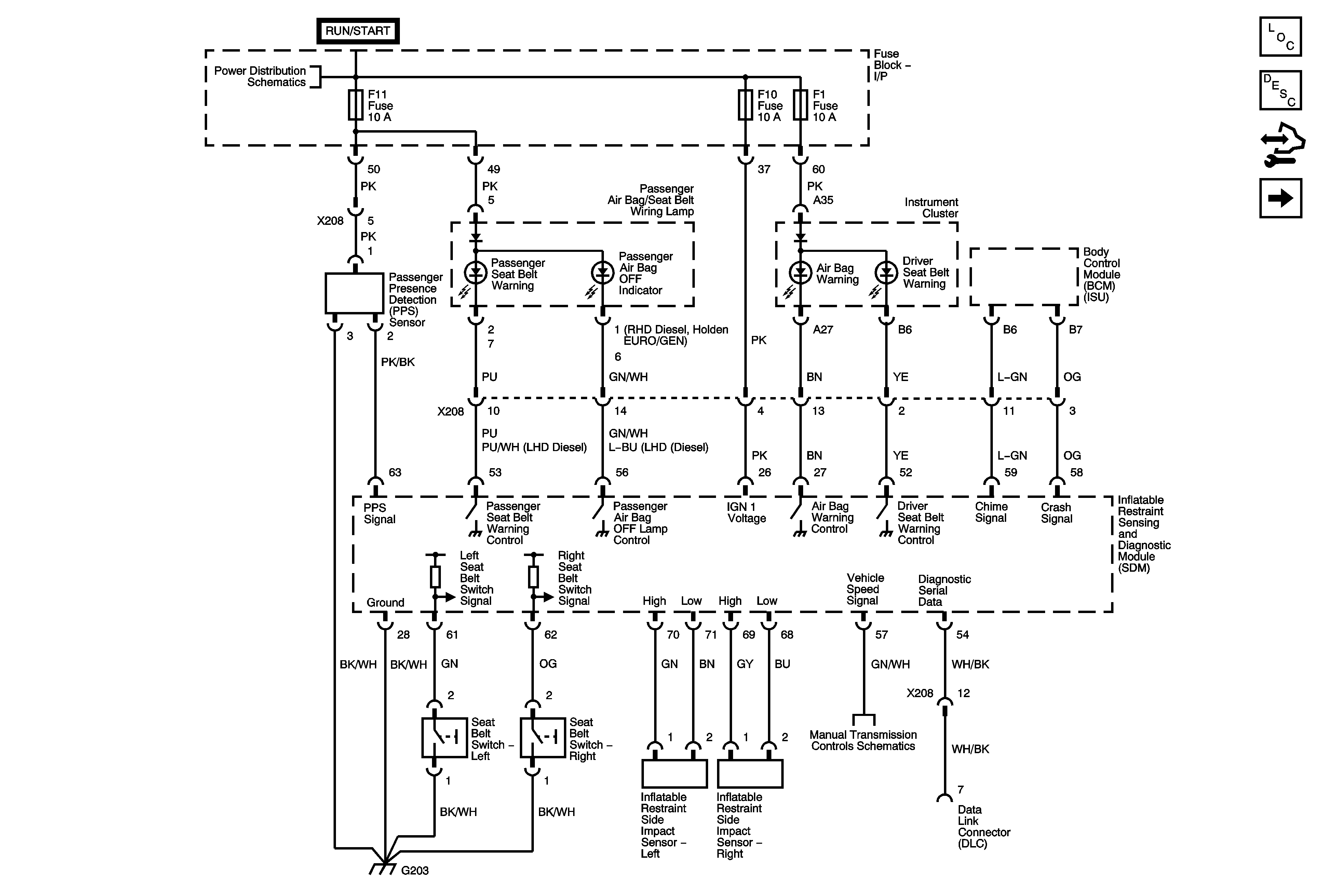
🢒 Power, Ground, Indicators, Side Impact Sensors, Seat Belt Switches, Passenger Presence Sensor
Power, Ground, Indicators, Side Impact Sensors, Seat Belt Switches, Passenger Presence Sensor
Power, Ground, Indicators, Side Impact Sensors, Seat Belt Switches, Passenger Presence Sensor
Master Electrical Component List
SIR System Description and Operation
Control Module References
Airbag and Pretensioner Deployment Loops
Alternator, EF1, EF3, EF5, EF18, EF19, EF27, EF30, EF33 Fuses
Manual Transmission Schematics - 2.0L MR-140
G203, G204