GM Service Manual Online
For 1990-2009 cars only
Makes
🢒
Chevrolet
🢒
2008
🢒
Epica
🢒 Power Steering Schematics
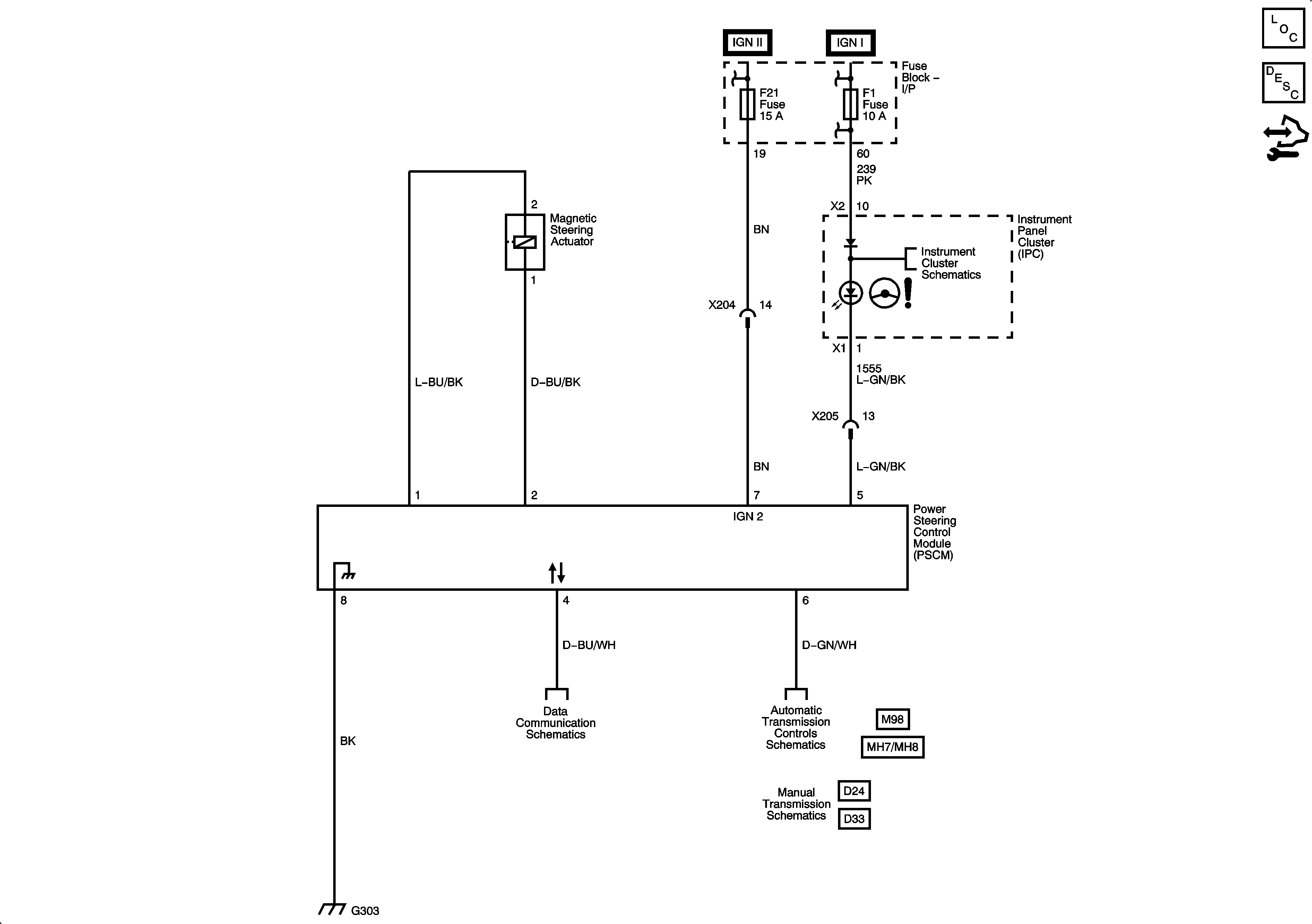
Power Steering Schematics
Master Electrical Component List
Power Steering System Description and Operation
Control Module References
Ignition Switch
Fuse Block - I/P F1, F2, F3, F11, F12, F18 Fuses
Indicators 2 of 3
Power, Ground, Class 2
Speed Sensors
Speed Sensors
Manual Transmission Schematics
Manual Transmission Schematics
G303