GM Service Manual Online
For 1990-2009 cars only

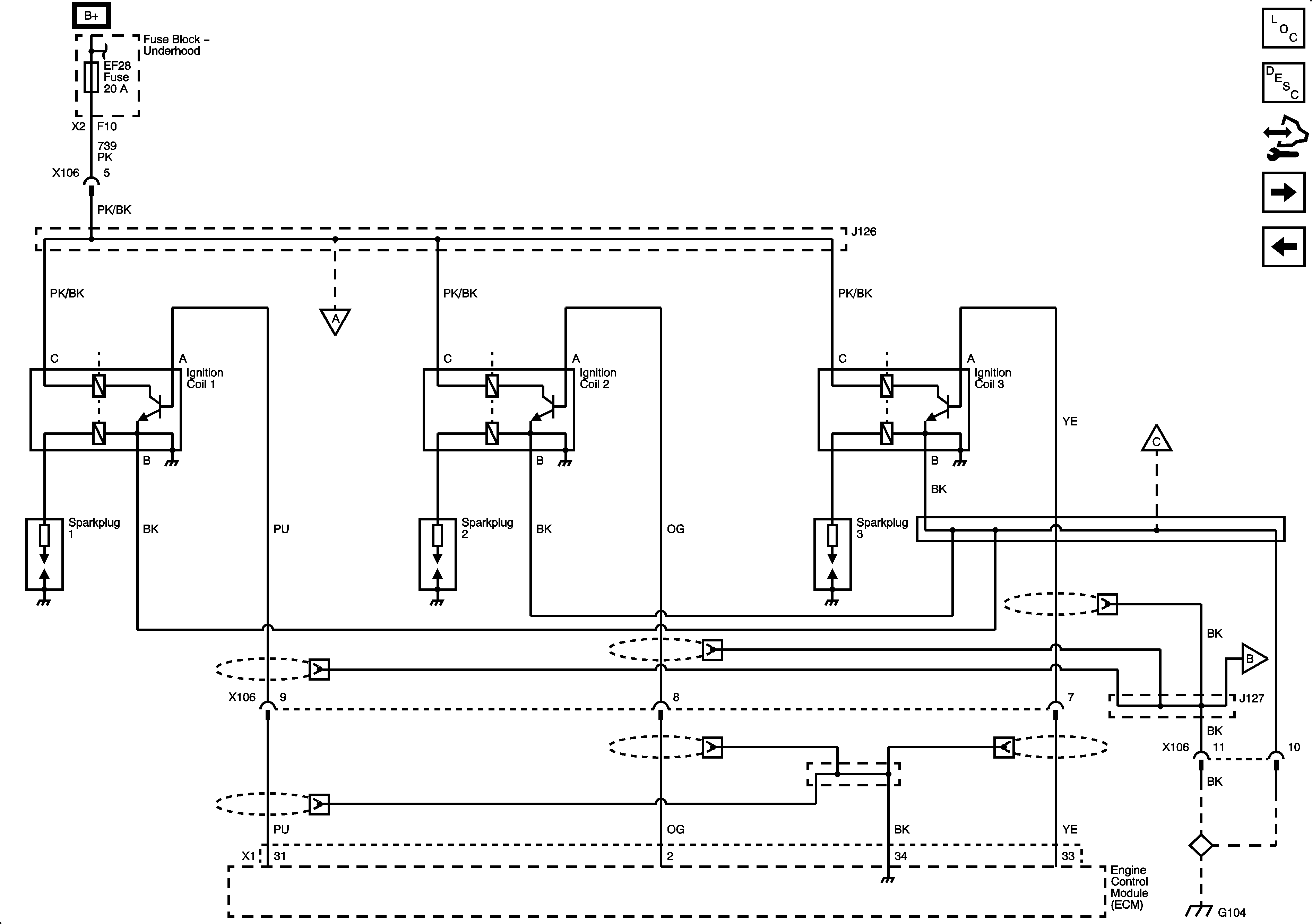
Ignition System, 1 of 2

Ignition System, 1 of 2


Object Number: 1961941  Size: FS
Master Electrical Component List
Electronic Ignition (EI) System Description
Control Module References
Ignition System, 2 of 2
Electronic Throttle Controls
B+ Bus
Ignition System, 2 of 2
Ignition System, 2 of 2
Ignition System, 2 of 2
G104