GM Service Manual Online
For 1990-2009 cars only
Makes
🢒
Chevrolet
🢒
2008
🢒
Epica
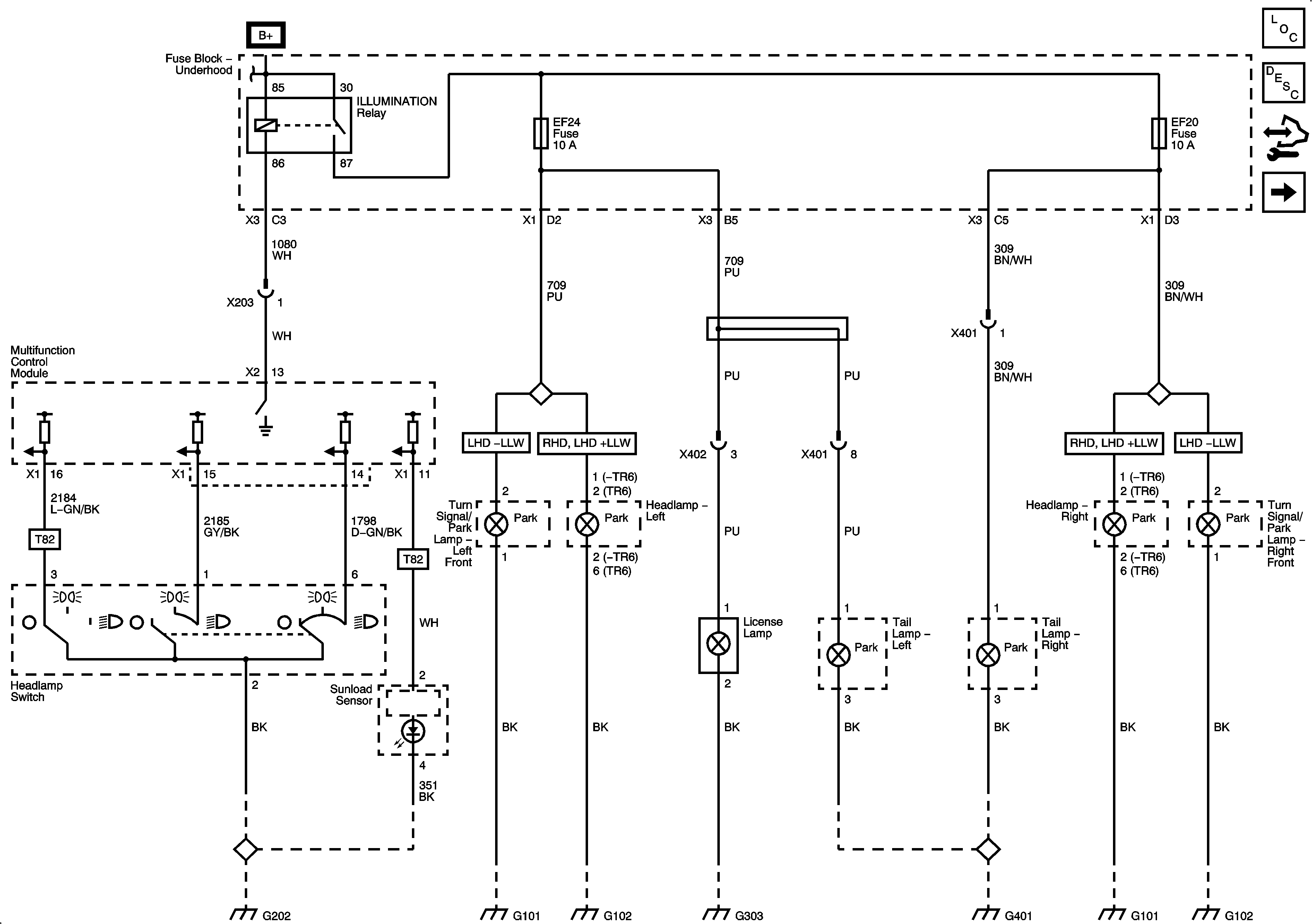
🢒 Park Lamps, License Lamps
Park Lamps, License Lamps
Park Lamps, License Lamps
Master Electrical Component List
Exterior Lighting Systems Description and Operation
Control Module References
Turn and Hazard Lamps
B+ Bus
G202, 2 of 2
G101, G106, G107
G102
G303
G401
G101, G106, G107
G102